机械手-三自由度圆柱坐标型工业机器人
本文系统阐述了工业机器人总体设计的关键要素。第2章详细介绍了工业机器人的组成结构,包括执行系统(手部、腕部、臂部、机身)、驱动系统、控制检测系统及智能系统,并给出了三自由度圆柱坐标型机器人的具体设计方案。第3章分析了机器人的运动系统,重点讨论了自由度、工作空间和机械结构类型,采用圆柱坐标型方案实现1.5m范围内的工件搬运。第4章论述了计算机控制系统的特点和要求,提出二级计算机控制方案,使用IBM-
第2章 工业机器人的总体设计
2.1 工业机器人的组成及各部分关系概述
图2-1 工业机器人的组成图
它主要由机械系统(执行系统、驱动系统)、控制检测系统及智能系统组成。
A、执行系统:执行系统是工业机器人完成抓取工件,实现各种运动所必需
的机械部件,它包括手部、腕部、机身等。
(1)手部:又称手爪或抓取机构,它直接抓取工件或夹具。
(2)腕部:又称手腕,是连接手部和臂部的部件,其作用是调整或改变手部的工作方位。
(3)臂部:是支承腕部的部件,作用是承受工件的负荷,并把它传递到预定的位置。
(4)机身:是支承手臂的部件,其作用是带动臂部自转、升降或俯仰运动。
B、驱动系统:为执行系统各部件提供动力,并驱动其动力的装置。常用的
机械传动、液压传动、气压传动和电传动。
C、控制系统:通过对驱动系统的控制,使执行系统按照规定的要求进行工作,当发生错误或故障时发出报警信号。
D、检测系统:作用是通过各种检测装置、传感装置检测执行机构的运动情况,根据需要反馈给控制系统,与设定进行比较,以保证运动符合要求。
图2-2 各部分关系图
2.2工业机器人的设计分析
2.2.1 设计要求
综合运用所学知识,搜集有关资料独立完成三自由度圆柱坐标型工业机器人操作机和驱动单元的设计工作。
原始数据:自动线上有A,B两条输送带之间距离为1.5m,需设计工业机器人将一零件从A带送到B带。
零件尺寸:内孔 ¢100,壁厚 10,高 100。
零件材料:45钢。
2.2.2 总体方案拟定
在工业机器人的诸多功能中,抓取和移动是最主要的功能。这两项功能实现的技术基础是精巧的机械结构设计和良好的伺服控制驱动。本次设计就是在这一思维下展开的。根据设计内容和需求确定圆柱坐标型工业机器人,利用步进电机驱动和谐波齿轮传动来实现机器人的旋转运动;利用另一台步进电机驱动滚珠丝杠旋转,从而使与滚珠丝杠螺母副固连在一起的手臂实现上下运动;考虑到本设计中的机器人工作范围不大,故利用液压缸驱动实现手臂的伸缩运动;末端夹持器则采用内撑连杆杠杆式夹持器,用小型液压缸驱动夹紧。
图2-3 机器人外形图
2.2.3 工业机器人主要技术性能参数
工业机器人的技术参数是说明其规格和性能的具体指标。主要技术参数有如
下:
A、抓取重量:
抓取重量是用来表明机器人负荷能力的技术参数,这是一项主要参数。这项参数与机器人的运动速度有关,一般是指在正常速度下所抓取的重量。
B、抓取工件的极限尺寸:
抓取工件的极限尺寸是用来表明机器人抓取功能的技术参数,它是设计手部的基础。
C、坐标形式和自由度:
说明机器人机身、手部、腕部等共有的自由度数及它们组成的坐标系特征。
D、运动行程范围:
指执行机构直线移动距离或回转角度的范围,即各运动自由度的运
动量。根据运动行程范围和坐标形式就可确定机器人的工作范围。
E、运动速度:
是反映机器人性能的重要参数。通常所指的运动速度是机器人的最大运动速度。它与抓取重量、定位精度等参数密切有关,互相影响。目前,国内外机器人的最大直线移动速度为1000mm/s左右,一般为200~400mm/s;回转速度最大为180º/s,一般为50º/s。
F、定位精度和重复定位精度:
定位精度和重复定位精度是衡量机器人工作质量的一项重要指标。
G、编程方式和存储容量。
本设计中的三自由度圆柱坐标型工业机器人的有关技术参数见表1-1。
表1-1
第3章 工业机器人的机械系统设计
3.1 工业机器人的运动系统分析
3.1.1 机器人的运动概述
工业机器人的运动,可从工业机器人的自由度,工作空间和机械结构类型等三方面来讨论。
如图2-1所示,为工业机器人机构的简图。
图3-1 机构简图
a.工业机器人的运动自由度
所谓机器人的运动自由度是指确定一个机器人操作位置时所需要的独立运动参数的数目,它是表示机器人动作灵活程度的参数。
本设计的工业机器人具有四转动副和移动副两种运动副,具有手臂伸降,旋转,前后往复三自由度。
b.机器人的工作空间和机械结构类型
(1)工作空间 工作空间是指机器人正常运行时,手部参考点能在空间活动的最大范围,是机器人的主要技术参数,工作空间图如图3-2。
图3-2 工作空间图
(2)机械结构类型
圆柱坐标型为本设计所采用方案,这种运动形式是通过一个转动,两个移动,共三个自由度组成的运动系统(代号RPP),工作空间图形为圆柱形。它与直角坐标型比较,在相同的工作条件下,机体占体积小,而运动范围大。
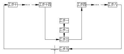
3.1.2机器人的运动过程分析
工业机器人的运动过程中各动作如图3-3和表3-1。
图3-3
第四章 工业机器人的计算机控制系统概述
4.1 工业机器人控制系统的特点及对控制功能的基本要求
工业机器人具有多个自由度,每个自由度一般包括一个伺服机构,它们必须协调起来,组成一个多变量控制系统。这种多变量的控制系统,一般要用计算机来实现。因此,机器人控制系统也是一个计算机控制系统。控制系统的功能是控制机器人操作机的运动和操作以满足作业的要求。在作业中机器人的工作任务是要求操作机的末端执行器按点位或轨迹运动,并保持设定的姿态。在运动中或在规定的某点位执行作业规定的操作。对工业机器人的控制功能大致有如下的基本要求和特点。
A、实现对位姿、速度、加速度等的控制功能
在机器人的各类作业中,运动和控制方式主要有两种。
1)点位控制方式(PTP控制) 这种控制方式考虑到末端执行器在运动过程中只在某些规定的点上进行操作,因此只要求末端执行器在目标点处保证准确的位姿以满足作业质量要求。而对达到目标点的运动轨迹(包括移动的路径和运动的姿态)则不作任何规定,这种控制方式易于实现,但不易达到较高的定位精度,适用于上下料、搬运、点焊和在电路板上安插元件等只要求在目标点保持末端执行器准确的位姿的作业中。
2)连续轨迹控制方式(CP控制) 这种控制方式要求末端执行器严格按规定的轨迹和速度在一定精度要求内运动,以完成作业要求,这种必须保证机器人各关节连续、同步地实现相应的运动。这种连续轨迹运动,可看成是若干密集轨迹曲线。若设定的点足够密,就能用点位控制的方法实现所需精度的连续轨迹运动。
B、存储和示教功能
要使机器人具有完成预定作业的功能,须先将要完成的作业示教给机器人,这个操作过程称为示教,将示教内容记录下来,称为存储。使工业机器人按照存储的示教内容进行动作,称为再现。所以工业机器人的动作是通过示教—存储—再现的过程实现的。
C、对外部环境的检测和感觉功能。
4.2 计算机控制系统的设计方案
控制系统采用二级计算机控制方式,选用IBM-PC,80C51系列CPU。
第一级机担负管理,示教编程,控制再现,轨迹正逆运算,机器人语言的编辑和编译,通过串行通讯方式传送给二级机做位置给定。第二级机负责位置伺服控制软件的计算,位置检测等工作,根据插补算出的各关节位置增量做位置给定。
一级机与示教盒通讯采用串行RS-232接口,既接收示教盒信息,完成示教动作,又向示教盒发送信息,显示示教情况。还可以连接软驱,CRT终端。
二级机接口电路将计算机输出数字量转换成相应的模拟量,驱动伺服控制系统,选用速度单元,伺服电机及光电编码盘等伺服调速系统。
4-1 机器人控制系统框图
4.3 硬件电路的组成
图3-1是采用MCS-51系列单片机组成的控制系统硬件电路原理图。电路的组成如下:
i.主从CPU都采用8031芯片;
ii.主从CPU各扩展程序存储器27256一片,扩展数据存储器62256一片;
iii.主CPU扩展可编程串行通信接口芯片8251A一片;可编程多功能接口芯片8155一片;电平转换芯片MAX232一片;
iv.从CPU扩展可编程多功能接口芯片8155六片;D/A转换器DAC0832六片;运算放大器μA741六片;PWM功率放大器六片;光电编码器六片;
v.地址锁存器、译码器各两片;
vi.键盘电路,显示电路;
vii.光电编码电路,功率放大电路;
viii.报警电路,暂停、急停电路,复位电路;
第五章 工业机器人运行时应采取的安全措施
有些国家已经颁布了关于机器人的安全法规和相应的规程,国际标准化协会也有业机器人安全规范(ISO/TC184/SC2/WG3-DP10218)。在工业机器人的生产厂家,有严格的管理规定和详尽的技术保障体系。
在机器人应用工程中,要参照有关规程、规范以及工业机器人的说明资料,注意落实安全措施,杜绝发生机器人伤人或其它事故。
5.1 安全要求
工业机器人能代替人在危险有害的环境中作业。但又给人另一种危险,即机
器人伤人事故。这是工业机器人安全管理的最为重要的一条原则。此外,除了通用的工业安全规程外,还要注意工业机器人的特殊性,采取相应可靠的对策。
对工业机器人应用工程的安全要求有如下几条:
a、必须为工业机器人和周边设备安装安全护栏,以防止人靠近而造成伤害。工业机器人的动作范围不能超越护栏。
b、在护栏出入口的门上必须设置插拔式电接点点开关,其插座有导线与控制系统的电路连接。只有拔下开关的插头,才能打开对应的门。这时,工业机器人及周边设备停止运转,并且将工业机器人锁定在示教模式。
c、在距操作者的地方设置紧急停止开关。按下此开关,工业机器人和有关的设备立即停止运转。
d、在人机结合部设置传感器。当操作者在此处上、下料或装卡工作时,控制系统要有相应的安全对策。
e、在生产设备旁边的显著位置用大型指示灯箱表示生产系统的当前状态。如运转、调试、停止等。
f、设置工业机器人的作业的作业原点,并在生产系统的操作盘上设置相应的指示灯,使操作者容易判断工业机器人本体的位置状态。
g、示教作业时应降低工业机器人的运动速度,并且要另有一人专门监护,一但发现异常应立即停机。
5.2实施方法
在工业机器人应用工程中,不仅要注意对人员的危险性,而且还要考虑包括工业机器人在内的设备的安全性。为此生产厂家在工业机器人及控制系统的软硬件方面应尽可能地增加有关功能,以确保安全。例如,用软极限的功能可设定工业机器人操作机(本体)的实际动作小于标称最大动作范围。当控制点运动到软极限位置时,工业机器人自动停止并报警,不会超越设定的区间。因此,可以将工业机器人本体的动作限制在实际作业的领域内。又如对于弧焊的应用,生产厂家可提供一种带有碰撞传感器的焊枪把持器及焊枪后,示教作业及再现运动时,一但焊枪撞上工件或其他物体时,工业机器人将立即停机。为了确保工业机器人应用工程中的安全,必须实施确保安全要求的具体措施。
DAMO开发者矩阵,由阿里巴巴达摩院和中国互联网协会联合发起,致力于探讨最前沿的技术趋势与应用成果,搭建高质量的交流与分享平台,推动技术创新与产业应用链接,围绕“人工智能与新型计算”构建开放共享的开发者生态。
更多推荐



所有评论(0)