超声波测距模块的设计
本文设计了一种基于AT89C51单片机的数显超声波测距仪系统。该系统采用40kHz超声波传感器,测量范围为0.07-3.00m,精度达5cm,响应时间小于0.5s。系统硬件包括555时基振荡电路产生超声波信号、三极管控制发射、专用接收放大电路及LCD显示模块。软件采用模块化设计,包含主控、发射接收、距离计算和显示等功能模块。调试结果表明,系统能准确测量距离并显示温度信息,满足非接触式测距要求,具有
第2章 系统的总体方案设计
本课题要设计制作是一个数显超声波测距仪。对象是测距仪与被测物之间的距离,要求检测时间小于0.5s情况下测量范围在0.07~3.00 m,测量精度为5cm,并且测量时测距仪不能与被测物体直接接触,以及用LCD显示结果等要求。这一章主要介绍了超声波测距原理,系统方案的选择比较与实施,为后一章节的系统硬件设计提供依据。
2.1 超声测距理论基础
2.1.1超声波介绍
与光波不同,超声波是一种弹性机械波,它可以在气体、液体和固体中传播。我们知道,电磁波的传播速度为3×m/s,常温下,超声波在空气中的传播速度大约为340 m/s,其速度相对电磁波是非常慢的。超声波在相同的传播媒体里(大气条件)传播速度相同,即在相当大的频率范围内声速不随频率变化,波动的传播方向与振动方向一致,是纵向振动的弹性机械波,它是借助于传播介质的分子运动而传播的,波动方程描述方法与电磁波是类似的。
式中,a为介质常数,f为振动频率。在空气里,a=2×/cm,当振动的声波频率f=40kHz(超声波)代入式(2-3)可得:=3.2×,即1/=31m;若f=30 kHz,则1/=56m。它的物理意义是:声波在空气媒质里传播,因空气分子运动摩擦等原因,能量被吸收损耗。在(1/)长度上,平面声波的振幅衰减为原来的e分之一,由此可以看出,频率越高,衰减得越厉害,传播的距离也越短。考虑实际工程测量要求,在设计超声波测距仪时,选用频率f=40kHz的超声波[5]。
1、压电传感器;
2、磁致伸缩传感器;
3、静电传感器。
流体动力型中包括有气体与液体两种类型的哨笛。由于工作频率与应用目的不同,超声传感器的结构形式是多种多样的,并且名称也有不同,例如在超声检测和诊断中习惯上都把超声传感器称作探头,而工业中采用的流体动力型传感器称为“哨”或“笛”。
压电传感器属于超声传感器中电声型的一种。探头由压电晶片、楔块、接头等组成,是超声检测中最常用的实现电能和声能相互转换的一种传感器件,是超声波检测装置的重要组成部分。压电材料分为晶体和压电陶瓷两类。属于晶体的如石英,铌酸锂等,属于压电陶瓷的有锆钛酸铅,钛酸钡等。其具有下列的特性:把这种材料置于电场之中,它就产生一定的应变;相反,对这种材料施以外力,则由于产生了应变就会在其内部产生一定方向的电场。所以,只要对这种材料加以交变电场,它就会产生交变的应变,从而产生超声振动。因此,用这种材料可以制成超声传感器。
传感器的主要组成部分是压电晶片。当压电晶片受发射电脉冲激励后产生振动,即可发射声脉冲,是逆压电效应。当超声波作用于晶片时,晶片受迫振动引起的形变可转换成相应的电信号,是正压电效应。前者用于超声波的发射,后者即为超声波的接收。超声波传感器一般采用双压电陶瓷晶片制成。这种超声传感器需要的压电材料较少,价格低廉,且非常适用于气体和液体介质中。在压电陶瓷上加有大小和方向不断变化的交流电压时,根据压电效应,就会使压电陶瓷晶片产生机械变形,这种机械变形的大小和方向在一定范围内是与外加电压的大小和方向成正比的。也就是说,在压电陶瓷晶片上加有频率为交流电压,它就会产生同频率的机械振动,这种机械振动推动空气等媒介,便会发出超声波。如果在压电陶瓷晶片上有超声机械波作用,这将会使其产生机械变形,这种机械变形是与超声机械波一致的,机械变形使压电陶瓷晶片产生频率与超声机械波相同的电信号。
双压电晶片如图2-1所示,当在AB间施加交流电压时,若 A 片的电场方向与极化方向相同,则下面的方向相反,因此,上下一伸一缩,形成超声波振动。双压电晶片的等效电路如图 2-2 所示,C为静电电容,R为陶瓷材料介电损耗并联电阻,Cm 和Lm为机械共振回路的电容和电感,Rm为损耗串联电阻。压电陶瓷晶片有一个固定的谐振频率,即中心频率。发射超声波时,加在其上面的交变电压的频率要与它的固有谐振频率一致。这样,超声传感器才有较高的灵敏度。当所用压电材料不变时,改变压电陶瓷晶片的几何尺寸,就可非常方便的改变其固有谐振频率。利用这一特性可制成各种频率的超声传感器[12]。
超声波传感器的内部结构由压电陶瓷晶片、锥形辐射喇叭、底座、引线、金属壳及金属网构成,其中,压电陶瓷晶片是传感器的核心,锥形辐射喇叭使发射和接收超 声波能量集中,并使传感器有一定的指向角,金属壳可防止外界力量对压电陶瓷晶片及锥形辐射喇叭的损坏。金属网也是起保护作用的,但不影响发射与接收超声波。
第3章 系统硬件设计
在非接触测量领域中,随着传感器技术水平的不断提高,利用超声波传感器测量距离的技术也日趋成熟,基于单片机的超声波测距仪以其强抗干扰能力、高精度、低功耗、体积小等优点在工业控制、勘探测量、机器人定位和安全防范等领域得到了广泛的应用,本章论述了以51单片机为控制核心的超声波测距模块的具体电路设计。
3.1 系统工作的过程
本文设计的超声波测距仪是一款非接触的测量仪器。它的工作原理是: 采用555时基振荡电路产生40kHz的超声波信号,超声波传感器的工作状态由三极管工作情况决定。当单片机给三极管一个高电平使其导通后,由555产生的超声波就可以通过发射探头可将其发射出去;此后经过一段时间,超声波遇到障碍物将发生反射,反射后将被接收探头接收,由于探头接收的信号很微弱,所以信号还要经过放大电路进行放大(采用专用集成检波接收电路则不需要放大电路),最后再通过波形变换电路将信号转换成单片机能接收的信号。单片机接收信号后关闭计时器、禁止555工作、处理有关信息,最后通过显示电路显示测量到的距离。显示一段时间后将进入下一次的测量。在整个测量过程中由于电源电路提供能量才使得各模块电路在单片机的控制下成功有序地完成一次距离测量。可见电源电路也是该系统不可缺少的一部分。
3.2 主控制电路
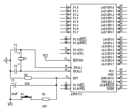
主控制器主要由单片机AT89C51、振荡器和复位电路三部分组成。设计原理图如3-1所示,由于它是单片机工作的必要组成部分,所以又称为单片机最小系统。它是测距仪的控制中枢,也是整个系统的核心部分。它之所以这样重要是因为它在测距仪中发挥了四个作用:
1、控制超声波的发射;
2、负责处理接收电路发出的信号;
3、时间转化成距离的数据处理;
4、协调端口实现动态显示。
由上可知,它的正常工作是保证测距仪成功测距的先决条件,单片机最小系统的设计虽简单但很关键。下面就其作一些简单的介绍。

图3-1 单片机最小系统原理图
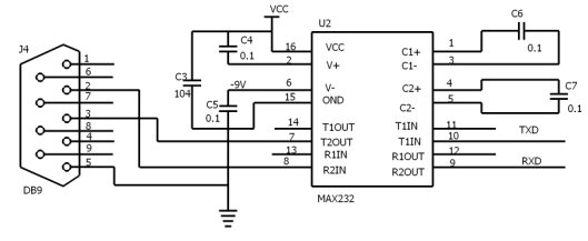
3.3.3 数据发送电路
这部分电路主要由电平转换芯片MAX232和DB-9串行接口等组成。图3-3为串行数据发送电路的设计原理图。

图3-3 串行数据发送电路图
电路中使用了MAXIM公司的MAX232,该芯片简易,单+5V电源供电,仅需四个0.1u外接电容即可完成TTL电平与EIA电平之间的相互转换。
第4章 系统程序设计
超声波测距系统的软件主要由主模块、超声波发生模块、超声波接收模块、显示模块及距离计算模块构成。主模块用于循环检测并且保存测量的结果以及计算的相关参数于寄存器中;超声波发生模块主要是通过控制三极管导通来控制超声波的发送;超声波接收模块主要用于停止定时器计时,转存计时值并置位接收成功接收标志位而显示模块则主要是显示超声波测量的距离。本章介绍一下各程序设计过程。
4.1软件功能模块的划分
本测距仪的软件设计必须充分考虑到AT89C51的硬件和软件特点,同时充分利用其内部资源包括存储器资源、功能部件等。其程序主要包括五个功能模块:主模块、超声波发射、超声波接收、距离计算模块及显示模块。图4-1形象地描述了各模块功能及相互之间的关系。

图4-1各程序模块及关系
4.2 主程序的分析设计
主模块主要分为初始化子程序及各子程序的调度管理等部分。其工作流程是:上电后首先对系统进行初始化(此时555起振,T0也开始计时),紧接着调用显示子程序,显示完后判断有没有超声波被接收,若有,则停止计时并将计时值送入距离计算子程序,然后将所测距离显示,并且显示当前温度。 主程序流程图如图4-2
。首先是初始化程序,然后置单片机P1.0为高电平,发射超声波信号。然后开启计数通道,等待接收回波,当P3.2为低电平,检测到回波,不过这时要分析盲区和是否接收的是串绕波(发射波未经过障碍物直接绕射到接收换能器上)。
第5章 调试过程
程序编制完成之后,需要对程序各部分进行调试,以确定其在系统中的可靠性和合理性。由于程序本身是由许多子程序和功能块组成,所以在调试过程中,可以对其中每个功能块和子程序逐一调试,待每个子程序都能完成其指定功能,然后再进行综合调试。
5.1 调试环境
(1)环境温度 :20℃
(2)测试仪器 :PC机,512M内存,PROTEUS 仿真器,KEIL 51编译器,模拟万用表,20MHz 双踪示波器, 函数发生器。
5.1.1 LCD程序调试过程
将硬件电路连接完毕后,对原程序进行编译,调用初始化液晶模块子程序inilcdL()和开机画面显示函数display(0x8f,50,COPY),载入仿真器仿真运行,可以从液晶屏上看到相应的字符出现,能满足预期的设置,没有出现异常情况。
5.1.2 发送40kHZ脉冲信号子程序调试
脉冲信号又P1.0产生,所以将P1.0连接至示波器观察,程序运行后,可以从示波器上观察到有7个连续的40KHZ脉冲循环出现。得到了所需要的脉冲信号,通过超声波发送回路,推动超声波换能器产生超声波。
5.1.3 温度传感器的调试
温度传感器和单片机只有一根数据线相连,调试思路是:把温度传感器中得到的数据显示在LCD上。温度传感器的操作时序要求较严格,由程序产生的时序和温度传感器要求的时序严格同步,进行编译仿真,当前温度显示在LCD上。
该部分调用的函数:uchar Treset(void) //温度传感器复位函数
uchar Tread(void) //读DS18B20寄存器数据
void Twrite(uchar val) //写温度传感器寄存器
GetT(void) //取得当前温度
Void distem(unchar pos,uchar num)//显示温度数据函数
5.2 实验结果
表5-1是利用本系统测距的数据,实际距离3米。
5.3 本章小结
本章分析了各主要模块的程序流程图及整个系统的调试及调试过程、环境,完成该章的设计,整个系统设计就完成了,达到了任务书上的具体要求。
DAMO开发者矩阵,由阿里巴巴达摩院和中国互联网协会联合发起,致力于探讨最前沿的技术趋势与应用成果,搭建高质量的交流与分享平台,推动技术创新与产业应用链接,围绕“人工智能与新型计算”构建开放共享的开发者生态。
更多推荐



所有评论(0)