WT2605C电动车仪表盘芯片方案:语音播报+手机APP蓝牙互联新体验
随着人工智能和物联网技术的发展,二轮电动车仪表盘正逐渐实现智能化。智能仪表盘不仅具备传统仪表盘的功能,还能提供导航、语音控制、智能诊断等更多元化的信息和服务。不同消费者群体对二轮电动车仪表盘的需求各不相同,市场呈现出多样化的特点。从基本型到智能型、多功能型等不同类型的仪表盘应有尽有

一、产品功能、背景及市场介绍
产品功能:
二轮电动车仪表盘是驾驶者获取车辆状态和性能信息的关键工具,它通过各种图标和指示器来展示车辆的运行状况。
产生背景:
随着全球电动车市场的不断扩大和消费者对高品质电动车仪表盘需求的增加,电动车仪表盘市场有望实现持续增长。各国政府对新能源汽车产业的支持力度不断加大,为电动车仪表盘市场提供了广阔的发展空间。政府通过提供税收优惠、补贴等政策鼓励企业研发和生产电动车仪表盘等关键零部件。
市场环境:
随着人工智能和物联网技术的发展,二轮电动车仪表盘正逐渐实现智能化。智能仪表盘不仅具备传统仪表盘的功能,还能提供导航、语音控制、智能诊断等更多元化的信息和服务。不同消费者群体对二轮电动车仪表盘的需求各不相同,市场呈现出多样化的特点。从基本型到智能型、多功能型等不同类型的仪表盘应有尽有,以满足不同消费者的需求。二轮电动车仪表盘技术更新换代速度较快,企业需要不断跟进技术发展趋势,以推出更具竞争力的产品。
目前市面上大多数二轮电动车仪表盘属于仪表的整机控制解决方案,缺乏带蓝牙语音播放实时状态和连接手机App,对一些年龄较大的一部分终端客户使用不够友好。在整机控制方案中加入WT2605C-32N音频蓝牙芯片,不仅成本低,外围电路简单,电池低电压语音播报、串口双向AT指令通讯,使交互开发更简单、开发时间缩短,提升客户友好体验感。
二、方案优势
1、元件少,成本低。
2、外围电路简单。
3、功能语音提示,如:电池低电压语音提示、超速语音提示,车速报警等等。
4、速度加速模拟引挚声浪等等。
5、串口双向AT指令通讯,使交互开发更简单,开发时间缩短。
6、可扩展蓝牙App应用。
三、具体应用案例
下面我们以WT2605C-32N芯片方案直观的呈现:
1)WT2605C-32N芯片的二轮电动车仪表盘方案直概述
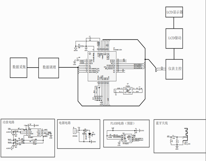
二轮电动车仪表盘由WT2605C-32N及处理电路、模数转换电路、外设按键电路、LCD驱动及显示器电路。
1、设计框图:

2、电路原理图

2)工作原理概述
首先通过外围数据采集区的传感器采集到信号,经过处理电路处理后给到WT2605C-32N芯片,通过软件算法计算出骑行速度、电池电量、电机温度、环境温度、刹停距离、滑停距离的具体数值通过串口数据给到仪表盘的主MCU。经过处理后在LCD的驱动下给出具体显示的数值。用户端通过小程序App连接蓝牙无线链路实现数据获取、设置及控制仪表盘等操作。
3)BOM表格
|
部位 |
型号特性概述 |
|
音频蓝牙芯片 |
WT2605C-32N |
|
MCU |
根据实际产品情况选用不同型号 |
|
电阻电容 |
根据实际产品情况选用不同型号 |
|
二、三极管 |
根据实际产品情况选用不同型号 |
|
扬声器 |
根据实际产品情况选用不同型号 |
|
各类传感器 |
根据实际产品情况选用不同型号 |
|
开关外设 |
根据实际产品情况选用不同型号 |
|
..... |
4)应用总结
二轮电动车仪表盘采用WT2605C-32N音频蓝牙芯片,相比于市面上的整机芯片而已言,降低开发难度。通过WT2605C-32N的串口+蓝牙AT指令方式实现高效的数据获取或访问操作。
四、基本功能、特点及应用框图
注:根据以下语音芯片的特性特点进行功能选型,以适用不同的应用场景和功能扩展。
Ø 芯片的工作电压范围 3.0V-5.0V
Ø 标准 UART 通信接口,可以灵活实现指定地址播放、指定文件名播放、指定文件夹内文件播放、音量级数、上下曲、播放停止、存储器切换和选择播放模式等
Ø 采用 WT2605 为核心,同时支持 SPI-FLASH、TF 卡、U 盘三种存储方式;SPI-FLASH 存放为固定音源区,可以使用 U 盘更换内容
Ø USB 接口实现主机、从机(USB 读卡器)自动切换和 USB 声卡功能
Ø 支持 FAT、FAT16、FAT32 文件系统,支持 MP3、WAV(PCM、IMA-ADPCM)
Ø 支持 U 盘离线升级程序
Ø 音频蓝牙有效距离可达 20 米
Ø 在 MP3 模式下,有 U 盘和 TF 卡时,先响应 U 盘,再响应 TF 卡
Ø 双模蓝牙功能符合蓝牙 5.0 和 BLE 规范
Ø 典型 TX 输出功率+2db
Ø 音频编解码器支持 16 位立体声 DAC 和两个通道 16 位 ADC
Ø 高性能立体声,ADC 具有 90dB 的信噪比
Ø 三组多功能 32 位定时器,支持捕获和 PWM 模式
Ø 支持定制功能:按键控制模式、红外控制模式等等
芯片功能框图

Ø 协议命令格式
标准 AT 串口模式 ,属于 3.3V TTL 电平接口。通讯数据格式是:(BT->MCU)TX 直接输出数据;数据位:8 位;奇偶位:无;停止位:1 位。使用电脑串口调试助手,需要正确设置串口的参数,设置如图:

注意:“命令”是指特定的英文词所组成的指令含义。“参数”是指命令词后,连接符“=”所指定的具体含义。“参数类型”有“=[logo]”“[index]”“[name]”“[path]”“[value]”“[step]”“[logo]”“[slogo]”“[dogo]”
注意:[logo]=“盘符”三种盘符类型“fat_nor、sd0、udisk0”,“sd0”=SD 卡盘、“udisk0”=U 盘、“fat_nor”=Flash 盘,所有的 Flash 语音播放都是指片外 FLash 的语音播放操作。主要可以先实现 FLash索引播放,插播等指令;另有 TF 卡和 U 盘外设设备语音播放等,主要可以先实现 TF 卡和 U 盘索引播放,指定文件名播放,插播,OTA 升级等指令;
蓝牙模式状态下:支持 Android、iOS、笔记本蓝牙、车载蓝牙等连接控制播放操作。




五、结尾
唯创知音作为一家专注于语音技术研究的高新技术企业,始终坚持以“服务好工程师”为目标,以行业语音交互器件标准化为方向,致力于让复杂变简单,提供快捷的语音、智能物联网应用解决方案。WT2605C-32N应用设计方案,在二轮电动车仪表盘等消费电子行业领域内已有成熟的应用案例。消费类电子产品应用是公司重要的发展领域,未来,唯创知音将在更多行业推出标准化语音芯片,进一步提升工程师的设计体验,为消费类电子行业标准化赋能。
DAMO开发者矩阵,由阿里巴巴达摩院和中国互联网协会联合发起,致力于探讨最前沿的技术趋势与应用成果,搭建高质量的交流与分享平台,推动技术创新与产业应用链接,围绕“人工智能与新型计算”构建开放共享的开发者生态。
更多推荐



所有评论(0)