MS2109高清采集卡 HDMI转USB2.0免驱,支持MJPEG & YUV数据格式 demo原理图介绍
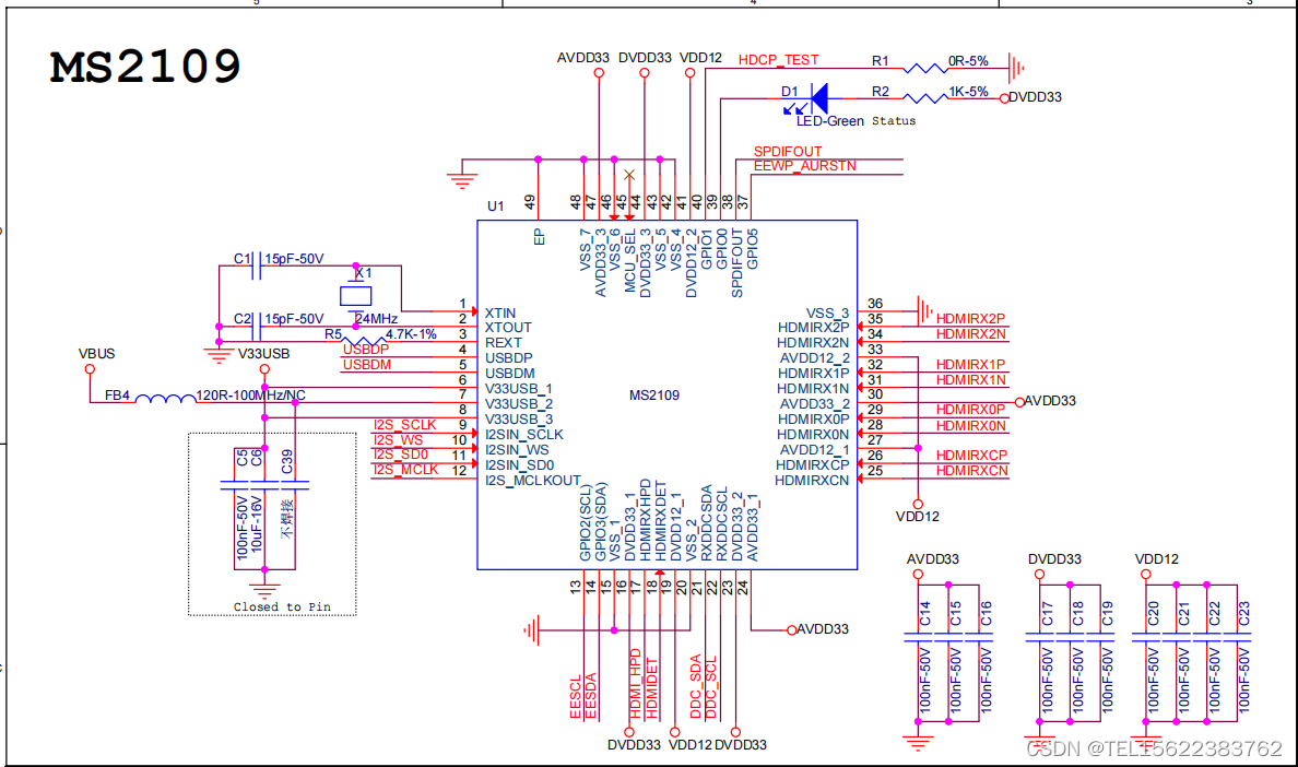
MS2109是一款高清视频采集芯片,内部集成USB2.0控制器和数据收发模块、HDMI RX模块和音视频处理模块。MS2109可以将HDMI 接口输出的音视频信号通过USB 接口传送到PC、智能手机或平板电脑上预览或采集。USB视频符合UVC规范,音频符合UAC规范,音频支持I2S输入和SPDIF输出,支持Windows、Android和MacOS 系统。
·
MS2109是一款高清视频采集芯片,内部集成USB2.0控制器和数据收发模块、HDMI RX模块和音视频处理模块。MS2109可以将HDMI 接口输出的音视频信号通过USB 接口传送到PC、智能手机或平板电脑上预览或采集。USB视频符合UVC规范,音频符合UAC规范,音频支持I2S输入和SPDIF输出,支持Windows、Android和MacOS 系统。
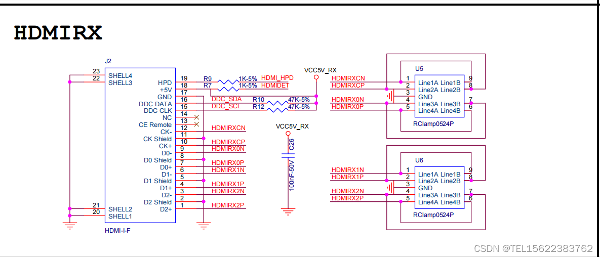
下面是MS2109的DEMO办原理图 详情如图所示:

DAMO开发者矩阵,由阿里巴巴达摩院和中国互联网协会联合发起,致力于探讨最前沿的技术趋势与应用成果,搭建高质量的交流与分享平台,推动技术创新与产业应用链接,围绕“人工智能与新型计算”构建开放共享的开发者生态。
更多推荐



所有评论(0)