PW6606原厂芯片原装正品,USB快充协议芯片,PD/QC协议自动通讯
CC1,CC2上外接的5.1K下拉电阻,可以实现USB PD的识别,DP,DM 可以实现除PD外的其他协议的识别。QC或者PD高压快充协议识别后,会根据 VSEL 设置诱骗对应电压,如 VSEL 设置为 15K 则诱骗 20V,诱骗端 20V 电压失败时,会自动降级诱骗 12V,二次诱骗 12V 失败,则会降压诱骗 9V,诱骗 9V 失败则会转到 AFC 协议诱骗 9V,诱骗 9V 失败,则会诱骗
FS313B芯片主要集成了PD,BC1.2,QC2.0以及AFC协议。 CC1,CC2上外接的5.1K下拉电阻,可以实现USB PD的识别,DP,DM 可以实现除PD外的其他协议的识别。当CC插入时, FS313B 优先选择PD协议,当PD协议握手失败后,会进行 BC1.2 的识别。如 BC1.2识别成功(DCP 模式),则进行QC2.0及AFC的判断。如QC2.0识别失败或者仅支持HVDCP模式,则继续访问AFC协议。如AFC协议失败握手,则以DCP模式进行充电。
特征
-
支持外部电阻或设置诱骗通讯电压:9V,12V,15V和20V
-
输入电压范围:3.3V~24V,D+,D-和CC1/CC2耐压24V保护
-
支持AFC 受电端协议
-
支持PD Sink协议
-
支持QC2.0受电端协议
-
集成 USB C UFP 协议
-
支持动态功率调配
-
封装形式: CPC8
应用
-
电动工具
-
无线充电器
-
路由器
-
小家电
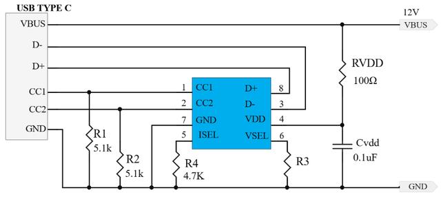
典型电路图


PIN ASSIGNMENT/DESCRIPTION

CPC8封装

测试:FS313B的6脚R3用15K,5脚的R4是NC悬空,R3=15,对应诱骗20V输出电压
1:FS313B使用C口的 PD快充 20W(5V-12V)充电器,PD诱骗成功输出12V。
2:使用C口的 PD快充 65W(5V-20V)充电器,PD诱骗成功输出20V。
3:使用A口的 18W(5V-12V)QC3.0快充充电器,QC诱骗成功输出12V。
4:使用A口的 PD 65W(5V-20V)快充充电器,QC诱骗成功输出20V。
QC或者PD高压快充协议识别后,会根据 VSEL 设置诱骗对应电压,如 VSEL 设置为 15K 则诱骗 20V,诱骗端 20V 电压失败时,会自动降级诱骗 12V,二次诱骗 12V 失败,则会降压诱骗 9V,诱骗 9V 失败则会转到 AFC 协议诱骗 9V,诱骗 9V 失败,则会诱骗 BC1.2 协议 5V。
亮点:
-
QC快充固定18W了,但是PD快充是18W- 100W,甚至更大, PW6606的5脚就是限PD功率的电流脚,如18W(12V1.5A)是 R3=4.7K R4= NC悬空, 如30W(15V2A)是R3=10k,R4=1K
2,封装小
封装信息
-
CPC8 (比MSOP8的MOS管封装小一点点)
DAMO开发者矩阵,由阿里巴巴达摩院和中国互联网协会联合发起,致力于探讨最前沿的技术趋势与应用成果,搭建高质量的交流与分享平台,推动技术创新与产业应用链接,围绕“人工智能与新型计算”构建开放共享的开发者生态。
更多推荐
所有评论(0)