USB TYPE-C数据线快充接口Emarker芯片适用于240W/48V/5A线材一线双芯五线方案
供电,应用于双芯方案。
·
产品概述:
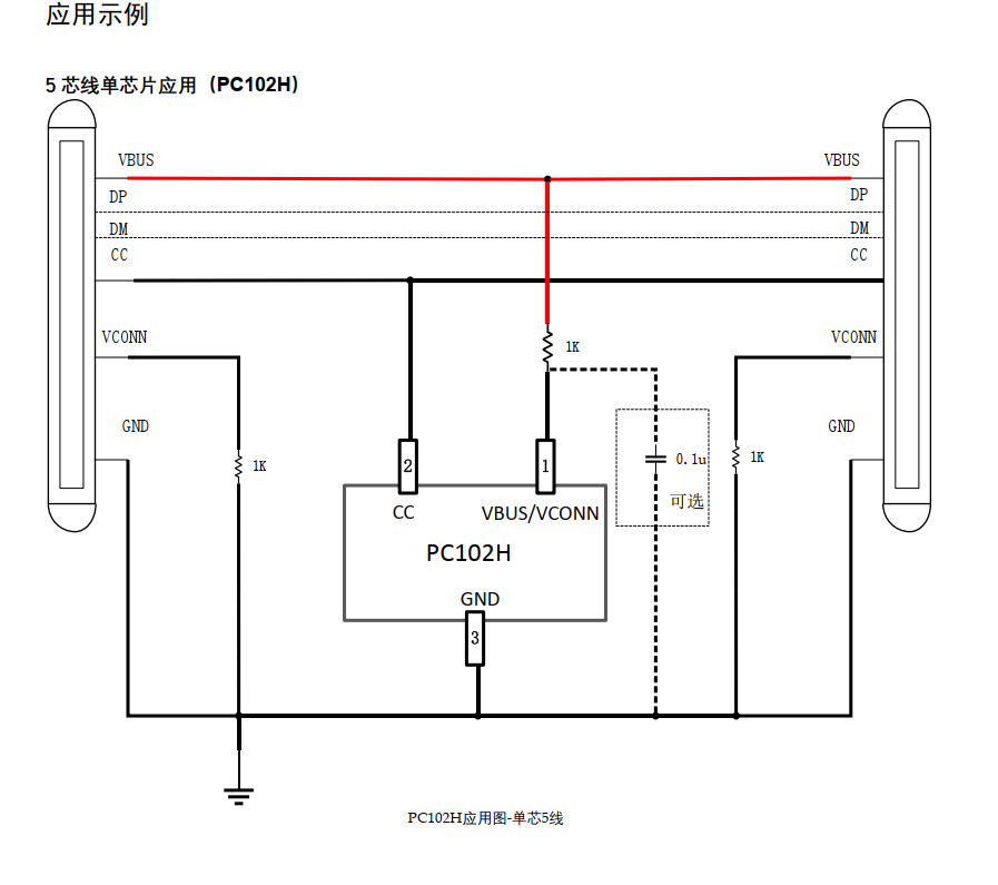
PC102H是一款USBType-C接口的eMarker它符合USBPD3.2协议。PC102H可以直接由VBUS串接1K电阻供电,支持60V VBUS,应用于5芯方案。PC1O2H可以由VCONN供电,应用于双芯方案。使用SOT23,小23极简封装。PC102H适用于功率为240W48V/5A的线材。


产品特征:
#符合PD3.2:支持SOP的通讯、集成收发器(BMCPHY)、同时支持结构化VDM版本
#VIN极宽工作电压范围:2.9V~42V
#VIN最低2.9V工作,支持VCONN直接供电
#VIN串接1K电阻后,最高支持50VVBUS
#VIN串接2K电阻+0.1UF电容后,最高支持60V VBUS
#CC耐压高达36V
#完美适配240W48V/5A线材应用
#封装:SOT23(小23封装)
应用领域:
#USB Type-C线缆
DAMO开发者矩阵,由阿里巴巴达摩院和中国互联网协会联合发起,致力于探讨最前沿的技术趋势与应用成果,搭建高质量的交流与分享平台,推动技术创新与产业应用链接,围绕“人工智能与新型计算”构建开放共享的开发者生态。
更多推荐


所有评论(0)