破拆机器人_固建智能建筑机器人究竟能够解决哪些建筑问题
这段时间就是高考的时间点了,想必很多都听过”高考不努力,工地做兄弟“这句玩笑话吧。其实你有没有想过现在工地可能搬砖都不要你了!听说过固建机器人的建筑机器人吗?干活麻利,技术一流。不需要吃饭,只要有电就行。不需要休息,无论白天黑夜,24小时工作乐此不疲。不用戴安全帽,也不存在人身安全问题。而且固建建筑机器人根据不同需求,都有着各异的长相和不同的功能。1、钢筋机器人以前建筑工地上大家都是人工一根一根或
这段时间就是高考的时间点了,想必很多都听过”高考不努力,工地做兄弟“这句玩笑话吧。其实你有没有想过现在工地可能搬砖都不要你了!
听说过固建机器人的建筑机器人吗?干活麻利,技术一流。不需要吃饭,只要有电就行。不需要休息,无论白天黑夜,24小时工作乐此不疲。不用戴安全帽,也不存在人身安全问题。而且固建建筑机器人根据不同需求,都有着各异的长相和不同的功能。
1、钢筋机器人
以前建筑工地上大家都是人工一根一根或者是一枪一枪的扎。而固建机器人的钢筋机器人是这样干的。它的机械臂在框架上移动,悬停在每个钢筋相交处,然后将钢筋捆绑在一起。框架在桥上移动,重复此过程。并且它能自动化操作,每完成一个钢筋捆扎动作仅需几秒,效率相当于6-8人团队工作。
看完了扎钢筋,我们就一起来看看焊接。
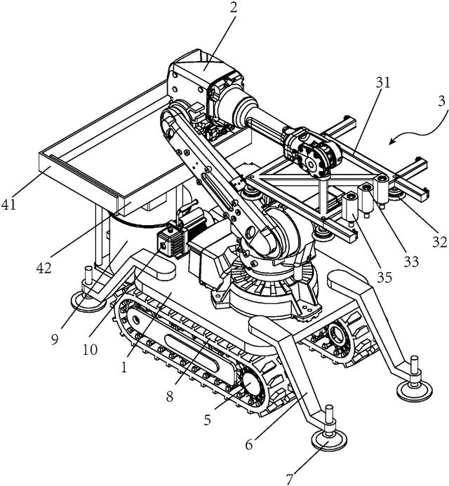
2、铝模板焊接机器人
不知道大家都有没有看到过工地上焊接,不管是炎热的酷暑还是冰冷的寒冬,工人们都要全副武装,因为长时间高强度的作业,对于工人来说都非常的危险。
现在固建机器人的焊接机器人来啦,相比较于传统的人工焊接,它可以不间断的焊接,以8小时工作计,一套固高焊接工作站的劳动效率约等于8-10名熟手焊工,用户两年内即可回收设备采购费用。而且因为装夹平台可以180度旋转,保证了工件的正反两面在焊接工艺上均可实现平焊,配合机器人焊接的稳定性,最大程度的减少了虚焊、脱焊的可能性。
3、地面铺砖机器人
铺砖可以说是一个纯体力活了,一天下来整个人都非常的劳累和辛苦,除了要消耗大量的体力外,工作效率也比较低,需要花大量的时间,质量也得不到保证。固建机器人这款地面铺砖机器人通过机械臂吸附瓷砖,并且安放到指定位置,速度快,效率高。当需要铺砖时,你只要启动这款机器人,它就可以自动进行作业,作业过程当中完全不需要人工干涉。
4、遥控破拆机器人
正所谓有建就有拆,但是拆迁现场环境恶劣,情况复杂,这不仅是个技术活,它的危险程度也是非常高的,通常人们会用炸药爆破或者挖掘机拆迁,这样施工的声音巨大,残留下来的建筑垃圾也很难清理。
针对这些问题固建机器人团队发明了拆迁机器人,这种机器人体积不大,干活又快又好。它的体积很小,机身宽度不到60公分。借助一种精确重现人们动作的遥控臂全程遥控,完成操作中的装备和工具更换等复杂动作。这个设备非常适合在对人类有危险的高危环境下,进行现场探测,瓦砾清除,室内拆除和废物处理等作业。
随着人力成本的不断攀升,劳动力资源的短缺,未来,固建机器人将会让越来越多的机器人将会加入到建筑行业的队伍。
DAMO开发者矩阵,由阿里巴巴达摩院和中国互联网协会联合发起,致力于探讨最前沿的技术趋势与应用成果,搭建高质量的交流与分享平台,推动技术创新与产业应用链接,围绕“人工智能与新型计算”构建开放共享的开发者生态。
更多推荐

所有评论(0)