计算机系统基础:存储器读写和存储容量扩展实验
一、实验目的1.掌握存储器的读/写周期2.掌握存储器容量的扩展方法二、实验设备EL-JY-II型计算机组成原理实验系统一套,排线若干三、实验内容1.利用Logisim软件模拟存储器的读/写周期;2.在EL-JY-II型实验仪上完成存储器数据的读写;3.利用Logisim软件实现存储器容量的扩展;四、实验步骤1.存储器的读/写周期模拟(1) 在Logisim中画出如下(图5-1)存储器读写电路:2)
一、实验目的
1.掌握存储器的读/写周期
2.掌握存储器容量的扩展方法
二、实验设备
EL-JY-II型计算机组成原理实验系统一套,排线若干
三、实验内容
1.利用Logisim软件模拟存储器的读/写周期;
2.在EL-JY-II型实验仪上完成存储器数据的读写;
3.利用Logisim软件实现存储器容量的扩展;
四、实验步骤
1.存储器的读/写周期模拟
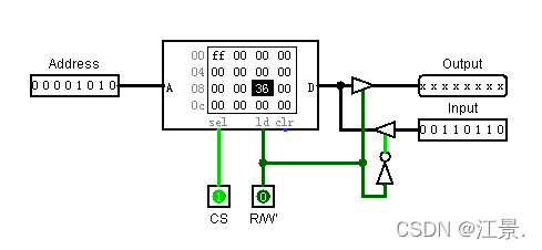
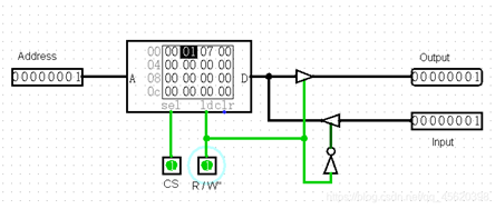
(1) 在Logisim中画出如下(图5-1)存储器读写电路:
2) 其中RAM的设置如下:
(3) 请画出对应于该图的正确的存储器读/写周期波形图;
a) 读周期波形
b) 写周期波形
(4) 设计一个操作流程,该流程能够先在存储单元中存储2个数据,然后再依次读出。


2.存储器操作
参考EL-JY-II型实验仪配套的实验指导,在EL-JY-II型实验仪上完成存储器读写实验。
3.存储器容量的扩展
请利用1K8的芯片组成4K16的存储器,并画出电路图。

五、 实验心得
1.了解存储器拓展的组合功能及其工作原理,能够完成位拓展,字拓展,位字拓展,能够画出拓展后的连接图,字拓展时需要注意片选的线路连接,不能简单地都连上。
2. 此次实验是键盘输入来实现存储器读写的,只是键盘有点陈旧,点击起来比较麻烦,实验还是比较简单的。
3. Logisim的功能是挺多的,可以用来测试电路,也可以根据真值表来生成电路,这可以省去绘制电路图的时间,通过此次实验,对Logisim的使用更加熟悉。
4.通过实际操作,让我对于其功能也不仅停留在纸面上了,通过实验动手,对其内部处理有了进一步了解,从而加强了对其功能的深刻理解。
DAMO开发者矩阵,由阿里巴巴达摩院和中国互联网协会联合发起,致力于探讨最前沿的技术趋势与应用成果,搭建高质量的交流与分享平台,推动技术创新与产业应用链接,围绕“人工智能与新型计算”构建开放共享的开发者生态。
更多推荐



所有评论(0)