多用途气动机器人结构设计
本文详细介绍了通用气动机械手的整体设计方案及关键部件结构。采用圆柱坐标式机械手,具有升降、收缩、回转及摆动四个自由度。手部采用V型两指回转型夹持结构,配备齿轮齿条式驱动装置。手腕选用回转气缸实现方位调整,手臂采用标准气缸实现伸缩运动。控制系统选用OMRON C28P型PLC,通过循环扫描方式实现点位控制。文章重点阐述了机械手的结构选型、驱动计算、气路设计及PLC控制流程,为通用上下料机械手的开发提
第二章 机械手的整体设计方案
对气动机械手的基本要求是能快速、准确地拾-放和搬运物件,这就要求它们具有高精度、快速反应、一定的承载能力、足够的工作空间和灵活的自由度及在任意位置都能自动定位等特性。设计气动机械手的原则是:充分分析作业对象(工件)的作业技术要求,拟定最合理的作业工序和工艺,并满足系统功能要求和环境条件;明确工件的结构形状和材料特性,定位精度要求,抓取、搬运时的受力特性、尺寸和质量参数等,从而进一步确定对机械手结构及运行控制的要求;尽量选用定型的标准组件,简化设计制造过程,兼顾通用性和专用性,并能实现柔性转换和编程控制.本次设计的机械手是通用气动上下料机械手(如图2-1所示),是一种适合于成批或中、小批生产的、可以改变动作程序的自动搬运或操作设备,动作强度大和操作单调频繁的生产场合。它可用于操作环境恶劣的场合。

图2-1机械手的整体机械结构
2.1 机械手的座标型式与自由度
按机械手手臂的不同运动形式及其组合情况,其座标型式可分为直角座标式、圆柱座标式、球座标式和关节式。由于本机械手在上下料时手臂具有升降、收缩及回转运动,因此,采用圆柱座标型式。相应的机械手具有三个自由度,为了弥补升降运动行程较小的缺点,增加手臂摆动机构,从而增加一个手臂上下摆动的自由度。(如图2-2所示)
第三章 手部结构设计
3.1 夹持式手部结构
夹持式手部结构由手指(或手爪)和传力机构所组成。其传力结构形式比较多,如滑槽杠杆式、斜楔杠杆式、齿轮齿条式、弹簧杠杆式等。
3.1.1手指的形状和分类
夹持式是最常见的一种,其中常用的有两指式、多指式和双手双指式:按手指夹持工件的部位又可分为内卡式(或内涨式)和外夹式两种:按模仿人手手指的动作,手指可分为一支点回转型,二支点回转型和移动型(或称直进型),其中以二支点回转型为基本型式。当二支点回转型手指的两个回转支点的距离缩小到无穷小时,就变成了一支点回转型手指;同理,当二支点回转型手指的手指长度变成无穷长时,就成为移动型。回转型手指开闭角较小,结构简单,制造容易,应用广泛。移动型应用较少,其结构比较复杂庞大,当移动型手指夹持直径变化的零件时不影响其轴心的位置,能适应不同直径的工件。
3.1.2设计时考虑的几个问题
(一)具有足够的握力(即夹紧力)
在确定手指的握力时,除考虑工件重量外,还应考虑在传送或操作过程中所产生的惯性力和振动,以保证工件不致产生松动或脱落。
(二)手指间应具有一定的开闭角
两手指张开与闭合的两个极限位置所夹的角度称为手指的开闭角。手指的开闭角应保证工件能顺利进入或脱开,若夹持不同直径的工件,应按最大直径的工件考虑。对于移动型手指只有开闭幅度的要求。
(三)保证工件准确定位
为使手指和被夹持工件保持准确的相对位置,必须根据被抓取工件的形状,选择相应的手指形状。例如圆柱形工件采用带“V”形面的手指,以便自动定心。
(四)具有足够的强度和刚度
手指除受到被夹持工件的反作用力外,还受到机械手在运动过程中所产生的惯性力和振动的影响,要求有足够的强度和刚度以防折断或弯曲变形,当应尽量使结构简单紧凑,自重轻,并使手部的中心在手腕的回转轴线上,以使手腕的扭转力矩最小为佳。
(五)考虑被抓取对象的要求
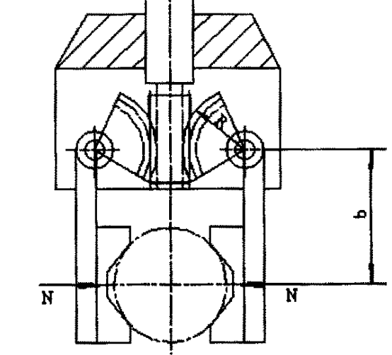
根据机械手的工作需要,通过比较,我们采用的机械手的手部结构是一支点, 两指回转型,由于工件多为圆柱形,故手指形状设计成V型,其结构如附图所示。
3.1.3手部夹紧气缸的设计
1、手部驱动力计算
本课题气动机械手的手部结构如图3-1所示:

图3-1齿轮齿条式手部
其工件重量G=5公斤,

第四章 手腕结构设计
4.1 手腕的自由度
手腕是连接手部和手臂的部件,它的作用是调整或改变工件的方位,因而它具有独立的自由度,以使机械手适应复杂的动作要求。手腕自由度的选用与机械手的通用性、加工工艺要求、工件放置方位和定位精度等许多因素有关。由于本机械手抓取的工件是水平放置,同时考虑到通用性,因此给手腕设一绕x轴转动回转运动才可满足工作的要求目前实现手腕回转运动的机构,应用最多的为回转油(气)缸,因此我们选用回转气缸。它的结构紧凑,但回转角度小于,并且要求严格的密封。
4.2 手腕的驱动力矩的计算
4.2.1手腕转动时所需的驱动力矩
手腕的回转、上下和左右摆动均为回转运动,驱动手腕回转时的驱动力矩必须克服手腕起动时所产生的惯性力矩,手腕的转动轴与支承孔处的摩擦阻力矩,动片与缸径、定片、端盖等处密封装置的摩擦阻力矩以及由于转动件的中心与转动轴线不重合所产生的偏重力矩.图4-1所示为手腕受力的示意图。
第五章 手臂伸缩,升降,回转气缸的尺寸设计与校核
5.1 手臂伸缩气缸的尺寸设计与校核
5.1.1 手臂伸缩气缸的尺寸设计
手臂伸缩气缸采用烟台气动元件厂生产的标准气缸,参看此公司生产的各种型号的结构特点,尺寸参数,结合本设计的实际要求,气缸用CTA型气缸,尺寸系列初选内径为100/63,关于此气缸的资料详情请参看烟台气动元件厂公司主页:
www.bota.cn/products.asp.
5.1.2 尺寸校核
- 在校核尺寸时,只需校核气缸内径=63mm,半径R=31.5mm的气缸的尺寸满足使用要求即可,设计使用压强,


各通行机构的调速,凡是能采用排气口节流方式的,都在电磁阀的排气口安装节流阻尼螺钉进行调节,这种方法的特点是结构简单效果好。如平臂伸缩气缸在接近气缸处安装两个快速排气阀,可加快启动速度,也可调节全程的速度。升降气缸采用气节流的单向节流阀以调节手臂的上升速度,由于手臂靠自重下降,其速度调节仍采用在电磁阀排气口安装节流阻尼螺钉来完成。气液传送器气缸的排气节流,可用来调整回转液压缓冲器的背压大小。
为简化气路,减少电磁阀的数量,各工作气缸的缓冲均采用液压缓冲器,这样可以省去电磁阀和切换节流阀或行程节流阀的气路阻尼元件。
电磁阀的通径,是根据各工作气缸的尺寸,行程,速度计算出所需压缩空气流量,与选用的电磁阀在压力状态下的公称使用流量相适应来确定的。
第七章 机械手的PLC控制系统设计
考虑到机械手的通用性,同时使用点位控制,因此我们采用可编程序控制器(PLC)对机械手进行控制.当机械手的动作流程改变时,只需改变PLC程序即可实现,非常方便快捷。
7.1 可编程序控制器的选择及工作过程
7.1.1 可编程序控制器的选择
目前,国际上生产可编程序控制器的厂家很多,如日本三菱公司的F系列PC,德国西门子公司的SIMATIC N5系列PC、日本OMRON(立石)公司的C型、P型PC等。考虑到本机械手的输入输出点不多,工作流程较简单,同时考虑到制造成本,因此在本次设计中选择了OMRON公司的C28P型可编程序控制器。
7.1.2 可编程序控制器的工作过程
可编程序控制器是通过执行用户程序来完成各种不同控制任务的。为此采用了循环扫描的工作方式。具体的工作过程可分为四个阶段。
第一阶段是初始化处理。
可编程序控制器的输入端子不是直接与主机相连,CPU对输入输出状态的询问是针对输入输出状态暂存器而言的。输入输出状态暂存器也称为I/0状态表.该表是一个专门存放输入输出状态信息的存储区。其中存放输入状态信息的存储器叫输入状态暂存器;存放输出状态信息的存储器叫输出状态暂存器。开机时,CPU首先使I/0状态表清零,然后进行自诊断。当确认其硬件工作正常后,进入下一阶段。
第二阶段是处理输入信号阶段。
在处理输入信号阶段,CPU对输入状态进行扫描,将获得的各个输入端子的状态信息送到I/0状态表中存放。在同一扫描周期内,各个输入点的状态在I/0状态表中一直保持不变,不会受到各个输入端子信号变化的影响,因此不能造成运算结果混乱,保证了本周期内用户程序的正确执行。
第三阶段是程序处理阶段。
当输入状态信息全部进入I/0状态表后,CPU工作进入到第三个阶段。在这个阶段中,可编程序控制器对用户程序进行依次扫描,并根据各I/0状态和有关指令进行运算和处理,最后将结果写入I/0状态表的输出状态暂存器中。
第四阶段是输出处理阶段。
CPU对用户程序已扫描处理完毕,并将运算结果写入到I/0状态表状态暂存器中。此时将输入信号从输出状态暂存器中取出,送到输出锁存电路,驱动输出继电器线圈,控制被控设备进行各种相应的动作。然后,CPU又返回执行下一个循环的扫描周期。
7.2 可编程序控制器的使用步骤
在可编程序控制器与被控对象(机器、设备或生产过程)构成一个自动控制系统时,通常以七个步骤进行:
(1)系统设计
即确定被控对象的工作原理,控制要求,动作及动作顺序。
(2)I/0分配
即确定哪些信号是送到可编程序控制器的,并分配给相应的输入端号;哪些信号是由可编程序控制器送到被控对象的,并分配相应的输出端号.此外,对用到的可编程序控制器内部的计数器、定时器等也要进行分配。可编程序控制器是通过编号来识别信号的。
(3)画梯形图
它与继电器控制逻辑的梯形图概念相同,表达了系统中全部动作的相互关系。如果使用图形编程器(LCD或CRT),则画出梯形图相当于编制出了程序,可将梯形图直接送入可编程序控制器。对简易编程器,则往往要经过下一步的助记符程序转换过程。
(4)助记符机器程序
相当于微机的助记符程序,是面向机器的(即不同厂家的可编程序控制器,助记符指令形式不同),用简易编程器时,应将梯形图转化成助记符程序,才能将其输入到可编程序控制器中。
(5)编制程序
即检查程序中每条语法错误,若有则修改。这项工作在编程器上进行。
(6)调试程序
即检查程序是否能正确完成逻辑要求,不合要求,可以在编程器上修改。程序设计(包括画梯形图、助记符程序、编辑、甚至调试)也可在别的工具上进行。如IBM-PC机,只要这个机器配有相应的软件。
(7)保存程序
调试通过的程序,可以固化在EPROM中或保存在磁盘上备用。
DAMO开发者矩阵,由阿里巴巴达摩院和中国互联网协会联合发起,致力于探讨最前沿的技术趋势与应用成果,搭建高质量的交流与分享平台,推动技术创新与产业应用链接,围绕“人工智能与新型计算”构建开放共享的开发者生态。
更多推荐



所有评论(0)