电动关节机械手
本文摘要: 第二章介绍了机器人机械手的结构设计,重点分析了手部机构的类型与选型标准,包括钳爪式、磁吸式、气吸式等常见形式,详细阐述了钳爪式手部的12种具体结构及其夹紧力计算要求。手腕设计部分讨论了自由度配置和驱动力矩计算方法,手臂伸缩结构则给出了尺寸设计与校核方案。第三章阐述了基于微型计算机的分层控制系统架构,包括主CPU板、I/O板等硬件组成,并具体说明了8279芯片的引脚功能。全文系统性地呈现
第2章 结构的设计
2.1手部机构
手部机构是机器人机械手直接与工件、工具等接触的部件,它能执行人手的部分功能。目前,根据被抓取工件、工件等的形状、尺寸、重量、易碎性、表面粗糙度的不同,在工业生产中使用着多种形式的手部机构,最常见的是钳爪式、磁吸式和气吸式,也有少数的特殊形式。不同形式的手部机构其夹紧力的计算各有不同。
钳爪式手部机构是最常见的形式之一。手爪有两个、三个或多个,其中两个的最多。抓取工件的方式有两种:外卡式和内撑式。从其机械机构特征、外观与功用来看,有多种形式,它们分别是:
(1)拨杆杠杆式钳爪
(2)平行连杆式钳爪
(3)齿轮齿条移动式钳爪
(4)重力式钳爪
(5)自锁式钳爪
(6)自动定心钳爪
(7)抓取不同直径工件的钳爪
(8)具有压力接触销的钳爪
(9)抓勾与定位销十钳爪
(10)复杂形状工件用的自动调整式钳爪
(11)同时抓取一对工件的钳爪与内撑式三指钳爪
(12)特殊式手指钳爪
同时对钳爪的选用也非常重要,应考虑以下几个方面:
1应具有足够的夹紧力,这样才能防止工件在移动过程中脱落,一般夹紧力为工件重量的2到3倍。
2应具有足够的张开角,来适应它抓取和松开工件之间较大的直径范围,而且夹持工件中心位置变化要小(即定位误差小)。
3应具有足够的强度和刚度,以免承受在运动过程中产生的惯性力和震动的影响。
4应能保证工件的可靠定位
5应适应被抓取对象的要求
6尽可能具有一定的通用性
夹持式手部结构由手指(或手爪)和传力机构所组成。其传力结构形式比较多,如滑槽杠杆式、斜楔杠杆式、齿轮齿条式、弹簧杠杆式等。
2.1.1手指的形状和分类
夹持式是最常见的一种,其中常用的有两指式、多指式和双手双指式:按手指夹持工件的部位又可分为内卡式(或内涨式)和外夹式两种:按模仿人手手指的动作,手指可分为一支点回转型,二支点回转型和移动型(或称直进型),其中以二支点回转型为基本型式。当二支点回转型手指的两个回转支点的距离缩小到无穷小时,就变成了一支点回转型手指;同理,当二支点回转型手指的手指长度变成无穷长时,就成为移动型。回转型手指开闭角较小,结构简单,制造容易,应用广泛。移动型应用较少,其结构比较复杂庞大,当移动型手指夹持直径变化的零件时不影响其轴心的位置,能适应不同直径的工件。
(四)具有足够的强度和刚度
手指除受到被夹持工件的反作用力外,还受到机械手在运动过程中所产生的惯性力和振动的影响,要求有足够的强度和刚度以防折断或弯曲变形,当应尽量使结构简单紧凑,自重轻,并使手部的中心在手腕的回转轴线上,以使手腕的扭转力矩最小为佳。
(五)考虑被抓取对象的要求
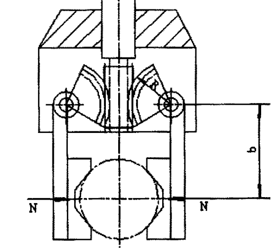
根据机械手的工作需要,通过比较,我们采用的机械手的手部结构是一支点, 两指回转型,由于工件多为圆柱形,故手指形状设计成V型,其结构如附图所示。
2.1.3手部夹紧的设计
1、手部驱动力计算
本课题电动机械手的手部结构如图2-1所示:
图2-1齿轮齿条式手部
其工件重量G=10公斤,
2.2 手腕结构设计
2.2.1 手腕的自由度
手腕是连接手部和手臂的部件,它的作用是调整或改变工件的方位,因而它具有独立的自由度,以使机械手适应复杂的动作要求。手腕自由度的选用与机械手的通用性、加工工艺要求、工件放置方位和定位精度等许多因素有关。由于本机械手抓取的工件是水平放置,同时考虑到通用性,因此给手腕设一绕x轴转动回转运动才可满足工作的要求目前实现手腕回转运动的机构,因此我们选用。它的结构紧凑,但回转角度小于,并且要求严格的密封。
2.2.2 手腕的驱动力矩的计算
手腕转动时所需的驱动力矩
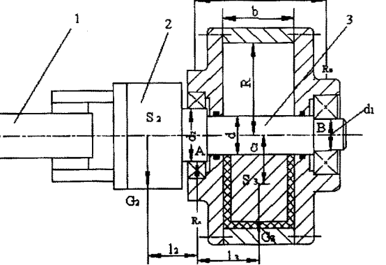
手腕的回转、上下和左右摆动均为回转运动,驱动手腕回转时的驱动力矩必须克服手腕起动时所产生的惯性力矩,手腕的转动轴与支承孔处的摩擦阻力矩,动片与径、定片、端盖等处密封装置的摩擦阻力矩以及由于转动件的中心与转动轴线不重合所产生的偏重力矩.图2-2所示为手腕受力的示意图。

1.工件2.手部3.手腕
图2-2手碗回转时受力状态
2.3手臂伸缩,升降,的尺寸设计与校核
2.3.1 手臂伸缩的尺寸设计与校核
手臂伸缩的尺寸设计
手臂伸缩采用烟台气动元件厂生产的标准,参看此公司生产的各种型号的结构特点,尺寸参数,结合本设计的实际要求,尺寸系列初选内径为100/63。
尺寸校核
- 在校核尺寸时,只需校核内径=63mm,半径R=31.5mm的的尺寸满足使用要

第3章 控制系统设计
由于微型计算机具有体积小,可靠性高,灵活性强,易于配置,功能丰富及价格便宜等特点,采用微型计算机对工业机器人进行控制,已经成为当今机器人控制技术研究和发展的主流。
机械手的控制系统,原则上可分为点位控制与连续轨迹控制两大类。点位控制只要求按规定精度从起始点到达预定点,而对移动路径不做要求。连续轨迹不仅与运动的起点与终点有关,还必须保证运动轨迹与设计轨迹一致。因此,在连续轨迹控制中要进行轨迹设计,并对任意运动轨迹进行补插(补间)运算。为了机器人运动平稳,就必须保证机器人的运动速度、加速度连续,这无疑也需要进行复杂的运算。
微型计算机对机器人的控制,一般采用分层控制的方法。第一层为最高层,其任务是识别工作空间,并据此决定如何完成给定的任务;第二层是决策层,其任务是将给定的操作分成基本的运动;第三层是策略层,其工能是将基本的运动转化成各自由度的运动;第四层是执行层,它将控制机器人完成各自由度的运动。其中第一层及第二层属于人工智能的范畴,机器人的控制主要是研究第三、第四层。
微型计算机种类很多,一般均由以下三部分组成。
A. 中央处理器CPU,或称微处理器MPU。
B. 内存储器,即主记忆装置ROM及RAM 。
C. 输入输出装置I/O,或称接口装置,联系这些装置的为三条总线,即数据总线DB,地址总线AB及控制总线CB。
不同型号的微型计算机主要是中央处理器CPU的内容的功能不同,因而有不同的指令系统和汇编语言。由于外部设备之不同以及是否用于实时控制,其I/O接口装置因而很大差异。RAM和ROM 的存储量大小直接影响计算机的应用范围。但一般微型计算机都可以在原有存储量的基础上加以扩充。
本机器人的控制系统的组织结构如图3-1。它由主CPU板、I/O板、控制面板、示教盒、伺服板、和稳压电源板等组成。

图3-1控制系统组织结构图
8279的引脚及功能如图所示:

D0~D7(数据总线):双向、三态总线和系统数据相连,用于CPU 和8279间的数据/命令传送。
CLK(系统时钟):输入线,为8279提供内部时钟的输入端。
RESET(复位):输入线,当RESET=1时,8279复位,其复位状态为:16字符显示,编码扫描键盘-双键锁定。
CS(片选):输入线,当CS=0时8279被选中,允许CPU对其读、写,否则被显示。
A0(数据选择):输入线,当A0=1时CPU写入数据为命令字,读出数据为状态字,A0=0时CPU读、写的字节均为数据。
RD、WR(读、写信号):输入线,低电平有效,来自CPU的控制信号,控制8279的读、写操作。
IRQ(中断申请):输出线。高电平有效。
SL0~SL3(扫描线):输出线。用来扫描键盘和显示器,它们可以编程设定为编码(4中取1)或译码输出。
RL0~RL7(回复线矩阵或传感器矩阵的列(或行)信号输出线。
SHIFT(移位信号):输出线,高电平有效,该输入信号是8279键盘数据的次高位。
CNTL/STB(控制/选通):输入线,高电平有效。
OUTA0~OUTA3(A组显示信号):输出线 这两组都是显
OUTB0~OUTB3(B组显示信号):输出线 示信号输出线,
与多位数字显
示的扫描线
SL0~SL3同步。
BD(显示消隐):输出线,低电平有效,该信号在数字切换显示或使用消隐命令时,将显示消隐。
DAMO开发者矩阵,由阿里巴巴达摩院和中国互联网协会联合发起,致力于探讨最前沿的技术趋势与应用成果,搭建高质量的交流与分享平台,推动技术创新与产业应用链接,围绕“人工智能与新型计算”构建开放共享的开发者生态。
更多推荐


所有评论(0)