数字芯片设计指南之几个微流片设计(已开源)
该设计是一个 40 位移位寄存器,带有硬编码的 40 位数字。挑战在于找到正确的 40 位以使输出达到高电平。书中的 1 位 ALU Structured Computer Organization: Andrew S. Tanenbaum。使用 16 位斐波那契线性反馈移位寄存器的伪随机数发生器。tinytapeout-HELLo-3或Ld-7seg。在生命的游戏中决定细胞命运的逻辑:死亡、活着
|
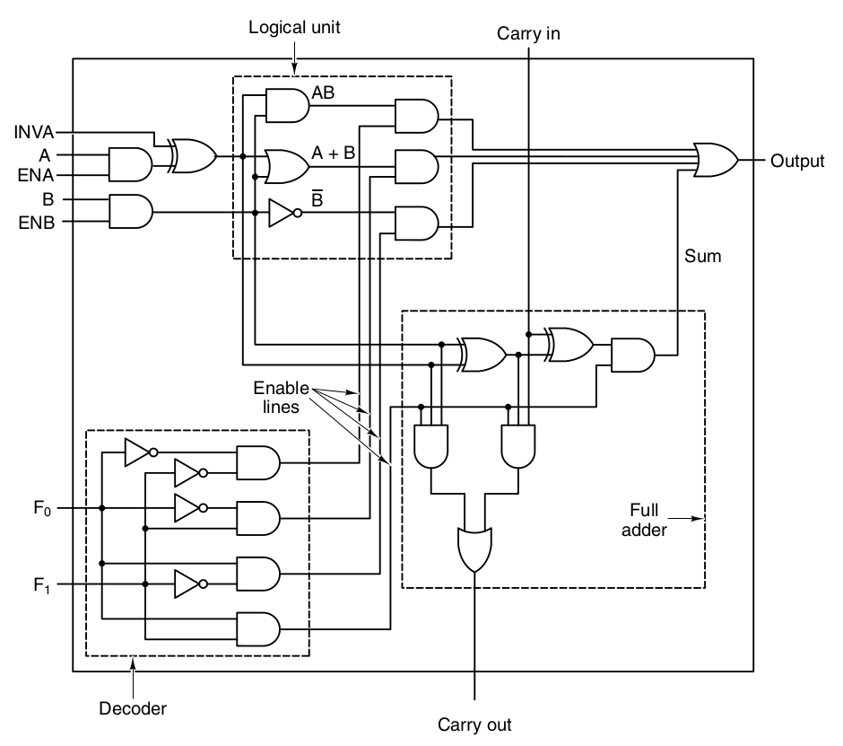
1 位 ALU |
|
|
作者 |
利奥慕时 |
|
描述 |
书中的 1 位 ALU Structured Computer Organization: Andrew S. Tanenbaum |
|
链接 |
|
|
图片 |
|
|
桶形移位器 |
|
|
作者 |
约翰内斯·霍夫(Johannes Hoff) |
|
描述 |
将 6 位数字向左移动 0-3 位 |
|
链接 |
|
2x 1 至 4 分频器 |
|
|
作者 |
塞思·克尔 |
|
描述 |
一种简单的基于触发器的分频器 |
|
链接 |
|
BCD转十进制解码器 |
|
|
作者 |
林金根 |
|
描述 |
将 BCD 输入转换为十进制输出 |
|
链接 |
|
|
图片 |
|
|
BCD 至 7 段解码器 |
|
|
作者 |
林金根 |
|
描述 |
将 BCD 输入转换为 7 段显示输出 |
|
链接 |
|
|
图片 |
|
|
红绿灯 FSM |
|
|
作者 |
克里斯蒂安·菲比奇 |
|
描述 |
FSM控制两个(红-黄-绿)交通信号灯 |
|
链接 |
|
生命游戏 - 细胞邻居计数 |
|
|
作者 |
乌里·沙克德(Wokwi) |
|
描述 |
在生命的游戏中决定细胞命运的逻辑:死亡、活着或复活 |
|
链接 |
|
Shiftregister 挑战赛 40 位 |
|
|
作者 |
托尔斯滕·诺尔 |
|
描述 |
该设计是一个 40 位移位寄存器,带有硬编码的 40 位数字。挑战在于找到正确的 40 位以使输出达到高电平。对于所有其他数字,输出将很低。 |
|
链接 |
|
|
图片 |
|
|
tinytapeout-HELLo-3或Ld-7seg |
|
|
作者 |
拉克什·彼得 |
|
描述 |
HELLo-3orLd Runner on 7 段显示器 |
|
链接 |
|
|
图片 |
|
|
狼羊白菜渡河拼图ASIC设计(🐺🐐🥬🚣) |
|
|
作者 |
梅乌 |
|
描述 |
以互动方式玩狼、山羊和卷心菜拼图。 |
|
链接 |
|
|
图片 |
|
|
8x8 位码型播放器 |
|
|
作者 |
托尔斯滕·诺尔 |
|
描述 |
8x8 位串行可编程、可寻址和可播放存储器。 |
|
链接 |
|
|
图片 |
|
|
LAB11型 |
|
|
作者 |
托马斯·撒迦利亚 |
|
描述 |
循环浏览 LAB11 的角色 |
|
链接 |
|
|
图片 |
|
|
伪随机数生成器 |
|
|
作者 |
托马斯·伯姆<thomas.bohm@gmail.com > |
|
描述 |
使用 16 位斐波那契线性反馈移位寄存器的伪随机数发生器 |
|
链接 |
DAMO开发者矩阵,由阿里巴巴达摩院和中国互联网协会联合发起,致力于探讨最前沿的技术趋势与应用成果,搭建高质量的交流与分享平台,推动技术创新与产业应用链接,围绕“人工智能与新型计算”构建开放共享的开发者生态。
更多推荐











所有评论(0)