开源分享|基于AI8051U的无线充电发射器项目开源啦!
基于AI8051U的无线充电发射器项目开源啦!请大家严格按照使用说明及注意事项进行使用!
目录
一、无线充电发射器接口
LQ-AI8051U无线充电·开源分享
LQ_AI8051U无线充电发射器资料250113
开源: https://pan.baidu.com/s/1I96FCjUzTKseDlxCv5xVpw 提取码: uy9k
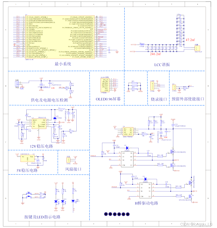
无线充电发射器原理图
-
电源接口为XT60接口,发射器请使用12~26V电源供电,可选用3S~6S电池供电,前期调试建议使用带有电流保护的电源供电。限制功率200W时,供电电压24V,电源供电电流应大于10A;限制功率500W时,供电电压24V,电源供电电流应大于25A。如果使用更高功率或其他供电电压充电,同学们请自己计算供电需要额定电流(I=P/U),供电额定功率必须大于发射器限制功率,额定功率低会烧毁无线充电发射器或供电电源。
- 发射线圈:发射线圈外径13.3CM,感抗约32uH。无线充电发射器上电之前必须焊接线圈。
- 屏幕:无线充电发射器自带一块OLED显示屏幕,通过屏幕可查看控制器供电电压,系统供电电流和功率等信息。
- 按键:无线充电发射器自带两个按键,通过按键可控制发射器输出电能状态和调整发射器输出模式。
- 风扇接口:风扇接口供电电压和电源接口电压一样,如果使用24V电源供电,请选用24V风扇散热,如果使用12V电源供电,请选用12V风扇散热。使用发射器时需要配备散热风扇,防止因高温烧毁发射器。
- UART:程序烧录接口,可连接USB转TTL进行程序烧录。
二、使用方法
无线充电发射器没有供电开关,接入电源后即可上电,无线充电谐振频率为150Khz。
- 模块上电后,屏幕会显示choice model(模式选择),可通过按键选择有电能输出保护和无电能输出保护。

有电能输出保护(Astrict):输出设定电能(单位:焦耳)后自动停止输出,防止超级电容过充。无电能输出保护(No Astrict):无电能输出限制,一直处于工作状态。
2. 通过按键K1和K2选择模式,是否需要电能输出保护,K1有输出保护,K2无输出保护。前期调试最好选择带电能输出保护模式,防止超级电容过充造成危险。
3. 有限制输出保护功能
(1) 进入有限制输出保护功能工作界面后,LED等快闪,系统为待机状态,界面显示信息如下:

第二行:系统输出状态:OUT:OFF/ON;
第三行:系统工作电流I和供电电压U;
第四行:系统输出功率/额定功率;
第五行:输出电能/设定的额定电能
(2) 长按按键K2进入输出额定电能设置界面进入界面后可通过K1、K2按键调整额定输出电能值,根据不同超级电容,设定对应的额定电能。(超级电容接收电能按发射器额定电能75%计算)
超级电容计算储能公式为:J=0.5*C*U*U(J是指焦耳;C是超级电容组容量,单位法拉;U是超级电容组电压)。
超级电容组容量:
1/C=1/C1+1/C2+1/C3……;超级电容组电压:U=每个电容的电压之和;
例:5个100F/3V电容串联:
电容C=100/5=20F;
电压U=3*5=15V;
充电到12V时储能:
J=0.5*C*U*U=0.5*20*12*12=1440J
以下是常用超级电容储能值,所有参数由超级电容从0V充电到12V计算所得
|
超级电容容量C (F) |
充电到12V储能(J) |
|
5串10F(2F) |
144 |
|
5串15F(3F) |
216 |
|
5串20F(4F) |
288 |
|
5串25F(5F) |
360 |
|
5串60F(12F) |
864 |
|
5串100F(20F) |
1440 |
可根据上述计算值设定发射器额定输出电能值,如果使用其他容量的超级电容,可自行计算。发射器设定输出电能值按接收效率75%计算。因接收效率差异,可以在设定的额定输出电能值的基础上适当调整无线充电发射器额定输出电能值,达到需要的超级电容储能。设定电能值具有掉电保存功能,发射器断电后,下次上电设定的额定电能值依然存在。
额定电能值设定完成后,长按K2按键即可推出设置状态,屏幕返回工作界面。
(3) 进入工作界面后,按下K1(启/停)按键,系统进入工作状态OUT:ON,LED灯变成常亮状态,同时线圈开始输出电能,将接收线圈放在发射线圈上方时即可接收电能(接收电能时接收端线圈必须连接接收板,接收板输出端必须连接超级电容等负载。)当输出电能达到设定的额定电能时,控制器停止输出,系统状态OUT:OFF;下次充电时需要再按一下K1按键进入工作状态。
4. 无限制输出保护功能
(1) 进入无限制输出保护功能工作界面后,LED等快闪,系统为待机状态,界面显示信息如下:

第二行:系统输出状态:OUT:OFF/ON;
第三行:系统系统工作电流I和供电电压U;
第四行:系统输出功率/额定功率;
第五行:输出电能/--J
(2) 进入工作界面后,按下K1(启/停)按键,系统进入工作状态OUT:ON,LED灯变成常亮状态,同时线圈开始输出电能,此时将接收线圈放在发射线圈上方时即可接收电能(接收电能时接收端线圈必须连接接收板,接收板输出端必须连接超级电容等负载。)此状态线圈会一直输出电能,只要有接收线圈和接收板就可以接收到电能,超级电容接线端上需要并联万用表(电压档位)时刻观察超级电容电压,当电压接近超级电容额定时请及时移走接收线圈,防止超级电容过充发生危险。
三、测试发射器有无功率发出
使用无线充电发射器测试模块,当靠近发射线圈时,LED 灯会发亮,说明无线充电发射器有功率输出,此模块可以作为是否有功率输出或者发射器是否正常工作的简易测试工具。
四、无线充电发射器固件烧录流程
无线充电发射器资料中配有限制功率200W、300W、500W的固件,可使用USB转TTL连接板载UART接口使用AIapp-ISP烧录程序,烧录时芯片型号选择AI8051U-34K64,IRC频率选择42M。 点击下载编程,AIapp-ISP提示检测单片机时拔掉UART口的GND线再插上即可开始烧录。
下载的配置界面:

五、相关注意事项
(1) 请远离个人带有磁性或者线圈的物品,如公交卡,银行卡、NFC 等有感应的物品,以免造成损坏;
(2) 请远离金属物品,避免影响磁场导致充电效率降低;
(3) 发射器需要先焊接好发射线圈,再接电源;
(4) 严禁使用不接负载的接收线圈测试发射器,容易烧坏发射器;
(5) 发射器默认发货功率200W;
(6) 超级电容充电时请注意电容电压,电压值严禁超过超级电容额定电压,电容电压接近额定电压时请及时移开接收线圈,停止充电!!!;
(7) 无线充电发射器磁环温度较高,使用时请注意高温;
(8) 无线充电发射器焊接线圈的输出端电压较高,注意高压;
(9) 使用无线充电发射时请连接散热风扇,防止温度过高散热不好烧毁发射器;
(10) 前期调试尽量选用带有保护功能的电源供电,200W功率时供电电源额定电流应大于10A,500W供电时供电电源额定电流应大于25A,请自行选择合适的电源供电。
(11) 在工作过程中,如果发射线圈断开,此时应立即断电。
至此,无线充电发射器的使用方法就介绍完了,请大家在使用时遵循操作步骤及相关注意事项!
DAMO开发者矩阵,由阿里巴巴达摩院和中国互联网协会联合发起,致力于探讨最前沿的技术趋势与应用成果,搭建高质量的交流与分享平台,推动技术创新与产业应用链接,围绕“人工智能与新型计算”构建开放共享的开发者生态。
更多推荐



所有评论(0)