芯谷科技--触控芯片TS223B功能介绍
芯谷科技TS223B触控芯片是一款低功耗单键电容式触控方案,适用于小家电、电子玩具及智能物联网产品。该芯片支持2.0-5.5V宽电压,正常/低功耗模式电流仅13μA/4μA@3V,采用SOT23-6封装节省空间。具有灵敏度高、抗干扰强等特点,提供直接/触发两种输出模式(通过TOG脚选择),可配置电平极性(AHLB脚控制),典型应用场景包括单键触控开关等消费电子产品。
·
- 应用领域
适用于小家电、电子玩具、智能物联网等各种触控产品方案。
- 功能介绍
芯谷科技推出的单键电容式触控芯片TS223B具有功耗低、触控灵敏度高、抗干扰能力强等众多优势,输出方式包括直接输出、电平翻转输出,并且输出的初始状态可以配置,能灵活满足多种应用于场合。
- 基本特性
|
型号 |
按键数 |
工作电压(V) |
电流(Max)-正常模式 |
电流(Max)-低功耗模式 |
封装形式 |
|
TS223B |
1 |
2.0~5.5V |
13µA(SLRFTB=0)@3V |
4µA(SLRFTB=0)@3V |
SOT23-6 |
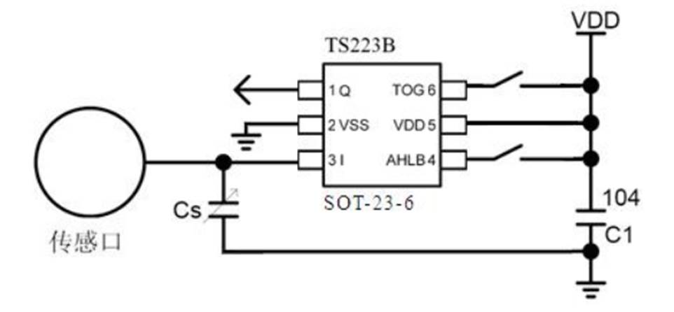
- 引脚信息

TS223B采用SOT23-6的封装,使得体积很小,更适合于单键触控产品的应用场合。其各引脚功能如下:
|
序号 |
引脚名称 |
功能描述 |
|
1 |
Q |
按键动作输出 |
|
2 |
VSS |
电源地 |
|
3 |
I |
触摸按键输入 |
|
4 |
AHLB |
输出电平选择(1:低电平有效; 0:高电平有效) |
|
5 |
VDD |
电源正 |
|
6 |
TOG |
输出类型选择管脚(1:触发模式; 0:直接模式) |
- 参考设计

DAMO开发者矩阵,由阿里巴巴达摩院和中国互联网协会联合发起,致力于探讨最前沿的技术趋势与应用成果,搭建高质量的交流与分享平台,推动技术创新与产业应用链接,围绕“人工智能与新型计算”构建开放共享的开发者生态。
更多推荐

所有评论(0)