海川SM5102锂转干电池充放管理专用芯片
在电子设备日益普及的今天,电池技术的革新一直是行业发展的关键驱动力。从传统干电池到锂电池,再到如今的锂转干电池技术,每一次变革都为用户带来了更便捷、高效的使用体验。本文将深入探讨海川的SM5102锂转干电池充放管理芯片,剖析其技术特点、优势以及广泛的应用场景。
在电子设备日益普及的今天,电池技术的革新一直是行业发展的关键驱动力。从传统干电池到锂电池,再到如今的锂转干电池技术,每一次变革都为用户带来了更便捷、高效的使用体验。本文将深入探讨海川的SM5102锂转干电池充放管理芯片,剖析其技术特点、优势以及广泛的应用场景。
SM5102 芯片特性
充放电管理功能
充电管理:SM5102 可对3.7V锂电池进行充电,最高充电电流可配置至1A,满足多种充电需求。它具备多种充电模式,包括涓流充电、预充电、恒定电流充电和恒定电压充电,能根据电池状态自动切换,确保充电安全与高效。例如,当电池电压低于涓流充电阈值电压时,先进行涓流充电预处理,之后再进入相应充电阶段。芯片还集成了充电指示灯,通过LED灯的不同状态(如充电中1Hz 闪烁、充满常亮等)直观显示充电状态,方便用户实时了解。此外,设有充电过温保护阈值,当芯片内部温度上升到130℃时,自动降低电流,防止过热损坏芯片及电池。
放电管理:采用开关频率 1MHz 的同步降压转换器进行放电,放电电流可达3A,为负载提供强大的供电能力,适用于多种对电流要求较高的设备。具备两种放电模式,重载时为Buck DC/DC模式,可实现高负载电流输出;轻载时为LDO模式,能实现空载时的高效率,可根据负载电流自动切换模式,兼顾不同负载情况。输出电压可模拟干电池特性,有 V42 和 V35 两种版本,V42 版本输出干电池电压与锂电池电压呈线性关系,V35版本在BAT电压高于3.5V 时恒定输出1.5V,之后呈线性关系,能更好地适配不同设备对干电池电压特性的要求。
保护功能
SM5102 内部集成了多种保护功能,包括欠压保护、短路保护、过温保护,全方位保障芯片及电池在充放电过程中的安全。在放电时,当 3.7V 锂电池电压低于2.75V 时触发欠压保护;OUT 端短路至地时进入打嗝模式,每隔 100ms 启动一次检测短路故障是否去除,有效降低电池端输入电流和电路发热。通过 NTC 脚可实时监测电池温度,在不同温度下可采取相应措施停止充放电,如充电状态下电池低温0度或中温45度、放电状态下电池低温- 15度或高温60度时,均会停止相应操作,进一步确保电池使用安全。
性能表现
低自耗电:空载时自耗电仅6uA,在设备不工作或处于轻载状态时,能有效减少电池电量的无谓消耗,延长电池续航时间。
高放电效率:放电效率高至92%,可使锂电池的电能得到高效利用,为负载提供更持久的电力支持。
其他优势
多种封装形式:提供DFN3x3 - 8/DFN2x2-6封装,可满足不同应用场景对芯片尺寸及布局的要求,方便在各类电路板上进行集成设计。
明确的工作参数:明确给出了最大额定值、工作范围、电气特性参数等详细信息,如 VIN 的工作范围为 4.5V~5.5V 等,方便用户在设计电路时准确参考,确保芯片能在合适的条件下稳定工作。
明确的 PCB 及应用注意事项:给出了PCB设计的注意事项,如大电流回路走线尽量宽、供电引脚电容尽量靠近芯片等,以及应用时地线连接的要求,有助于用户更好地进行电路设计与产品应用,提高产品性能及稳定性。
SM5102芯片的广泛应用
SM5102芯片代替传统1.5V干电池,可广泛应用于家用小电器、应急照明设备、智能穿戴设备、电脑周边设备、无线键鼠、便携式及监护医疗设备、手持检测一起、无线传感器等工业仪器仪表,可实现可充电功能,更加便利经济。

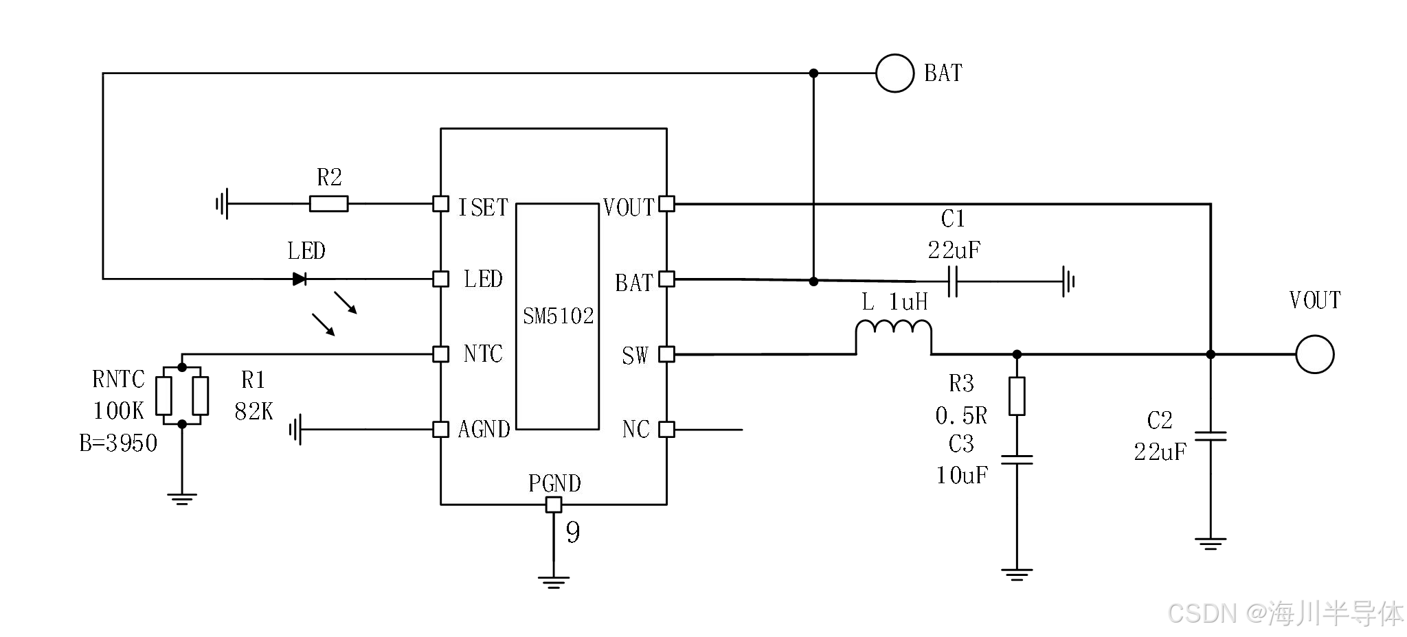
SM5102典型应用电路图▲
综上所述,锂转干电池技术代表着未来电池应用的发展趋势,其可充电、环保、续航佳的特点使其应用广泛。而海川的 SM5102 锂电池转干电池充放管理专用芯片,凭借其卓越的性能和完善的功能,成为代替传统 1.5V 干电池的优选方案,值得广大电子设备制造商和开发者积极应用。
DAMO开发者矩阵,由阿里巴巴达摩院和中国互联网协会联合发起,致力于探讨最前沿的技术趋势与应用成果,搭建高质量的交流与分享平台,推动技术创新与产业应用链接,围绕“人工智能与新型计算”构建开放共享的开发者生态。
更多推荐

所有评论(0)