爱迪尔 门锁接口文档_智能门锁 | 基于 NXP LPC54101 & Intel MA2155 的 3D 人脸识别 ELOCK 方案...
在智能家居潮流的推动之下,越来越多的家庭开始选择智能产品,来换取更便捷的生活体验。作为家庭的一道安全保障,门锁是每个家庭都会用到的设备,智能门锁也是一种新潮流。智能门锁是指在传统机械锁的基础上改进的,在用户安全性、识别、管理性方面更加智能化简便化的锁具。智能门锁区别于传统机械锁, 是具有安全性, 便利性, 先进技术的复合型锁具。大联大世平集团针对智能门锁市场,推出基于 NXP LPC54...

在智能家居潮流的推动之下,越来越多的家庭开始选择智能产品,来换取更便捷的生活体验。作为家庭的一道安全保障,门锁是每个家庭都会用到的设备,智能门锁也是一种新潮流。智能门锁是指在传统机械锁的基础上改进的,在用户安全性、识别、管理性方面更加智能化简便化的锁具。智能门锁区别于传统机械锁, 是具有安全性, 便利性, 先进技术的复合型锁具。
大联大世平集团针对智能门锁市场,推出基于 NXP LPC54101 & Intel Movidius MA2155 VPU 及 Intel RealSense 深度 VPU 的 3D 人脸识别 E-LOCK 方案,支持人脸识别(3D 双目散斑结构光)、指纹、NFC、密码四种解锁方式。指纹算法集成于 MCU,进一步缩减成本。同时配备有触摸按键、OLED 显示、语音播报、电机驱动等实用功能。
1. 硬件设计
(1) 主控
主控采用 NXP LPC54101J512BD64,基本参数如下:
-
ARM Cortex-M4 处理器,运行频率高达 150MHz。
-
高达 512KB 的片上 flash 编程存储器。
-
高达 104KB 的片上 SRAM。
-
串行接口包括四个 USART 接口,两个 SPI 接口,三个 I2C 接口。
-
5 个 32 位标准定时器/计数器。
-
最多 50 个通用 I/O (GPIO)引脚。
-
12 位 ADC,具有 12 个输入通道,采样速率高达 5MS/s。
-
62V 至 3.6V 电源供电。
-
采用 LQFP64 封装。
LPC5410x 功能框图如下:
(2) 人脸识别模组
本方案采用小钴科技 AlphaLock 3D mini 人脸识别模组,模组内置Intel Movidius MA2155 VPU 及 Intel RealSense 深度 VPU, 搭载面向门锁场景定制的 3D 双目散斑结构光摄像头, 内置 3D 人脸检测算法、3D 手势识别算法。3D 人脸活体算法可以针对硅胶级的面具实现活体防伪, 3D 人脸识别算法将深度信息训练成人脸特征,实现更高精度的人脸识别。更多特性如下:
-
定制 28nm 深度计算处理器,5 路 mipi 视频输入,实时计算深度信息。
-
采用先进的立体深度算法,能更准确、更长距离的实现深度感知。
-
图像分辨率和帧率可达 960 x 960@30FPS 。
-
支持全新跨平台及开源英特尔® 实感™ SDK 2.0。
-
采用专用的彩色图像处理器,支持图像校正和彩色数据缩放。
-
采用主动红外信号发射器,增强物体的深度数据。
不同身高兼容:
模组硬件参数如下:
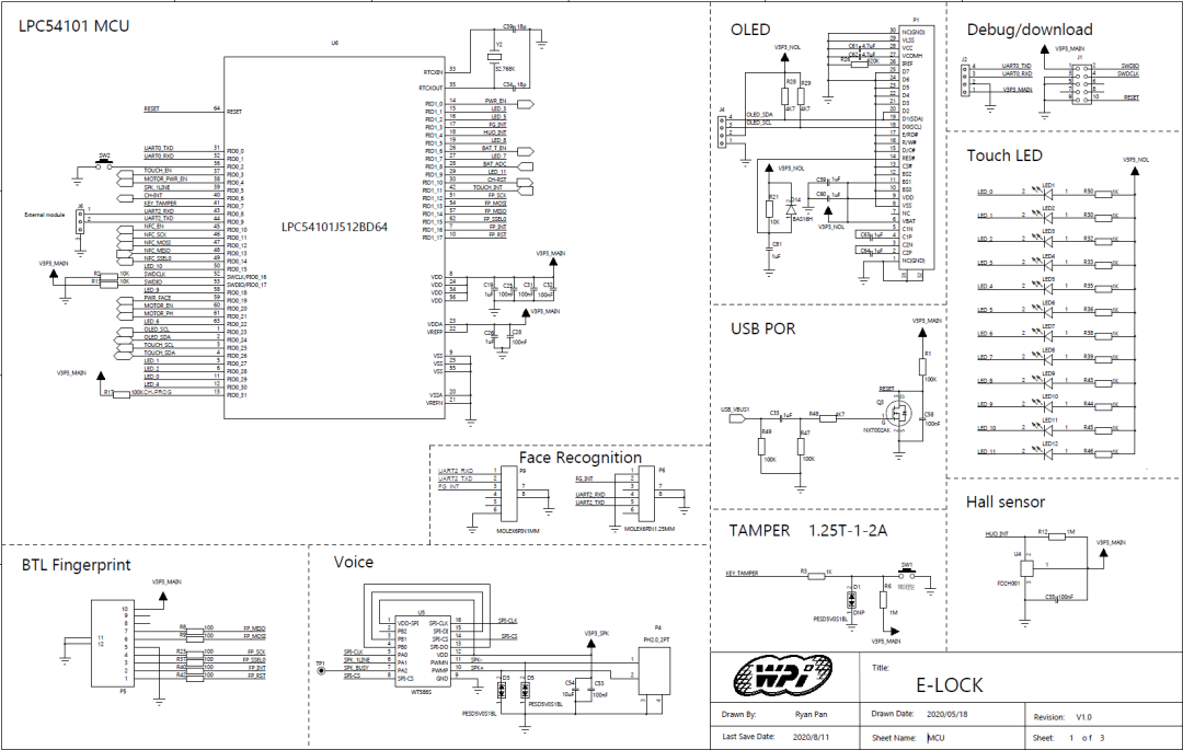
(3) 方案原理图
(4) PCB Layout
2. 软件设计
(1) 开发环境:Keil V5.23 及以上
(2) 软件架构
软件架构可分为 BSP、驱动层、应用层。BSP 直接配置、读取外设寄存器并向驱动层提供 API ,驱动层通过这些 API 来对系统及外设进行配置、驱动并向应用层提供 API。
(3) 软件流程
软件流程可分为在待机模式下和管理员模式下:待机模式下可实现密码、指纹、卡片、人脸解锁等功能;管理员模式下可实现用户的添加与删除、系统设置、查看开锁记录等相关功能。具体操作流程请参考附件《WPI E-LOCK 操作说明V1.0》。
► 场景应用图
► 展示版照片

► 方案方块图
► 核心技术优势
-
高性能:Cortex-m4 内核,频率高达 150MHz。
-
大容量:高达 512KB Flash,104KB SRAM。
-
低成本:指纹算法集成于主控,节约成本。
-
多种开锁方式:支持人脸、指纹、卡片、密码四种开锁方式。
-
安全性:3D 人脸识别,活体防伪检测。
-
多用户存储:人脸 500 张,指纹 100 枚,卡片 100 张,密码 10 组。
-
多功能:语音播报、电机控制、防撬报警、电压检测、用户按键。
-
低功耗:休眠模式整机功耗 ≦ 50μA。
► 方案规格
-
主控:NXP LPC54101J512BD64
-
内核:Cortex-m4,150MHz
-
存储:
--512KB Flash
--104KB SRAM
-
支持用户数量:
--500 张人脸
--100枚指纹
--100张卡片
--10组密码
-
功耗:
--待机模式:~100mA
--休眠模式:≦ 50μA6. 供电方式:
--USB 供电(建议规格:5V 2A)
--8 节五号电池
-
整机尺寸:125mm*62mm*310mm(L*W*H)

DAMO开发者矩阵,由阿里巴巴达摩院和中国互联网协会联合发起,致力于探讨最前沿的技术趋势与应用成果,搭建高质量的交流与分享平台,推动技术创新与产业应用链接,围绕“人工智能与新型计算”构建开放共享的开发者生态。
更多推荐


所有评论(0)