芯谷科技--ULN2003达林顿管阵列芯片介绍
ULN2003是一款高耐压大电流达林顿管阵列芯片,内含7路独立驱动电路。适用于驱动继电器、步进电机等感性负载。该器件广泛用于继电器驱动、LED显示屏和电机控制等领域。
- 概述
ULN2003是单片集成高耐压、大电流达林顿管阵列,电路内部包含七个独立的达林顿管驱动单路。电路内部设计有续流二极管,可用于驱动继电器、步进电机等电感性负载。单个达林顿管集电极可输出500mA电流。将达林顿管并联可实现更高的输出电流能力。该电路可广泛应用于继电器驱动、照明驱动、显示屏驱动(LED)、步进电机驱动和逻辑缓冲器。
ULN2003采用DIP16、SOP16的封装形式。
二、主要特点
- 500mA集电极输出电流(单路)
- 耐高压(50V)
- 输入兼容TTL/CMOS逻辑信号
- 广泛应用于继电器驱动
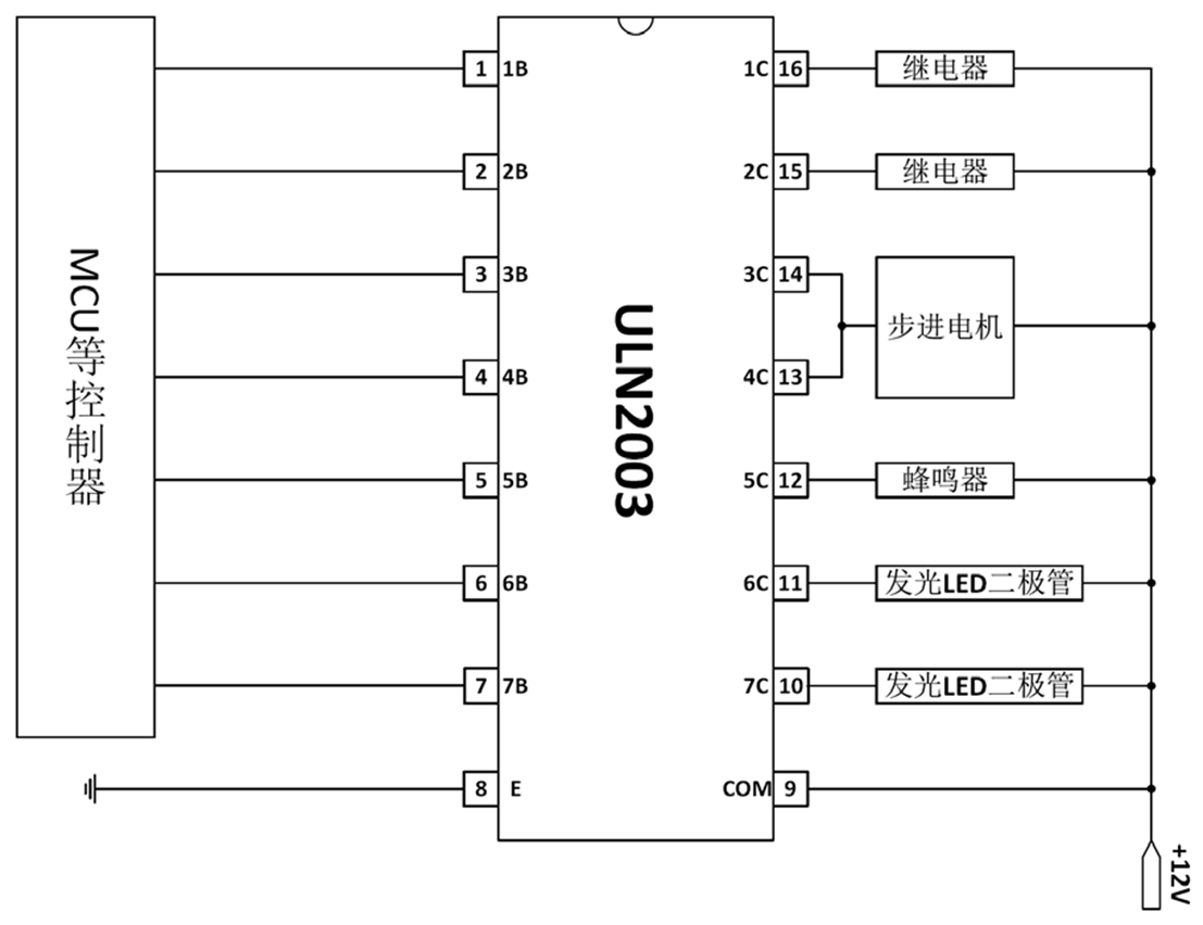
三、引脚信息

|
管脚号 |
符号 |
描述 |
|
1 |
1B |
1通道输入管脚 |
|
2 |
2B |
2通道输入管脚 |
|
3 |
3B |
3通道输入管脚 |
|
4 |
4B |
4通道输入管脚 |
|
5 |
5B |
5通道输入管脚 |
|
6 |
6B |
6通道输入管脚 |
|
7 |
7B |
7通道输入管脚 |
|
8 |
E |
接地 |
|
9 |
COM |
钳位二极管公共端 |
|
10 |
7C |
7通道输出管脚 |
|
11 |
6C |
6通道输出管脚 |
|
12 |
5C |
5通道输出管脚 |
|
13 |
4C |
4通道输出管脚 |
|
14 |
3C |
3通道输出管脚 |
|
15 |
2C |
2通道输出管脚 |
|
16 |
1C |
1通道输出管脚 |
四、基本电参数测试
|
参数名 |
单位 |
ULN2003 SCA1177 |
测量规范值 |
测试条件 |
|||
|
测量范围 |
测量 典型值 |
Min |
Type |
Max. |
|||
|
输出漏电流 |
µA |
0.1~1.9 |
1.0 |
- |
1 |
50 |
VCE=50V,II=0 |
|
饱和压降1 |
V |
0.82~0.86 |
0.84 |
- |
0.9 |
1.1 |
IC=100MA,II=250µA |
|
饱和压降2 |
0.91~0.93 |
0.92 |
- |
1.1 |
1.3 |
IC=200MA, II=350µA |
|
|
饱和压降3 |
1.04~1.06 |
1.05 |
- |
1.3 |
1.6 |
IC=350MA, II=500µA |
|
|
饱和压降4 |
1.21~1.25 |
1.23 |
- |
1.6 |
1.9 |
IC=500MA,II=650µA |
|
|
开启输入电压1 |
V |
1.85~1.87 |
1.86 |
- |
1.7 |
2.4 |
VCE=2V,IC=200mA |
|
开启输入电压2 |
1.98~2.01 |
1.99 |
- |
1.8 |
2.7 |
VCE=2V,IC=250mA |
|
|
开启输入电压3 |
2.03~2.05 |
2.04 |
- |
1.9 |
3.0 |
VCE=2V,IC=300mA |
|
|
关断状态输入电流 |
µA |
96.5~98.6 |
97.7 |
50 |
65 |
- |
VCE=50V IC=500µA |
|
输入电流 |
mA |
0.93~0.97 |
0.95 |
- |
0.93 |
1.35 |
VI=3.85V |
|
嵌位二极管正向电压 |
V |
1.54~1.71 |
1.62 |
- |
1.5 |
2 |
IF=350mA |
|
嵌位二极管反向电流 |
µA |
0.8~1.2 |
1.0 |
- |
1 |
50 |
VR=50V |
- 参考设计

DAMO开发者矩阵,由阿里巴巴达摩院和中国互联网协会联合发起,致力于探讨最前沿的技术趋势与应用成果,搭建高质量的交流与分享平台,推动技术创新与产业应用链接,围绕“人工智能与新型计算”构建开放共享的开发者生态。
更多推荐


所有评论(0)