正反转马达驱动芯片D6287F,内置马达停止时省电电路及热保护电路 。最大驱动电流 达1.0A 。广泛用于VCRs及音频设备等 电机中
D6287F 是 一 块 正 反 转 马 达 驱 动 电 路 ,两 种 逻 辑 输 入 方 式 可 控 制 马 达 的 正 转 、 反 转 、 停 止 、 中 断 等。内 置 马 达 停 止 时 省 电 电 路 及 热 保 护 电 路。最 大 驱 动 电 流 达 1.0A。广 泛 用 于 VCRs及 音 频 设 备 等 电 机 的 驱 动 中。 输 出 电 压 可 随 V REF 电 压 任 意
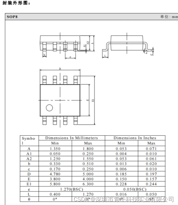
D6287F 是 一 块 正 反 转 马 达 驱 动 电 路 ,两 种 逻 辑 输 入 方 式 可 控 制 马 达 的 正 转 、 反 转 、 停 止 、 中 断 等 。 内 置 马 达 停 止 时 省 电 电 路 及 热 保 护 电 路 。 最 大 驱 动 电 流 达 1.0A 。 广 泛 用 于 VCRs及 音 频 设 备 等 电 机 的 驱 动 中 。 D6287F采 用 SOP8 的 封 装 形 式 封 装 。
主 要 特 点 :
内 置 马 达 停 止 时 省 电 电 路
输 出 电 压 可 随 V REF 电 压 任 意 设 定
TTL 工 作 界 面
内 置 热 保 护 电 路
应 用 :
VCRs 及 音 频 设 备


DAMO开发者矩阵,由阿里巴巴达摩院和中国互联网协会联合发起,致力于探讨最前沿的技术趋势与应用成果,搭建高质量的交流与分享平台,推动技术创新与产业应用链接,围绕“人工智能与新型计算”构建开放共享的开发者生态。
更多推荐


所有评论(0)