八路耐高压大电流达林顿晶体管阵列电路芯片ULN2803A,输入兼容 TTL/CMOS 逻辑信号
是单片集成高耐压、大电流达林顿管阵列,电路内部包含八 个独立的达林顿管驱动单路。电路内部设计有续流二极管,可用于驱动继电 器、步进电机等电感性负载。单个达林顿管集电极可输出500mA。将达 林顿管并联可实现更高的输出电流能力。该电路可广泛应用于继电器驱动、 照明驱动、显示屏驱动(LED)电路连接,可直接处理原先需要标准逻辑缓冲器来处理的数据。、步进电机驱动和逻辑缓冲器。的每一路达林顿管串联一个。
·
ULN2803A 是单片集成高耐压、大电流达林顿管阵列,电路内部包含八 个独立的达林顿管驱动单路。电路内部设计有续流二极管,可用于驱动继电 器、步进电机等电感性负载。单个达林顿管集电极可输出500mA 电流。将达 林顿管并联可实现更高的输出电流能力。该电路可广泛应用于继电器驱动、 照明驱动、显示屏驱动(LED)、步进电机驱动和逻辑缓冲器。
ULN2803A 的每一路达林顿管串联一个 2.7K的基极电阻,在5V 的工作电压下可直接与TTL/CMOS
电路连接,可直接处理原先需要标准逻辑缓冲器来处理的数据。
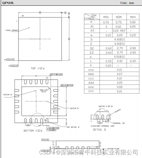
ULN2803A采用QFN20的封装形式封装。
主要特点:
500mA 集电极输出电流(单路)
耐高压(50V)
输入兼容 TTL/CMOS 逻辑信号
广泛应用于继电器驱动
静电能力:8000V(HBM)
应用:
继电器驱动
指示灯驱动
显示屏驱动
DAMO开发者矩阵,由阿里巴巴达摩院和中国互联网协会联合发起,致力于探讨最前沿的技术趋势与应用成果,搭建高质量的交流与分享平台,推动技术创新与产业应用链接,围绕“人工智能与新型计算”构建开放共享的开发者生态。
更多推荐

所有评论(0)