15V转3.3V恒压输出的好几款芯片,低功耗大电流降压IC
15V转3.3V电源芯片,18V转3.3V电源芯片,15V转3.3V降压芯片,18V转3.3V降压芯片,15V转3.3V稳压芯片,18V转3.3V稳压芯片。15V和18V供电电压输入,降压转3.3V的电源电路和芯片选择。首先需要由于15V和18V电压在开关动作时,或者拔插动作时,会产生浪涌(电火花)输入瞬间的尖峰电压,一般是输入电压的2倍左右。如果芯片耐压不够宽,或者输入瞬间尖峰电压不吸收掉,瞬间
15V转3.3V电源芯片,18V转3.3V电源芯片,15V转3.3V降压芯片,18V转3.3V降压芯片,15V转3.3V稳压芯片,18V转3.3V稳压芯片。
15V和18V供电电压输入,降压转3.3V的电源电路和芯片选择。首先需要由于15V和18V电压在开关动作时,或者拔插动作时,会产生浪涌(电火花)输入瞬间的尖峰电压,一般是输入电压的2倍左右。
如果芯片耐压不够宽,或者输入瞬间尖峰电压不吸收掉,瞬间的高压打到了芯片,芯片容易出现损坏不良的现象,一般吸收电路有:1是TVS管,2是加电解电容,3,RC电路等等。
常用的是TVS管和加电解电容的方式更多。
15V和18V转3.3V有两种解决方案: 1,LDO线性稳压方案,2,DC-DC降压方案
1,LDO线性稳压方案
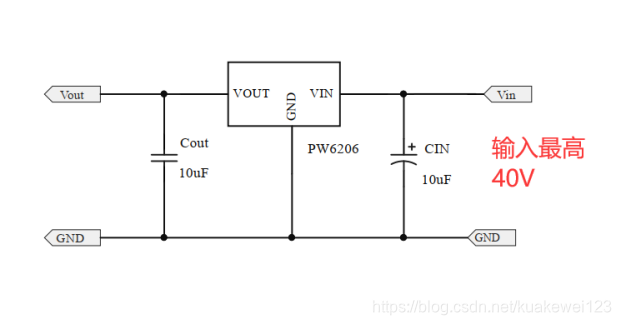
15V和18V输入,通过下面的型号列举,我们可以选择有两款,一是PW6206,二是PW8600,输出电压是固定的:有5V,3.3V,3V选择。封装是SOT23-3封装。

|
LDO产品 |
输入电压 |
输出电压 |
输出电流 |
静态功耗 |
封装 |
|
PW6566 |
1.8V~5.5V |
1.2V~5V多 |
250mA |
2uA |
SOT23-3 |
|
PW6218 |
4V~18V |
3V,3.3V,5V |
100MA |
3uA |
Sot23-3 |
|
PW6206 |
4.5V~40V |
3V,3.3V,5V |
150MA |
4.2uA |
Sot23/89 |
|
PW8600 |
4.5V~80V |
3V,3.3V,5V |
150MA |
2 uA |
Sot23-3 |
2,DC-DC降压方案
DC-DC
降压产品 输入电压 输出电压 输出电流 频率 封装
PW2057 2.0V~6.0V 3.3V,1.8V,1.2V 0.7A 1.5MHz SOT23-5
PW2058 2.0V~6.0V 1V~5V 0.8A 1.5MHz SOT23-5
PW2051 2.5V~5.5V 1V~5V 1.5A 1.5MHz SOT23-5
PW2052 2.5V~5.5V 1V~5V 2.0A 1.0 MHz SOT23-5
PW2053 2.5V~5.5V 1V~5V 3.0A 1.0 MHz SOT23-5
PW2162 4.5V~16V 1V~15V 2A 600KHZ SOT23-6
PW2163 4.5V~16V 1V~15V 3A 600KHZ SOT23-6
PW2205 4.5V~20V 1V~15V 5A 340KHZ SOP8-EP
PW2312 4.0V~30V 1V~28V 1.2A 1.4 MHz SOT23-6
PW2330 4.5V~30V 1V~28V 3A 130KHz SOP8
PW2431 4.5V~40V 1V~30V 3A 340KHz SOP8-EP
PW2558 4.5V~55V 1.25V~30V 0.8A 1.2 MHz SOT23-6
PW2608 5.5V~60V 1.5-30V 0.8A 0.3-1Mhz SOP8-EP
PW2815 4.5V~80V 1.5V~30V 1.5A 400KHZ SOP8-EP
PW2906 12V~90V 1.25V~20V 0.6A 150KHZ SOP8-EP
PW2902 8V~90V 5V~30V 2A 140KHZ SOP8-EP
PW2153 8V~140V 5V~30V 4A 140KHZ SOP8
DC-DC降压芯片的选择也有很多,以PW2312开始,往后的型号都可以,PW2205输入电压最大值太接近了,适用于15V,不适合18V.
PW2312是一颗DC-DC同步降压转换器芯片,输入电压范围4V-30V,最大负载电流1.2A,可调输出电压,频率1.4MHZ高频率,可采用贴片电感,节省空间,采用SOT23-6封装形式。
R1,R2为反馈电阻,通过两个电阻的阻值来调输出电压。


初接触电源设计工程师,在设计时往往忽略了功率地的回路和布线,如下图箭头处,VIN的GND,CIN的GND端,COUT的GND端和VOUT的GND端和PW芯片的GND脚,这5点,布线要宽的同时,回路连接不宜七绕八绕,要宽和直接。CIN,COUT过孔时,也需要多打孔,布线宽。


DAMO开发者矩阵,由阿里巴巴达摩院和中国互联网协会联合发起,致力于探讨最前沿的技术趋势与应用成果,搭建高质量的交流与分享平台,推动技术创新与产业应用链接,围绕“人工智能与新型计算”构建开放共享的开发者生态。
更多推荐


所有评论(0)