AFE | 用分立器件搭建AFE芯片
没有AFE年代如何搭建BMS系统?现如随着BMS的行业的日渐成熟今各大IC公司推出各种各样的AFE芯片集成了电压、电流、温度采样,通信传输,MOS控制,自检诊断等大量功能极大方便了我们搭建BMS,仅使用一颗芯片可完成诸多功能。今天追本溯源我们一起来学习下如果没有或者不用集成AFE芯片如何用分立器件搭建BMS中采集模块。目标需求:完成至少8串单体电芯的采样,保证精度<5mV,并将采样结果输出给MC
没有AFE年代如何搭建BMS系统?
现如随着BMS的行业的日渐成熟今各大IC公司推出各种各样的AFE芯片集成了电压、电流、温度采样,通信传输,MOS控制,自检诊断等大量功能极大方便了我们搭建BMS,仅使用一颗芯片可完成诸多功能。今天追本溯源我们一起来学习下如果没有或者不用集成AFE芯片如何用分立器件搭建BMS中采集模块。
目标需求:完成至少8串单体电芯的采样,保证精度<5mV,并将采样结果输出给MCU。
方案一:MCU系统的AD范围一般为0~5V或者0~3.3V,要采集多串单体的电压远远高于AD范围,采用电阻分压的方式将较高单体电压分压到AD范围内采样获取。

如上图所示每一串匹配合适的电阻分压后给AD采集,此方案虽然简单我们需要计算每一串的电阻阻值精度无法保证,电池本身的直流电阻和外部分压电阻并联后电阻总电阻很小而且构成放电回路一直消耗电池电压这个缺点是完全不能接受的,因此否定此方案。
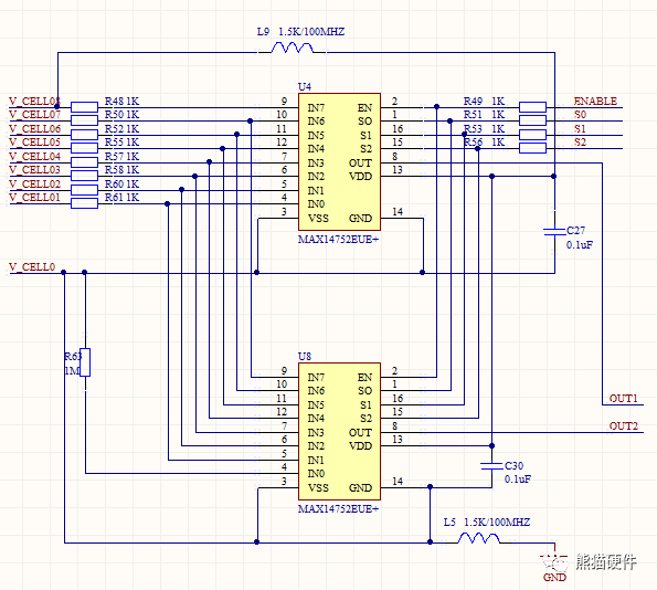
方案二:采集时用电子开关切换选通,每次选通一串单体正负极进行电压然后轮询切换完成所有单体电压采样。于是我们选择这颗8选1的多路开关集成芯片MAX14752。

通过S0、S1、S2三个信号控制8个开关通道的选通,如下图真值表

如果实现上面说过的一次切换选通一串电芯的正负极,那就用使用两颗此芯片错位连接的方式,当S0、S1、S2每次选通时就相当于只有一串单体电芯被选通即为两颗芯片输出之间的电压。

将两个输出给运放得到的输出值就是单体电压,单体电芯电压范围是0~5V而MCU的AD范围是0~3.3V因此要保证AD629的输出范围在此范围内,就要抬高运放的参考电压。

至此我们就完成了一组8串单体电压采样,证明此方案可行。
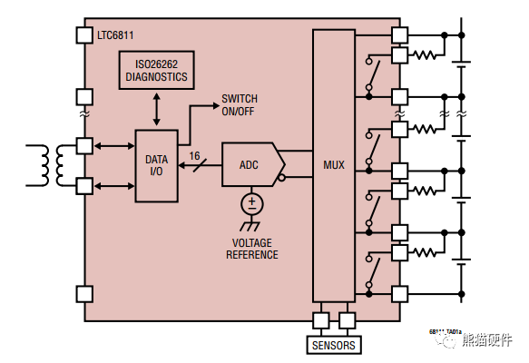
在对比6811的内部原理框图发现基本原理也是和我们用分立器件搭建的AFE基本相似。

现今各家IC厂推出的AFE芯片各项性能越来越好用起来非常方便,并不是提倡大家用此方案搭建BMS,我们只是用这种方式来学习AFE的基本原理。
生命不息、学习不止,加油

DAMO开发者矩阵,由阿里巴巴达摩院和中国互联网协会联合发起,致力于探讨最前沿的技术趋势与应用成果,搭建高质量的交流与分享平台,推动技术创新与产业应用链接,围绕“人工智能与新型计算”构建开放共享的开发者生态。
更多推荐


所有评论(0)