简单阻容降压电路图_5V转1.2V,3.7V转1.2V贴片文员芯片电路图
5V转1.2V稳压芯片,3.7V转1.2V稳压芯片, 5V转1.2V降压芯片,3.7V转1.2V降压芯片,输出电流0-3A,效率可高达95%的电源芯片。3.7V这个电压是比较常见的锂电池的标称电压,但是实际上,3.7V的锂电池从满电和放电停止的电压变化是3V-4.2V之间,这个输入电压范围还是有很多合适的DC-DC降压芯片和LDO芯片选择的。LDO芯片:一般是PW6566线性稳压器,外围简单...
5V转1.2V稳压芯片,3.7V转1.2V稳压芯片, 5V转1.2V降压芯片,3.7V转1.2V降压芯片,输出电流0-3A,效率可高达95%的电源芯片。
3.7V这个电压是比较常见的锂电池的标称电压,但是实际上,3.7V的锂电池从满电和放电停止的电压变化是3V-4.2V之间,这个输入电压范围还是有很多合适的DC-DC降压芯片和LDO芯片选择的。
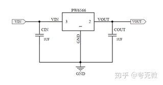
LDO芯片:一般是PW6566线性稳压器,外围简单,SOT23-3封装,即常见的贴片三极管封装,最大电流是250MA. 输出电压固定版本:5V,3.3V,3V,2.8V,2.5V,1.8V,1.5V1.2V等。



DC-DC降压芯片:最高输入电压在4V多,可以不用像5V那么多考虑,可以直接用几款降压芯片来做选择:
1, PW2058,可调输出,最大0.8A电流,效率95%
2, PW2051,可调输出,最大1.5A电流,效率95%
3, PW2052,可调输出,最大2.0A电流,效率95%
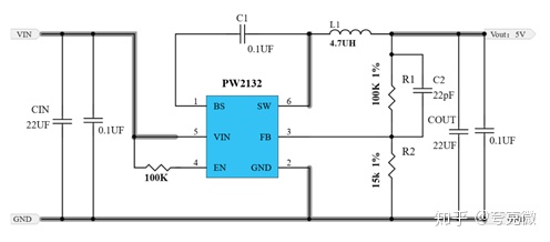
4, PW2053,可调输出,最大3.0A电流,效率95%
同时PW2058/1/2/3的PIN脚功能是一样的,可以在同一个PCB布局和板子上进行不同电流和效率的测试验证等。以此可以让工程师更快和方便选型和得到合适的功能降压芯片。
举例:PW2053的典型电路图:


5V的输入电压,我们知道在有些电源或者供电的5V输入可能是不稳定的,比如拔插造成的瞬间尖峰电压6V,8V等,就需要选择更宽输入范围的降压芯片和LDO来搭配了。
如果是5V稳定电压,则可以用跟上面说的3.7V的PW2058/1/2/3那几款降压芯片了。
DC-DC 降压产品 |
输入电压 | 输出电压 | 输出电流 | 频率 | 封装 |
PW2058 | 2.0V~6.0V | 1V~5V | 0.8A | 1.5MHz | SOT23-5 |
PW2051 | 2.5V~5.5V | 1V~5V | 1.5A | 1.5MHz | SOT23-5 |
PW2052 | 2.5V~5.5V | 1V~5V | 2.0A | 1.0 MHz |
SOT23-5 |
PW2053 | 2.5V~5.5V | 1V~5V | 3.0A | 1.0 MHz |
SOT23-5 |
PW2162 | 4.5V~16V | 1V~15V | 2A | 600KHZ | SOT23-6 |
PW2163 | 4.5V~16V | 1V~15V | 3A | 600KHZ | SOT23-6 |
PW2205 | 4.5V~20V | 1V~15V | 5A | 340KHZ | SOP8-EP |
PW2312 | 4.0V~30V | 1V~28V | 1.2A | 1.4 MHz |
SOT23-6 |
PW2330 | 4.5V~30V | 1V~28V | 3A | 130KHz | SOP8 |
PW2431 | 4.5V~40V | 1V~30V | 3A | 340KHz | SOP8-EP |
PW2558 | 4.5V~55V | 1.25V~30V | 0.8A | 1.2 MHz |
SOT23-6 |
PW2608 | 5.5V~60V | 1.5-30V | 0.8A | 0.3-1Mhz | SOP8-EP |
PW2815 | 4.5V~80V | 1.5V~30V | 1.5A | 400KHZ | SOP8-EP |
PW2906 | 12V~90V | 1.25V~20V | 0.6A | 150KHZ | SOP8-EP |
PW2902 | 8V~90V | 5V~30V | 2A | 140KHZ | SOP8-EP |
PW2153 | 8V~140V | 5V~30V | 4A | 140KHZ | SOP8 |
。。。 |
宽范围的DC-DC降压芯片:
1, PW2162,输入3.3V-16V范围,输出电流最大2A
2, PW2163,输入4.5V-18V范围,输出电流最大3A
3, PW2312,输入4.5V-30V范围,输出电流最大1.2A
4, 这三款的Pin脚功能是一样的,也是可以提供了很多方便,可以在同一个PCB布局和板子上进行测试和验证最终确定等
典型参考电路图:PW2312示例


LDO线性稳压1.2V
LDO的选择如,采用PW6566,如果是输出5V,3.3V,3V,输入电压高的,可以用PW6206。


DAMO开发者矩阵,由阿里巴巴达摩院和中国互联网协会联合发起,致力于探讨最前沿的技术趋势与应用成果,搭建高质量的交流与分享平台,推动技术创新与产业应用链接,围绕“人工智能与新型计算”构建开放共享的开发者生态。
更多推荐
所有评论(0)