e300氛围灯哪里调节_Lumissi RGB氛围灯驱动芯片解决方案介绍
摘要:未来的氛围灯发展将变得越来越智能化和人性化,高品质的汽车氛围灯已经成为了汽车内饰领域中不可忽视的设计元素。本文介绍了Lumissi给我们带来的一系列RGB氛围灯驱动芯片解决方案。事物的发展规律都是从简单到复杂,单一到多样化,氛围灯也是这样。从普遍应用的单色不可控氛围灯,进而发展成现在的多色可控氛围灯;从简单的不可控静态光线到色彩静止/呼吸、音乐/速度律动等可通过控制面板进行调光、变色、动静切
摘要:未来的氛围灯发展将变得越来越智能化和人性化,高品质的汽车氛围灯已经成为了汽车内饰领域中不可忽视的设计元素。本文介绍了Lumissi给我们带来的一系列RGB氛围灯驱动芯片解决方案。
事物的发展规律都是从简单到复杂,单一到多样化,氛围灯也是这样。从普遍应用的单色不可控氛围灯,进而发展成现在的多色可控氛围灯;从简单的不可控静态光线到色彩静止/呼吸、音乐/速度律动等可通过控制面板进行调光、变色、动静切换、律动节奏频率变换等功能选择。
目前市面上大部分LIN RGB驱动芯片只能驱动单颗RGBLED。如果某些位置氛围灯需要驱动多颗RGB灯,则需要使用多颗LIN RGB LED驱动芯片,整个系统成本将会大大增加。
针对此类应用,Lumissil Microsystems (ISSI模拟混合信号子品牌)近期发布了多款符合严苛AEC-Q100汽车等级标准的车内氛围灯效驱动芯片。
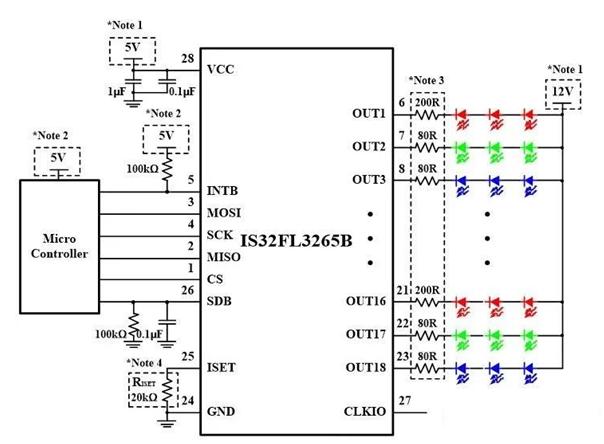
IS32FL3265A/B:输出可耐40V高压18路恒流驱动芯片
IS32FL3237/3240/3238/3236A/3209:5V电压下的36/30/18路恒流驱动芯片
这一系列芯片可实现对每路LED亮度和颜色进行完美精细控制,特别适用于某局部区域多颗氛围灯的应用,例如驱动仪表盘指示灯,汽车空调面板氛围灯和各种驾驶舱和车门氛围灯,贯穿式流水迎宾灯/尾灯等各种应用。
如下图Lumissil驱动多路RGB氛围灯系统所示,系统采用汽车级高压3ABuck恒压驱动芯片IS32PM3420提供5V电源电压,采用汽车级MCU IS32CS89xx 控制各种灯效LED驱动芯片来驱动多颗 RGBLED (多达12或6颗RGB),从而使整体系统成本将大大降低,而且也只占用一个LIN地址。
IS32FL3265A/B 18路高压恒流LED驱动芯片
输出耐压可达40V,单路最大输出电流可达60mA
通讯接口:I2C(A)或SPI(B),
支持每路8bit PWM(200Hz或25kHz)调光,全局5bit电流和单路8bit 直流电流白平衡调节功能,
芯片集成了先进的输出相位控制(OutputPhase delay)和时钟扩频(Spread Spectrum)功能,大大减少了电源纹波/电容高频音噪音以及降低EMI干扰。
芯片支持在线实时LED开路故障检测报错功能,过温降电流以及过热关断保护等保护功能。
IS32FL3237/3240/38 ----36/30/18路5V恒流LED灯效驱动驱动芯片
每路输出最大电流可达38mA/76mA
通讯接口:I2C
支持每路多达16bit PWM调光和8bit全局电流和8bit单路直流电流白平衡调节功能,可非常完美精准地混合出任意RGB颜色以及进行细腻白平衡调节。
PWM输出的频率可调,最高可达62KHz, 可以消除掉电容高频声。
芯片集成了先进的输出相位控制(OutputPhase delay)和时钟扩频(Spread Spectrum)功能,大大减少了电源纹波/电容高频音噪音以及降低EMI干扰。
芯片支持在线实时LED开路故障检测报错功能,过温降电流以及过热关断保护等保护功能。
以上多款多路LED驱动芯片均可工作于 -40°C to +125°C温度下,并已经通过严苛的汽车等级 AEC-Q100标准测试,产品均已量产。
汽车未来将会成为家以外的第二个亲密私人空间,汽车内饰照明已成为不可忽视的设计元素,氛围灯正处于市场导入及成长阶段,如何将氛围灯设计的更好,完美的实现人车互动,我们共同探讨,拭目以待!
DAMO开发者矩阵,由阿里巴巴达摩院和中国互联网协会联合发起,致力于探讨最前沿的技术趋势与应用成果,搭建高质量的交流与分享平台,推动技术创新与产业应用链接,围绕“人工智能与新型计算”构建开放共享的开发者生态。
更多推荐


所有评论(0)