拓展:MATLAB中对THD_总谐波失真的计算
在simulink中进行总谐波失真THD计算
·
此处的THD计算,使用我们前面文章中练习的交交调压作为对应的例子电路。
1、相控:AC/AC Phase Controlled
2、斩控:AC/AC Chopper Controlled
一、找到FFT分析工具
- 双击Continuous;
- 就能点击FFT Analyzer;

- 此时打开,发现内容都是空的,这是正常的;
- 因为这里分析的波形是针对整个matlab中工作区的,所以要先把电路的输出波形记录到工作区,再打开就能看到了;

- 记录输出信号的方式,就是点击波形输出的连接线。右键,记录所选信号;
- 记录之后,重新运行一遍,再打开FFT分析工具,就能看到波形了;

二、选择曲线进行分析
1、相控:AC/AC Phase Controlled
- 选择从第二个周期0.02s开始;
- 计算2个周期的曲线,可以看到曲线会自动变红的部分;
- 采样频率和电路开关频率一样是50Hz;
- 最大频率计算到多少,可以自己设置,可以设置20k;
- THD计算,可以用奈奎斯特计算,或者我们设置的最大频率计算;
- 结果:如下图:THD=37.76%,且能看到很多柱状图,第一条就是基波信号,后面就是各次谐波;

2、斩控:AC/AC Chopper Controlled
- 设置的参数基本差不多;
- 主要注意,这里斩控的最大频率要大一点,因为开关频率都20k了,不然20k这里的谐波就没计算到;
- 这里主要的就是在基波、和开关频率20k这里比较大;
- 结果:如下图:THD=99.98%;

三、改进分析
1、在输出端,添加滤波(斩控电路)
- 在斩控电路,输出端加一个LC滤波;
- LC参数的计算:
- 1、先确定电感参数,电感的基波压降为整体额定电压5%左右
- 2、再确定电容参数,电容就根据已知电感,再用谐振计算,而这里的谐振频率就是开关频率的1/3或1/4处;
计算例子: - 这个电路是6kW的,所以电流I=6000÷220≈27A
- 因为电感的电压大概是额定的5%,所以就是:电感值x314x电流=220x5%,求出电感值L≈0.00128H
- 电容值,则直接利用谐振频率计算,代入电感L=0.0012,频率f=20k1/4=5k,代入到谐振频率的公式:1/2πsqrt(1/LC)
,得出C≈1e-6;
2、计算有效值
- 此时得出斩控电路的输出波形,就光滑很多;
- 此时可以用matlab的计算有效值模块,双击空白处搜出:RMS,这个模块,可以直接看出有效值;

- 此时计算的电压有效值是:108.5V,非常接近理论的110V(因为此时占空比是50%);

3、细节问题
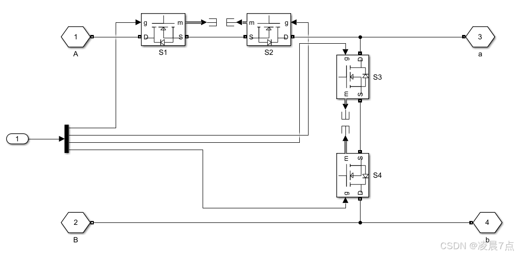
- 实际中,S1导通之后,S1和S4是互补的;但S1和S4互补,就可能出现同时不导通的现象,这样会有一个大电压会影响电路;
- 所以,在正半周的时候,干脆就S4一直导通,S1处于斩波的状态;在负半周的时候,干脆就S3一直导通,S2处于斩波的状态;

- 所以,这部分驱动修改之后的情况,就根据上面所讲的细节问题;
- 运行结果基本不变,就是考虑了实际情况的细节了;

4、使用阻感性负载效果
- 此时将负载从R改为R和L,运行效果发现,在每次过零的时候,都会有振荡的波形;
- 这是因为:在阻感性负载之后,电压、电流之间会有相位的延时,所以就有一段时间,电压和电流的方向是相反的;
- 而上面驱动导通的信号,是按照输入电压的正、负来判断哪个动作的;所以就会出现电压电流反向的情况;
- 思考:那此时该如何解决呢??
- 提示:将输出电流反馈回来,并在控制信号那里进行改进即可。

三、改进之后FFT运行效果
1、斩控的THD结果
- 此时改回只有电阻负载,运行之后,打开FFT工具,并保持其他参数不变;
- 可以看到,THD降到了3.55%;(符合并网要求5%以内)
- 所以可以得出,是需要添加滤波器的,并在上面提供了简要的滤波器参数粗略设计思路;

2、相控和斩控的电压电流比较
- 红色:相控,电压;(此时类似啃了一块,波形质量差,峰值还是311)
- 黄色:斩控,电压;(此时峰值改变了,并且波形更接近正弦波)
- 绿色:相控,电流;
- 蓝色:斩控,电流;

学习来源:B站:西瓜粥西瓜粥
DAMO开发者矩阵,由阿里巴巴达摩院和中国互联网协会联合发起,致力于探讨最前沿的技术趋势与应用成果,搭建高质量的交流与分享平台,推动技术创新与产业应用链接,围绕“人工智能与新型计算”构建开放共享的开发者生态。
更多推荐
所有评论(0)