IND83081芯片介绍(一)
IND83081是indiemicro推出的一款高性能的汽车矩阵LED照明控制器,集成了四个子模块,每个子模块包含三个串联的MOSFET开关,每个开关均可通过12位PWM内部信号控制,可配置的上升和下降速率及相位移以实现精确控制,子开关模块可并联到不同的电流源或串联到一个共同的电流源。
一、芯片介绍
IND83081是indiemicro推出的一款高性能的汽车矩阵LED照明控制器,集成了四个子模块,每个子模块包含三个串联的MOSFET开关,每个开关均可通过12位PWM内部信号控制,可配置的上升和下降速率及相位移以实现精确控制,子开关模块可并联到不同的电流源或串联到一个共同的电流源。
二、芯片功能
(1)MOSFET集成
①四个子模块,每个子模块包含三个串联的开关MOSFET。
②每个开关均可通过12位PWM内部信号控制。
③可配置的上升和下降速率及相位移以实现精确控制。
(2)灵活配置
子开关模块可并联到不同的电流源或串联到一个共同的电流源
(3)先进的LED管理
①开关上升和下降速率控制。
②LED开路/短路检测和保护
③增强电磁兼容性的电荷泵模块为栅极驱动电源供电。
④低RDS(on)旁路开关以最小化导通损耗和功耗
(4)诊断和监控
①监控电荷泵状态
②如果电荷泵输出电压不足以驱动MOSFET栅极,将出现错误标志。
③片上ADC具有两个外部单端输入通道,用于系统温度补偿和LED分级。
④内部温度监控,通过ELINS接口可供微控制器读取。
(5)通信和同步
①基于ELINS总线的通信,支持多达32个设备。
②基于UART的专有协议进行通信。
③通过ELINS同步消息同步内部时钟,确保高精度(<0.25%)。
三、芯片特点和性能
①完全符合汽车行业标准:通过AEC-Q100 Grade 1认证。
②多通道控制:12个通道,分为4个可配置模块,每个模块包含3个开关。
③低导通电阻:每个开关的RDS(on)为170mΩ。
④多种电源支持:支持电池直接供电和外部5V LDO供电。
⑤精细PWM控制:12位PWM信号,支持独立通道的PWM宽度控制。
⑥专有协议ELINS:基于UART,支持高达1Mbps的通信速率,并带有CRC校验,可选用外部CAN收发器以提高鲁棒性和EMC性能。
⑦总线支持:在一个总线上支持多达32个矩阵IC,并通过协议同步。
⑧高精度振荡器:集成高精度振荡器,并具有EMC改进功能。
⑨内置看门狗和Limp-home模式:在通信故障时提供保护。
⑩温度检测和保护:内部过温检测和保护功能。
⑪片上温度监控:用于IC温度监控。
⑫外部ADC输入:提供两个外部ADC输入通道,用于监控、分级、NTC等。
⑬上升和下降速率及相位移控制:以避免电流尖峰。
⑭单个LED开路/短路检测和保护。
⑮内部电荷泵故障检测。
四、应用领域
- 汽车照明系统
- 商用车辆和特殊车辆
- 高效能LED照明系统:
- 高级驾驶辅助系统(ADAS)
- 汽车内饰照明
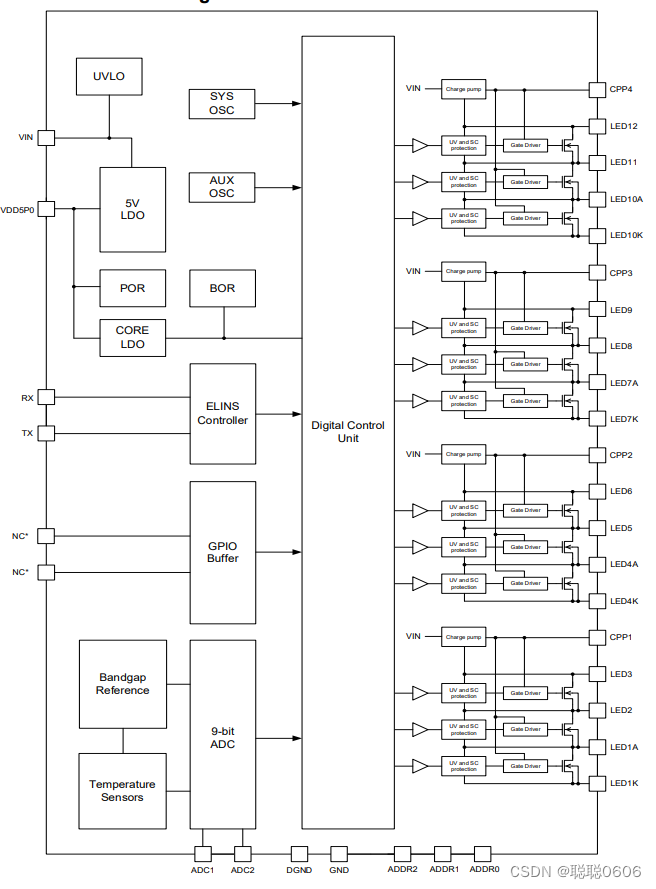
五、功能框图

- VIN: 输入电压。
- 5V LDO: 5V低压差线性稳压器。
- CORE LDO: 核心低压差线性稳压器。
- POR: 上电复位。
- BOR: 欠压复位。
- UVLO: 欠压锁定
- SYS OSC: 系统振荡器。
- AUX OSC: 辅助振荡器
- 数字控制单元: 控制和处理电路的核心。
- ELINS 控制器: 电流和电压控制器。
- GPIO 缓冲: 通用输入输出端口缓冲。
- 9位ADC: 9位模数转换器。
- 带隙基准: 提供稳定的基准电压。
- 温度传感器: 监测温度变化
- RX: 接收数据引脚。
- TX: 发送数据引脚。
- ADC1, ADC2: 模数转换器输入。
- DGND: 数字地。
- ADDR0, ADDR1, ADDR2: 地址引脚
- UV and SC protection: 欠压和短路保护电路。
- Gate Driver: 门驱动器,用于驱动外部负载。
- Charge pump: 电荷泵,用于提高电压。
- LED1-LED12: LED驱动器输出引脚。
- CPP1, CPP2, CPP3, CPP4: 外部连接引脚
六、引脚配置与功能

| 引脚 | 类型 | 描述 | |
| 引脚名字 | 引脚号 | ||
| NC |
1,2,8,9, 10,14,19, 28,29,35, 36,42,48 |
NA | 没有关系 |
| LED1K | 30 | I/O | 连接到LED1的阴极 |
| LED1A | 31 | I/O | 连接到LED1的阳极和LED2的阴极 |
| LED2 | 32 | I/O | 连接到LED2的阳极和LED3的阴极 |
| LED3 | 33 | I/O | 连接到LED3的阳极 |
| LED4K | 37 | I/O | 连接到LED4的阴极 |
| LED4A | 38 | I/O | 连接到LED4的阳极和LED5的阴极 |
| LED5 | 39 | I/O | 连接到LED5的阳极和LED6的阴极 |
| LED6 | 40 | I/O | 连接到LED6的阳极 |
| LED7K | 43 | I/O | 连接到LED7阴极 |
| LED7A | 44 | I/O | 连接到LED7的阳极和LED8的阴极 |
| LED8 | 45 | I/O | 连接到LED8的阳极和LED9的阴极 |
| LED9 | 46 | I/O | 连接到LED9的阳极 |
| LED10K | 3 | I/O | 连接到LED10的阴极 |
| LED10A | 4 | I/O | 连接到LED10的阳极和LED11的阴极 |
| LED11 | 5 | I/O | 连接到LED11的阳极和LED12的阴极 |
| LED12 | 6 | I/O | 连接到LED12的阳极 |
| CPP1 | 34 | O | 电荷泵输出。用最小值为0.1μF的陶瓷电容旁路到LED3引脚 |
| CPP2 | 41 | O | 电荷泵输出。用最小值为0.1μF的陶瓷电容旁路到LED6引脚 |
| CPP3 | 47 | O | 电荷泵输出。用最小值为0.1μF的陶瓷电容旁路到LED9引脚 |
| CPP4 | 7 | O | 电荷泵输出。用最小值为0.1μF的陶瓷电容旁路到LED12引脚 |
| ADC1 | 16 | I | ADC PAD_ADC1 通道输入 |
| ADC2 | 18 | I | ADC PAD_ADC2 通道输入 |
| ADDR0 | 20 | I | 最小有效的3位设备ID。从VDD5P0连接到电阻分压器,得到器件ID的3 LSB。内部ADC采样ADDR0的电压作为设备ID |
| ADDR1 | 21 | I | 设备ID的MSB1。接VDD5P0,或接地('0') |
| ADDR2 | 22 | I | 设备ID的MSB2。接VDD5P0,或接地('0') |
| NC | 23 | I/O | 没有关系 |
| NC | 24 | I/O | 没有关系 |
| RX | 11,26 | I/O | 接收数据引脚。将第一个器件的一个RX引脚连接到微控制器单元的TX输出并使用第二个引脚连接到第二个设备的RX引脚。所有其他设备使用两个引脚路由RX线通过每个设备。两个引脚内部连接。 |
| TX | 12,25 | I/O | 传输数据引脚。将第一个设备的一个TX引脚连接到微控制器单元RX输入和使用第二个引脚连接到第二个设备的TX引脚。所有其他设备都使用两个引脚路由TX线通过每个设备。两个引脚内部连接。 |
| VIN | 13 | I | 输入电压,连接到电池。旁路用陶瓷电容,最小值为1μF 并 接地 |
| VDD5P0 | 15 | I/O | 内部5V LDO输出或外部5V电源输入。这个引脚需要一个陶瓷输出电容值大于等于2.2μF |
| GND | 17 | G | 设备系统接地。所有GND引脚必须连接才能正常工作 |
| DGND | 27 | G | 数字和通信地面。与GND、EPAD连接在一起 |
| EPAD | DAP | G | 连接到系统地 |
DAMO开发者矩阵,由阿里巴巴达摩院和中国互联网协会联合发起,致力于探讨最前沿的技术趋势与应用成果,搭建高质量的交流与分享平台,推动技术创新与产业应用链接,围绕“人工智能与新型计算”构建开放共享的开发者生态。
更多推荐


所有评论(0)