引脚与TP4056兼容 SM5202足1A电流线性充电芯片,9V耐压及输入过压保护OVP充电电池反接保护的锂电池充电
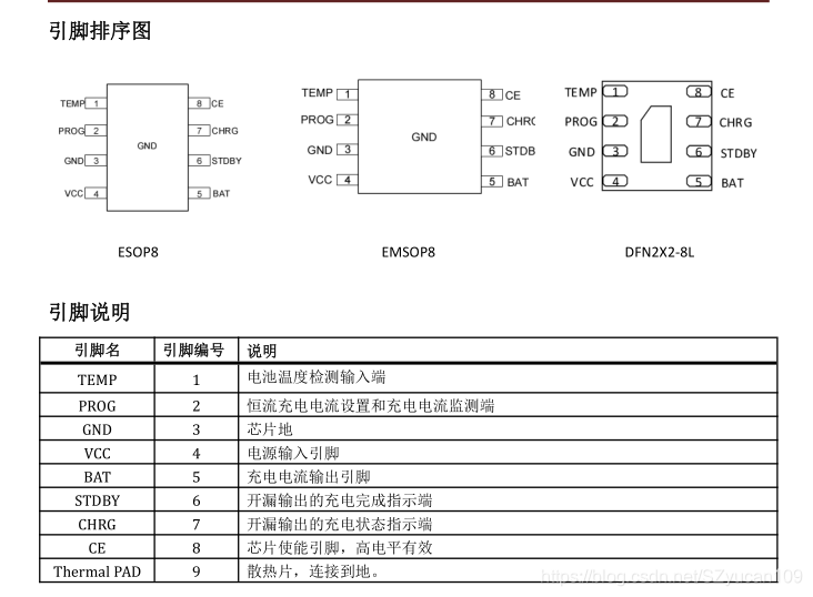
SM5202足1A电流线性充电芯片,9V耐压及输入过压保护OVP充电电池反接保护的锂电池充电,ESOP8/EMSOP8两种封装,引脚与TP4056兼容⚫ 高品质线性充电芯片,足1A电流发热更小 高耐压版4056 SM5202具12V耐压防反接及 OVP功能 1A线性充电IC⚫ 9V耐压及输入过压保护OVP⚫ 锂电池正负极反接保护电池端反接保护⚫ESOP8/EMSOP8两种封装现货 EMSOP8适用
·
SM5202足1A电流线性充电芯片,9V耐压及输入过压保护OVP充电电池反接保护的锂电池充电,ESOP8/EMSOP8两种封装,引脚与TP4056兼容
⚫ 高品质线性充电芯片,足1A电流发热更小 高耐压版4056 SM5202具12V耐压防反接及 OVP功能 1A线性充电IC
⚫ 9V耐压及输入过压保护OVP
⚫ 锂电池正负极反接保护电池端反接保护
⚫ESOP8/EMSOP8 两种封装现货 EMSOP8适用于更小体积电路要求
⚫ 引脚兼容TP4056 及市面所有4056
⚫ 恒定电流/ 恒定电压操作,并具有可在无过热危险的情况下实现充电速率最大化的热调节功能
应用:锂电池充电
SM5202 与通用4056 主要差别在于
- 输出电流足 低发热
- 输入耐压12V 最高9v 可以工作
- NTC引脚功能 不用可以接地
- 多种封装方式
兼容型号: TP4056 ME4057 AP5056 TP4066


DAMO开发者矩阵,由阿里巴巴达摩院和中国互联网协会联合发起,致力于探讨最前沿的技术趋势与应用成果,搭建高质量的交流与分享平台,推动技术创新与产业应用链接,围绕“人工智能与新型计算”构建开放共享的开发者生态。
更多推荐


所有评论(0)