74HC595芯片引脚说明
这里写自定义目录标题原理图原理图引脚直译解释OE打开使能使用此芯片的开关,带上横线的意思就是输入低电平这个芯片才能工作SRCLR连续清零/串行清零控制芯片的数据清空,带上横线的意思就是输入低电平后芯片数据会被清空SER连续/串行数据串行输入的IO口SRCLK连续时钟/串行时钟给高电平一下走一个位(bit),给高电平一下走一个位(SER口)RCLK接收时钟给高电平一下,输出存的那几个位QA-QH并行
·
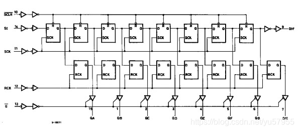
原理图

| 引脚 | 直译 | 解释 |
|---|---|---|
| OE | 打开使能 | 使用此芯片的开关,带上横线的意思就是输入低电平这个芯片才能工作 |
| SRCLR | 连续清零/串行清零 | 控制芯片的数据清空,带上横线的意思就是输入低电平后芯片数据会被清空 |
| SER | 连续/串行 | 数据串行输入的IO口 |
| SRCLK | 连续时钟/串行时钟 | 给高电平一下走一个位(bit),给高电平一下走一个位(SER口) |
| RCLK | 接收时钟 | 给高电平一下,输出存的那几个位 |
| QA-QH | 并行输出 | 并行输出移位过来的数 |
| QH’ | 串行输出 | 用于级联(连接另一个595的SER接口,使位数扩展) |
DAMO开发者矩阵,由阿里巴巴达摩院和中国互联网协会联合发起,致力于探讨最前沿的技术趋势与应用成果,搭建高质量的交流与分享平台,推动技术创新与产业应用链接,围绕“人工智能与新型计算”构建开放共享的开发者生态。
更多推荐


所有评论(0)