【DC-DC】AP9196 DC-DC升压恒流电源管理芯片 升降压3-12V输出9V LED驱动方案
AP9196 是一系列外围电路简洁的宽调光比升压调光恒流驱动器,适用于 3-40V 输入电压范围的 LED照明领域。AP9196 采用我司专利算法,可以实现高精度的恒流效果,输出电流恒流精度≤±3%,电压工作范围为5-40V,可以轻松满足锂电池及中低压的应用需求,输出耐压仅由MOS 耐压决定。芯片内部有本司专利的高精度恒流算法,确保 VIN的上电时间<500ms。PWM 调光信号内部转模拟,调光全
1,方案;升降压3-12V输出9V LED驱动方案BOM表

2,方案;升降压3-12V输出9V LED驱动方案线路图

3,产品说明
AP9196 是一系列外围电路简洁的宽调光比升压调光恒流驱动器,适用于 3-40V 输入电压范围的 LED照明领域。AP9196 采用我司专利算法,可以实现高精度的恒流效果,输出电流恒流精度≤±3%,电压工作范围为5-40V,可以轻松满足锂电池及中低压的应用需求,输出耐压仅由MOS 耐压决定。芯片内部有本司专利的高精度恒流算法,确保 VIN的上电时间<500ms。PWM 调光信号内部转模拟,调光全程无频闪,支持1K 以上的调光频率,调光比 100:1。当 EN/DIM 拉低到 GND 超过 40ms,芯片自动进入休眠模式以降低功耗,此时待机电流<2uA,当 EN/DIM 端口拉高以后芯片重新启动。EN/DIM 管脚不能悬空,不使用时应与VIN 管脚短接在一起。芯片的输出电流通过 IFB 端口电阻来设定。支持过温降电流和输出过压保护。
4,特性
支持 100:1 调光比 工作电压范围 5-40V 启动电压 2.7V 转换效率>95% 超低待机功耗<2uA 真正无频闪调光 支持调光频率超过 32K 支持内部PWM 转模拟调光内置 40VLDO 供电 恒流精度≤±3% 支持过温降电流
支持输出过压保护
封装:ESOP8
5,应用范围
户外照明
智能照明
带锂电应用方案
太阳能路灯
补光灯
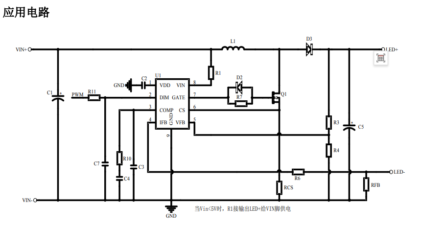
6,应用电路

77,方案来源:深圳市世微半导体有限公司 Augus ,免费样品和技术支持。
DAMO开发者矩阵,由阿里巴巴达摩院和中国互联网协会联合发起,致力于探讨最前沿的技术趋势与应用成果,搭建高质量的交流与分享平台,推动技术创新与产业应用链接,围绕“人工智能与新型计算”构建开放共享的开发者生态。
更多推荐


所有评论(0)