IND87520芯片介绍(一)
IND87520芯片是indiemicro公司推出的一款双同步降压LED驱动器,具有4.5V~65V宽输入电压范围,高达1.6A的恒流输出。采用自适应恒定导通时间控制方法,具有出色的动态瞬态响应。这保证了即使在输出电压非常低的情况下,LED驱动器也能保持稳定的电流,这对需要精确电流调节的应用至关重要。因此,它与LED矩阵控制器兼容,能够为带有汽车前灯和自适应LED驱动的LED分支供电。当稳压器不处
写在前面:有用过TI的TPS92520的可以一起交流一下俩芯片几乎完全一样。
一、芯片介绍
IND87520芯片是indiemicro公司推出的一款双同步降压LED驱动器,具有4.5V~65V宽输入电压范围,高达1.6A的恒流输出。采用自适应恒定导通时间控制方法,具有出色的动态瞬态响应。这保证了即使在输出电压非常低的情况下,LED驱动器也能保持稳定的电流,这对需要精确电流调节的应用至关重要。因此,它与LED矩阵控制器兼容,能够为带有汽车前灯和自适应LED驱动的LED分支供电。当稳压器不处于输出短路状态时,工作频率由恒定导通时间设定。在此条件下,可以将频率设置在100kHz~2.2MHz范围内,扩展频谱深度为5%,降低EMI,以优化其EMC性能。
二、芯片性能
①全汽车级认证:通过AEC-Q100 Grade1全汽车级认证,确保在汽车应用中的高可靠性和耐久性。
②宽输入电压范围:工作输入电压范围为4.5V至65V,适用于各种汽车和工业应用场景。
③高工作频率:开关频率可设定在100kHz至2.2MHz之间,提供设计灵活性。
④频谱扩展优化EMC:±5%的频谱扩展调制,优化电磁兼容性(EMC),减少电磁干扰。
⑤精确的电流调节:电流调节范围高达1.6A,具有4%的精度。在1.2A时,精度提升至1%。
⑥PWM调光控制:提供10位占空比和3位频率控制,支持精细的PWM调光。
⑦内部模拟调光:具备10位内部模拟调光功能,实现精确的亮度调节。
⑧SPI接口:通过SPI接口进行可编程开关频率、输出电流和PWM调光,并支持故障监测。
⑨可编程Limp-home模式:在通信故障时,提供可编程Limp-home模式,内部看门狗监控通信状态,确保系统安全。
⑩低功耗睡眠模式:具有极低电流消耗的睡眠模式,延长电池寿命。
⑪片上温度监控:集成温度监控器,用于监测IC温度,提供过热保护。
三、应用领域
-
汽车前照灯:非常适合用于汽车前照灯系统,提供可靠和高效的照明解决方案。
-
自适应LED驱动(ADB):支持自适应LED驱动应用,实现LED亮度和图案的动态调整,提升驾驶安全性。
-
通用LED照明:适用于工业和消费类的LED照明解决方案,提供高效的电流控制和调光功能。
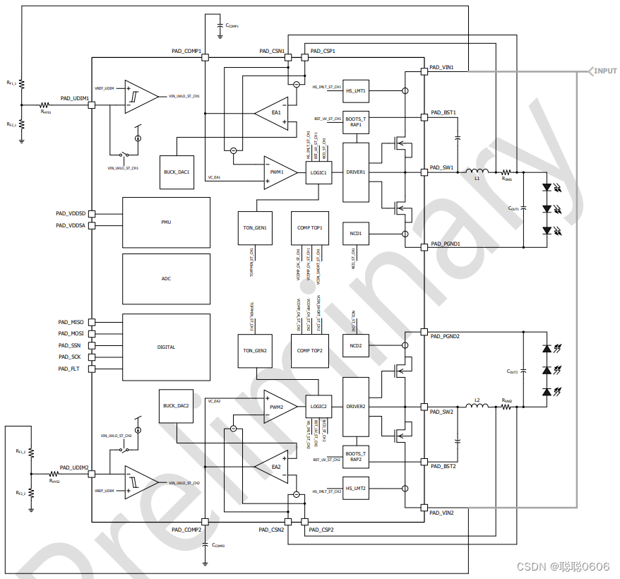
四、功能框图

1.框图解释(自己的理解,注意甄别)
输入电压与分压电阻网络:输入电压从图的右上角进入,通过电感L1和电容Cout1对输出LED阵列供电。同时,输入电压也经过一对分压电阻(RU1和RU2)和电阻RreS,通过PAD_UDIM1引I脚进入控制部分,PAD_UDIM2同理。
运算放大器EA1和EA2:EA1和EA2是误差放大器,用于调节和稳定输出电流。EA1用于控制第一路输出,EA2用于控制第二路输出。
PWM控制:两路PWM控制器(PWM1和PWM2)分别调节两路输出的占空比,通过逻辑电路(LOGIC1和LOGIC2)驱动功率开关(DRIVER1和DRIVER2)。
TON发生器和比较器:TON_GEN1和TON_GEN2是导通时间发生器,用于生成恒定导通时间信号。COMP_TOP1和COMP_TOP2是比较器,用于电流检测和调节。
ADC与数字控制:ADC模块用于将模拟信号转换为数字信号,以便进行进一步处理。DIGITAL模块通过SPI接口(PAD_MISO、PAD_MOSI、PAD_SCK等)进行数据通信和控制。
功率开关和驱动电路:每路输出都有一对功率开关(HS_LIMT1和HS_LIMT2),通过引脚PAD_SW1和PAD_SW2连接。驱动电路(DRIVER1和DRIVER2)控制这些功率开关的导通和关断。
温度监控与看门狗:集成了温度监控器用于实时监测芯片温度,确保过热保护。内部看门狗电路监控通信状态,在通信失败时激活Limp-home模式,保证系统安全。
滤波和稳定电路:电感L1和L2与电容Cout1和Cout2组成的滤波网络,用于平滑输出电流,减少纹波。
2.引脚说明
PAD_CSP1、PAD_CSN1、PAD_CSP2、PAD_CSN2:用于检测输出电流的采样电阻两端电压。
PAD_VDDIO、PAD_VDDSA:供电引脚,提供驱动和控制电路的工作电压。
PAD_UDIM1、PAD_UDIM2:调光控制引脚,通过外部电阻分压网络控制。
PAD_MISO、PAD_MOSI、PAD_SCK、PAD_SSN:SPI接口引脚,用于数据通信和配置。
五、引脚配置与功能

| 引脚 | 类型 | 描述 | |
| 引脚名字 | 引脚号 | ||
| COMP1 | 1 | I/O | 环路误差放大器的输出 |
| COMP2 | 16 | I/O | |
| UDIM1 | 2 | I | 外部PWM调光信号输入/UVLO |
| UDIM2 | 15 | I | |
| PGND | 3,4,13,14 | G | 电源驱动器和数字电路接地 |
| VIN1 | 5,6 | P | 输入电源电压,输入去耦电容CIN是必需的 在这个引脚和PGND之间 |
| VIN2 | 11,12 | ||
| GND | 7,10 | G | 噪声敏感电路的模拟接地。接电路接地到 完整的返回路径 |
| V5D | 8 | P | 数字和电源5V供电输入 |
| V5A | 9 | P | 模拟5V电源输入 |
| CSN1 | 32 | I | 内部电流传感器的负极输入,放置一个传感电阻RCS是在这个引脚和CSPx之间是必要的 |
| CSN2 | 17 | I | |
| CSP1 | 31 | I | 内部电流传感器的正极输入,放置一个传感电阻RCS是在这个引脚和CSNx之间是必要的。 |
| CSP2 | 18 | I | |
| BST1 | 30 | P | 引导带电源导轨,以提供高侧驱动器。陶瓷电容器CBST是需要从这个引脚到SWx。在这个引脚和之间有一个二极管当低侧MOSFET接通时,V5D引脚对CBST充电 |
| BST2 | 19 | P | |
| SW1 | 28,29 | P | 高侧MOSFET、低侧MOSFET与外部电感的连接节点 |
| SW2 | 20,21 | P | |
| MOSI | 22 | I | SPI从机数据输入 |
| MISO | 23 | O | 开漏SPI从数据输出,将4.7kΩ电阻连接到V5D引脚 |
| SCK | 24 | I | SPI时钟输入 |
| SSN | 25 | I | SPI从机选择输入 |
| LHI | 26 | I | Limp home模式/独立模式配置引脚。当芯片 在不通信的情况下操作,该引脚的电压将被采样 内部ADC。然后环路参考DAC代码将相应生成。 如果该引脚的输入电压低于欠压阈值,则频道将被关闭。 |
| FLT | 27 | O | 设置为开漏输出以报告故障状态。如果发生故障,引脚就会下拉。 |
DAMO开发者矩阵,由阿里巴巴达摩院和中国互联网协会联合发起,致力于探讨最前沿的技术趋势与应用成果,搭建高质量的交流与分享平台,推动技术创新与产业应用链接,围绕“人工智能与新型计算”构建开放共享的开发者生态。
更多推荐


所有评论(0)