ICL1202 可PWM调光的高压线性LED恒流驱动芯片 带5V供电口
ICL1202 可PWM调光的高压线性LED恒流驱动芯片 带5V供电口
·
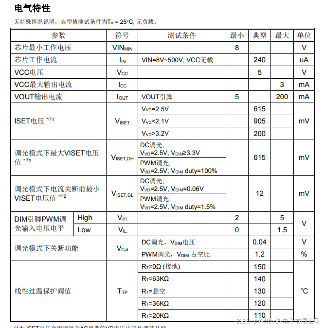
ICL1202是一款可支持DC调光及PWM调光、 且具有线电压补偿功能的单通道高压线性LED恒流 驱动芯片,内部集成500V高压MOS。 ICL1202可通过外设电阻RISET对输出电流进 行设置,电流可在5mA~200mA范围内进行任意调 节。除此之外,也可经由DIM脚位进行0V/3.3V或 0V/5V PWM (Pulse Width Modulation)调光、以及 0V~3.3V DC调光,提供了相当弹性的LED发光亮度 调节方式。 ICL1202经由VD引脚提供了相当优异的线电 压补偿功能;内置的线性过温保护功能,可以有效 防止系统温度过高造成损坏,并可通过外设电阻RT 选择过温保护温度。 ICL1202整个系统具有外围简单,应用灵活, 可靠性高,体积小,系统成本低等优点;合适的封装技术可应用于各类LED灯具。
可经由外设电阻调节输出电流。
交流电源波动范围内,优异的系统功
率调节。
驱动电路和LED灯珠同板设计解决
方案,最大限度地减少工艺流程和组
装成本。
提供单板LED照明解决方案。
可支持DC调光和PWM调光。
线性过温保护功能。
eSOP-8L封装。
ICL1202AE,ICL1202BE




DAMO开发者矩阵,由阿里巴巴达摩院和中国互联网协会联合发起,致力于探讨最前沿的技术趋势与应用成果,搭建高质量的交流与分享平台,推动技术创新与产业应用链接,围绕“人工智能与新型计算”构建开放共享的开发者生态。
更多推荐



所有评论(0)