计算机网络复习题(含答案)
计算机网络期末复习大题、计算分析题、综合应用题
计算机网络计算分析大题
一. 计算分析题(共30题,66分)
1. (计算分析题)通过IEEE802.3局域网发送ASCII码数据“Staystrongwuhan",若封装成一个MAC帧,请问该帧的数据字段有效字节是多少?需要填充多少个字节?
正确答案: 15字节;填充31字节。
2. (计算分析题)
下图是使用tracert命令跟踪路由的输出结果,仔细阅读下图,回答下面问题。

(1)tracert命令的功能是什么,使用了什么协议?(5分)
(2)主机www.sohu.com的IP地址是什么?(5分)
正确答案:(1)Tracert(跟踪路由)是路由跟踪实用程序,用于确定IP数据包访问目标时所经过的路径,即途经的每一个路由器的地址信息;使用ICMP协议。(2)www.sohu.com的IP地址是220.181.90.8 。
3. (计算分析题)
某网络如图所示,路由器Router局域网接口IP地址为202.196.8.161/27,主机PC0、笔记本PC1的网络配置如图中所示。主机PC0、笔记本PC1均不能正常访问因特网,而连接到交换机Switch上的其它主机访问因特网均没有问题。请分析可能的原因,并提出相应的解决办法。

正确答案:路由器局域网接口地址为:202.196.8.161/27,因此:该网络的子网掩码为:255.255.255.224(1110 0000)可用的IP地址范围:202.196.8.161-202.196.8.190。
主机pc01的IP地址、子网掩码、网关配置有误;笔记本pC02的IP地址、子网掩码配置有误;正确配置:
|
IP地址范围 |
子网掩码 |
网关 |
|
|
PC01 |
202.196.8.162-202.196.8.190 |
255.255.255.224 |
202.196.8.161 |
|
PC02 |
202.196.8.162-202.196.8.190 |
255.255.255.224 |
202.196.8.161 |
4. (计算分析题)PPP协议使用同步传输技术传送比特串0110111111111100,试问经过零比特填充后变成怎样的比特串?若接收端收到的PPP帧的数据部分是0001110111110111110110,问删除发送端加入的零比特后变成怎样的比特串?
正确答案:
经过零比特填充后是:011011111011111000
删除发送端加入的零比特后变成:00011101111111111110
5. (计算分析题)
有10个站连接到以太网上,试计算以下三种情况每一个站所能得到的带宽。
(1)10个站都连接到一个10Mbit/s的以太网集线器;(3分)
(2)10个站都连接到一个100Mbit/s的以太网集线器;(3分)
(3)10个站都连接到一个10Mbit/s的以太网交换机。(4分)
正确答案:
(1)1Mbit/s(2)10Mbit/s(3)10Mbit/s
6. (计算分析题)
传输数据时采用CRC校验方式,生成多项式P(X)=x3+x2+1,现在发送端待发送的数据为101001。试完成以下各题:
(1)发送端进行校验时的被除数和除数的二进制序列分别是多少?(2分)
(2)计算出的余数的二进制序列是多少?请给出计算过程。(6分)
(3)校验后,发送端发送的含校验码的数据的二进制序列是多少?(2分)
正确答案:(1)发送端被除数是101001000,除数是1101
(2)余数是001(3)发送数据为101001001 (2分)
7. (计算分析题)
主机A向主机B连续发送了两个TCP报文段,其序号分别为80和110。问:
(1)第一个报文段的数据部分有多少个字节?(2分)
(2)主机B收到第一个报文段后发回的确认中的确认号是多少?(2分)
(3)如果主机B收到第二个报文段后发回的确认中的确认号是190,试问A发送的第二个报文段中的数据有多少字节?(2分)
(4)如果A发送的第一个报文段丢失了,但第二个报文段到达了B,B在第二个报文段到达后向A发送确认,试问这个确认号应为多少?(2分)
(5)TCP报文段首部中的哪个字段用来标识确认号字段有效,取值是多少?
正确答案:
(1)第一个报文段的数据部分有30个字节;
(2)主机B收到第一个报文段后发回的确认中的确认号应当是110;
(3)A发送的第二个报文段中的数据部分有80个字节;
(4)这个确认号仍然是80;
(5)ACK=1
8. (计算分析题)
假设某次IP链路测试ping命令的结果如下:
C:\> ping (参数) 145.5.20.17
Pinging 145.5.20.17 with 210 bytes of data:
Reply from 145.5.20.17: bytes=210 time=30ms TTL=56
Request timed out.
Reply from 145.5.20.17: bytes=210 time=20ms TTL=56
Request timed out.
Request timed out.
Ping statistics for 145.5.20.17: Packets: Sent = 5, Received = 2, Lost = 3 (60% loss), Approximate round trip times in milli-seconds: Minimum = 20ms, Maximum = 30ms, Average = 25ms
请回答以下问题:
(1)此次ping命令后的参数是什么?(2分)
(2)该测试发送了几个数据包?(2分)
(3)每个数据包大小为多少个字节?(2分)
(4)有几个数据包发送成功?(2分)
(5)数据平均往返时间是多少ms?(2分)
正确答案:
(1)此次ping命令后的参数是-n 5 –l 210(2分)
(2)该测试发送了5个数据包(2分)
(3)每个数据包大小为210个字节(2分)
(4)有2个数据包发送成功(2分)
(5)数据平均往返时间是25ms(2分)
9. (计算分析题)
一个网络管理员用网络扫描软件捕获了一个UDP用户数据报,该数据报首部的十六进制表示为06 32 00 35 00 1C E2 17,请问:
(1)该数据报对应的源端口、目的端口是什么?(4分)
(2)该数据报是客户发给服务器的还是服务器回应给客户的?使用该UDP的应用服务器程序是什么?(4分)
(3)用户数据报的总长度和数据部分长度分别是多少?(2分)
正确答案:
(1)该数据报对应的源端口是0000 0110 0011 0010,其十进制表示为1586(2分);目的端口是0000 0000 0011 0101,其十进制表示为53(2分)。
(2)因目的端口<1024,是熟知端口,因此该数据报是客户发给服务器的(2分),使用该UDP的应用服务器程序是DNS(2分)。
(3)用户数据报的总长度是0000 0000 0001 1100,其十进制表示为28个字节,因此数据部分长度是总长度减去UDP数据报首部8个字节,即20字节。(2分)
10. (计算分析题)

(6)针对TCP中的流量控制和拥塞控制机制,请从其局限性角度分析二者的区别,以及发送方发送窗口的取值原则。
(7)请分析TCP和UDP协议在应用程序通信中的局限性,进而给出两者各自的应用场合。
正确答案:
(1)[1-7](1分),[23-26](1分)
(2)[8-15](1分),[16-22](1分)
(3)第15轮次之后是收到三个重复的确认检测到丢失了报文段(1分),第22轮次之后是通过超时检测到丢失了报文段。(1分)
(4)第1轮次的门限值设置为64(1分),第25轮次的门限值设置为21(1分)。
(5)在第7轮次发送出第70个报文段。(2分)
(6)流量控制考虑的是接收方的接收能力,通过接收窗口值进行控制;而拥塞控制是从整个网络能够承受的负荷考虑的,通过拥塞窗口进行控制;两者配合使用才能更好的控制发送方的发送速度,避免过载造成的数据丢失,发送窗口应取接收窗口与拥塞窗口中较小的值。
(7)UDP是无连接的协议,提供无连接服务;支持单播、多播、广播,不提供可靠交付,简单。适用于很多应用,如:多媒体应用等;TCP是面向连接的协议,提供面向连接服务;支持点对点单播,不支持多播、广播;提供可靠服务;复杂。用于大多数应用,如:万维网、电子邮件、文件传送等。
11. (计算分析题)月球到地球的距离大约为3.8×105km,在它们之间架设一条200kbps的点到点链路,信号传播速率为光速(3.0×105km/s),将一副照片从月球传回地球所需时间为501.3s。求这幅照片的大小(单位MB,保留1位小数)。
正确答案:
传播时延:(3.8×105km)÷(3.0×105km/s)= 1.3s
发送端发送时延:501.3-1.3 = 500s
照片大小:(200kbps×500s)÷8 = 12500KB = 12.2MB
12. (计算分析题)
在浏览器中输入http://www.pdsu.edu.cn并按回车,直到我们学校的网站首页显示在浏览器的过程中,按照TCP/IP参考模型,从应用层到网络接口层都用到了哪些协议?请简要说明协议的名称和作用。并简要描述从输入网址到页面显示的整个流程。
正确答案:
(1)应用层用到的协议主要有HTTP和DNS协议,HTTP规定了WEB服务器和浏览器之间传输WEB网页时需要遵循的规则和格式,DNS协议用于域名解析;
(2)传输层用到的协议主要有TCP和UDP协议,TCP协议为HTTP提供可靠的数据传输,而DNS一般使用传输层的UDP协议;
(3)网络层用到的主要协议有IP、ARP协议,IP协议用于数据包的传输,ARP协议用于将本机的默认网关IP地址映射为物理MAC地址。
(4)网络接口层:不同的局域网将会使用不同的标准,目前常用的以太网标准是802.3,无线局域网标准是802.11。
(2)过程描述如下:
①利用DNS,查询到www.pdsu.edu.cn对应的IP地址;
②浏览器与www.pdsu.edu.cn的Web服务器利用TCP协议建立连接;
③浏览器利用HTTP的GET方法向www.pdsu.edu.cn的Web服务器发送资源请求;
④Web服务器发送回应信息;
⑤浏览器解释回应信息,并以图形化的方式显示。
13. (计算分析题)
时延、速率、利用率等是衡量计算机网络性能的重要指标,通信过程中,分组交换和电路交换是常用的数据交换方式,试分析并计算下题:如下图所示的网络中,采用“存储-转发”方式的分组交换网络中,所有链路的数据传输率为100Mb/s,分组大小为1000B,其中分组头部大小为20B,若主机H1向主机H2发送一个大小为980000B的文件,则在不考虑分组拆装时间和传播时延的情况下,从H1发送开始到H2接收完为止,需要的时间至少为多久?

正确答案:
由题设可知,分组携带的数据长度为980B,文件长度为980000B,需要拆分为1000个分组,加上头部之后,每个分组大小为1000B,总共需要传送的数据量大小为1MB;
数据传输速率为100Mb/s,因此当t=1M*8/100Mbps = 80ms时,H1发送完最后一个比特;
由于所有链路的数据传输速率相同,因此文件传输经过最短路径时所需时间最少,即最后一个分组经过2个中间结点设备的转发,每次转发的时间为 t0 = 1K×8/100Mbps = 0.08ms;所以,在不考虑分组拆装时间和传播延时的情况下,当t = 80ms + 2t0 = 80.16ms时,H2接受完文件,即所需的时间至少为80.16ms。
14. (计算分析题)
netstat命令是网络中常用的监控工具,在某台计算机执行netstat命令后输出结果如下:
Active Connections
Proto LocalAddress Foreign Address State PID
TCP 0.0.0.0:135 0.0.0.0:0 LISTENING 1476
TCP 192.168.1.101:3558 61.183.22.160:21 ESTABLISHED 2088
TCP 192.168.1.101:3570 222.73.78.246:80 ESTABLISHED 1975
TCP 192.168.1.101:3574 111.177.111.208:443 ESTABLISHED 2002
UDP 0.0.0.0:4000 *:* 884
请用计算机网络中基本原理和基本技术分析以上输出结果,回答以下问题:
(1)计算机使用的netstat命令参数形式为____________________。(2分)
(2)此计算机访问了IP地址是___________________的Web网站。(2分)
(3)此计算机访问了IP 地址是___________________的FTP服务。(2分)
(4)此计算机对111.177.111.208的访问是由进程ID为__的进程发起的。
(5)此计算机的IP地址为___________________。(2分)
正确答案:
(1)-no(2)222.73.78.246(3)61.183.22.160(4)2002(5)192.168.1.101
15. (计算分析题)
一个TCP首部的数据信息(以十六进制表示)为:0x 0D 28 00 15 50 5F A9 06 00 00 00 00 70 02 40 00 C0 29 00 00,TCP首部的格式如下图所示,请回答:
(1)源端口号和目的端口号各是多少?
(2)发送的序列号是多少?确认号是多少?
(3)TCP首部的长度是多少?
(4)这是一个使用什么协议的TCP连接?该TCP连接的状态是什么?

正确答案:
(1)源端口号:0D 28,即十进制数3368,目的端口号:00 15,即十进制数21
(2)发送的序列号是:50 5F A9 06,即TCP报文段的序号SEQ=1348446470,确认号是 00 00 00 00,即0
(3)TCP首部的长度是:7*4=28字节
(4)因为目的端口号是21,所以这是一个使用FTP协议的TCP连接;因为只有SYN=1而ACK=0,因此该TCP连接是一个建立请求的报文段,即三次握手中的第一个报文。
16. (计算分析题)在无噪声情况下,若某通信链路的带宽为4kHz,采用4个相位,每个相位具有2种振幅的QAM调制技术,则该通信链路的最大数据传输速率是多少?奈氏准则与香农定理的区别是什么?
正确答案:
(1)奈奎斯特:在无噪声情况下,码元速率极限值B与信道带宽的关系:B=2*H(Baud)
奈奎斯特公式----无噪信道传输能力公式:
C=2*H*log2N(bps)H为信道的带宽,本题中H=4KHz;
N为一个码元所取得离散值个数,本题中N=8(4个相位,每个相位2种振幅)。
C=2*H*log2N=2*4kHz*log28=2*4k*3=24kbps;
香农公式是在带噪信道容量计算时使用的公式:
C=H*log2(1+S/N)(bps)
S为信号功率,N为噪声功率,S/N为信噪比;
(2)教材45-46页
奈氏准则给出了在假定的无噪声理想信道中,为了避免码间串扰,码元传输速率的上限值;而香农定理则是定义了在有噪声的实际信道中信道的极限信息传输速率,它与信道的带宽和信道的信噪比成正比。
17. (计算分析题)
某局域网采用CSMA/CD协议实现介质访问控制,数据传输率为20Mbit/s,主机甲和主机乙之间的距离为1km,信号传播速度是200000km/s。请回答下列问题,要求说明理由或写出计算过程。
(1)若主机甲和主机乙发送数据时发生冲突,则从开始发送数据时刻起,再到两台主机均检测到冲突时刻为止,最短需经过多长时间?最长经过多长时间(假设主机甲和主机乙发送数据过程中,其他主机不发送数据)?
(2)若网络不存在任何冲突与差错,主机甲总是以标准的最长以太网数据帧(1518字节)向主机乙发送数据,主机乙每成功收到一个数据帧后立即向主机甲发送一个64字节的确认帧,主机甲收到确认帧后方可发送下一个数据帧。此时主机甲的有效数据传输速率是多少(不考虑以太网的前导码就是18)?
![]()
![]()
正确答案:
(1)当主机甲和主机乙同时向对方发送数据时,信号在信道中发生冲突后,冲突信号继续向两个方向传播。这种情况下,两台主机均检测到冲突需要经过的时间最短,等于单程的传播时延,其值如下:τ短 = 1km÷200000km/s = 0.005ms;
主机甲(或乙)先发送一个数据帧,当该数据帧即将到达主机乙(或甲)时,主机乙(或甲)也开始发送一个数据帧。这时主机乙(或甲)将立刻检测到冲突,而主机甲(或乙)要等到冲突信号从主机乙(或甲)传播到主机甲(或乙)才能检测到冲突。这种情况下,两台主机均检测到冲突所需要经过的时间最长,等于往返的传播时延,其值如下:τ长 = 2τ短 = 0.01ms
(2)
设a为数据帧的发送时延;
b为数据帧最后一比特的传播时延;
c为确认帧的发送时延;
d为确认帧最后一比特的传播时延
则b与d相等,b+d为主机间信号传播的往返时延
主机甲成功发送一个最长以太网数据帧所耗费的总时长为 a + b + c + d = a + 2b + c
= ((1518 × 8b) ÷ 20Mb/s) + ((1km ÷ 200 000km/s) × 2) + ((64 × 8b) ÷ 20Mb/s) = 0.6428ms;
经过0.6428ms,主机甲发送的有效数据载荷为1500字节,也就是不包括以太网帧的首部18字节(6字节源地址字段 + 6字节目的地址字段 + 2字节类型字段 + 4字节帧检验序列),也不包括以太网的前导码(题目要求)。
综上所述,主机甲的有效数据传输速率为 (1500 × 8b) ÷ 0.6428ms ≈ 18.67Mb/s。

18. (计算分析题)TCP连接使用1000字节的窗口值,而上一次的确认号是22001,现收到了一个报文段,确认号是22401,窗口字段变为1200字节,则收到该报文段前后发送方的发送窗口(即允许发送的序号)具体是什么?
正确答案:
收到确认报文前,发送窗口内允许发送的字节序号是22001-23000,收到确认报文后,发送窗口内允许发送的字节序号是22401-23600。
19. (计算分析题)
某学校公共实验中心,包含6个机房,每个机房不超过30台计算机。该实验中心使用C类IP地址,网络ID为211.69.16.0/24,为了更好管理机房网络,避免机房之间的广播流量,各个机房网络通过1台路由器实现互联(假定不使用子网ID为全0、全1的子网)。请列出每个机房对应的子网地址、可用IP地址范围、广播地址、子网掩码,填写在下表内(6分),要求有解题思路(4分)。
|
机房 |
子网地址 |
可用IP地址范围 |
广播地址 |
子网掩码 |
|
1 |
||||
|
2 |
||||
|
3 |
||||
|
4 |
||||
|
5 |
||||
|
6 |
(1)子网划分结果见下表:
|
机房 |
子网地址 |
可用IP地址范围 |
广播地址 |
子网掩码 |
|
1 |
211.69.16.32 |
211.69.16.33-211.69.16.62 |
211.69.16.63 |
255.255.255.224 |
|
2 |
211.69.16.64 |
211.69.16.65-211.69.16.94 |
211.69.16.95 |
255.255.255.224 |
|
3 |
211.69.16.96 |
211.69.16.97-211.69.16.126 |
211.69.16.127 |
255.255.255.224 |
|
4 |
211.69.16.128 |
211.69.16.129-211.69.16.158 |
211.69.16.159 |
255.255.255.224 |
|
5 |
211.69.16.160 |
211.69.16.161-211.69.16.190 |
211.69.16.191 |
255.255.255.224 |
|
6 |
211.69.16.192 |
211.69.16.193-211.69.16.222 |
211.69.16.223 |
255.255.255.224 |
(2)解题思路:
①确定借位数:有6个机房,且全0、全1子网不能使用,因此至少要借3位,而每各机房主机数量不超过30台,剩余5位,去掉子网地址和广播地址刚好是30个IP,因此确定从主机号借3位做子网号;
②子网号取值范围是001-110,在每个子网中,子网地址是剩余主机号全0、子网广播地址是剩余主机号全1,中间是可用IP地址,子网掩码是网络号和子网号全1,据此进行计算即可。
20. (计算分析题)
一个数据报长度为4000字节(固定首部长度),现在经过一个网络传送,但此网络能够传送的最大数据报长度是1500字节。试问应当划分为几个短些的数据报片?各数据报片的数据字段长度、片偏移字段、DF和MF标志位应为何数值?请将答案填写在下表中,并给出计算过程。
正确答案:
(1)分片情况见下表
|
分片序号 |
数据部分长度 |
片偏移 |
DF |
MF |
|
1 |
1480B |
0 |
0 |
1 |
|
2 |
1480B |
185 |
0 |
1 |
|
3 |
1020B |
370 |
0 |
0 |
(2)解题思路:
①数据报的总长度减去首部长度,得到IP数据报的数据部分长度:4000 – 20 = 3980B
②先划分出一个数据报分片(考虑首部有20B长),3980 - (1500-20) = 2500B
③剩下的数据长度大于MTU,再划分出一个数据报分片,2500 - (1500-20) = 1020B,剩下的数据长度小于MTU。
④因此,该数据报划分为3个数据报分片,数据长度分别为1480字节、1480字节和1020字节;片偏移字段的值分别是0、185(1480/8)和370(2×1480/8)。
21. (计算分析题)
在计算机网络通信过程中,为了保障传输数据的正确性,通常需要对数据进行校验,如奇偶校验、循环冗余检验(CRC)等。请应用循环冗余检验(CRC)方法解决以下问题。
某个数据通信采用CRC校验方式,且生成多项式P(X)=X4+X3+1,现在接收端接收到的二进制比特序列是1100011001(含CRC校验码)。试完成以下各题:
(1)接收端进行校验时的被除数和除数的二进制序列分别是多少?(4分)
(2)计算出的余数的二进制序列是多少?(4分)
(3)传输过程是否出现了差错?(2分)
正确答案:
(1)接收方进行校验时的被除数即接收方收到的二进制比特序列1100011001,生成多项式P(X)=X4+X3+1,因此除数是11001; (4分)
(2)进行二进制除法,所得余数为1011;(4分)
(3)由于余数不为0,因此传输过程中出现了差错。(2分)
22. (计算分析题)在Internet上有一台Web服务器,其域名为www.pdsu.edu.cn,IP地址为211.69.16.58,其服务器进程在默认端口守候。如果某个用户直接输入域名访问该Web服务器的主页,那么客户端的浏览器需要经过哪些步骤才能将该主页显示在客户端的屏幕上?
正确答案:
客户端浏览器获得Web服务器的主页并将其显示在屏幕上的过程下:
(1)浏览器分析超链接指向页面的URL,然后向域名服务器发出对域名www.pdsu.edu.cn的解析请求,查询出该Web服务器对应的IP地址为211.69.16.58;
(2)浏览器与www.pdsu.edu.cn的Web服务器利用TCP协议建立连接;
(3)浏览器利用HTTP的GET方法向www.pdsu.edu.cn的Web服务器发送获取主页的资源请求;
(4)Web服务器在接收到浏览器的HTTP请求后,将构建所请求Web页面必须的各种信息,并将信息(由HTML描述)通过Internet传送给客户端的浏览器;
(5)浏览器将收到的信息进行解释,然后将Web页面显示在屏幕上。
23. (计算分析题)
时延、传输效率等是衡量计算机网络性能的重要指标,在计算机网络中,长度为100字节的应用层数据经由以太网进行传输,已知:传输层使用TCP协议且TCP和IP协议均使用固定长度的首部,试求:
(1)此时数据的传输效率是多少?(5分)
(2)若应用层数据长度为1000字节时,数据的传输效率又是多少?(5分)
备注:数据的传输效率是指发送的应用层数据除以所发送的总数据(即应用数据加上各种首部和尾部的额外开销)。
正确答案:
(1)由题意可知,TCP协议和IP协议均使用固定长度的首部,即首部长度均为20字节,经由以太网传输时,以太网的首部和尾部共计18字节,因此,当应用层数据为100字节时,数据的传输效率=100/(100+20+20+18)=63.3%;(5分)
(2)同理,当应用层数据为1000字节时,数据的传输效率=1000/(1000+20+20+18)=94.5%(5分)
24. (计算分析题)假设一个IP数据报,头部长度为20B,数据部分长度为2000B。现该分组从源主机到目的主机需要经过两个网络,这两个网络允许的最大传输单元MTU为1500B和572B,请分析该数据报如何分片?
正确答案:
经过第1个网络时,MTU为1500B,即一个报文段的数据部分最长为1480B(能够被8整除),因此分为2个报文段,第1片数据部分长度为1480B,第2片数据部分长度为520B
经过第2个网络时,MTU为572B,即一个报文段的数据部分最长为552B(能够被8整除),因此之前的第1片又被分为3片,数据部分长度分别为552B、552B、376B,之前的第2片可以正常通过
25. (计算分析题)
计算机网络是个非常复杂的系统,它采用“分层”的思想进行设计,将这一复杂问题转化为若干个较小的局部问题进行研究和处理,试分析:
计算机网络要解决的基本问题有哪些(请按照“分层设计思想”对问题进行归类,并考虑层次设计的原则,以及问题之间的依赖关系)?以TCP/IP体系结构为例,分析上述问题与TCP/IP各层之间的对应关系,给出TCP/IP各层常用协议。
正确答案:
计算机网络要解决的基本问题有:
(1)网络要能够提供给用户多样化的网络服务,在TCP/IP体系结构中,这个问题是由应用层解决的,常用的应用层协议有DNS、DHCP、FTP、HTTP、SMTP等;
(2)网络如何区分同一个主机中多个网络应用进程发出的数据?网络提供的是可靠还是不可靠的服务?在TCP/IP体系结构中,这些问题是由传输层解决的,传输层有两个协议,分别是TCP和UDP,TCP提供可靠数据传输服务,UDP提供不可靠数据传输服务;
(3)网络如何标识通信的双方?终端之间的数据传输采用哪种数据交换方式?在TCP/IP体系结构中,这些问题是由网络层解决的,使用IP协议封装数据报,路由器采用分组转发方式实现数据报的传输;
(4)数据如何通过每一段具体的通信链路?在TCP/IP体系结构中,这些问题由数据链路层解决,常见的链路层标准如以太网标准;
(5)如何将二进制比特流转换成适宜在各种传输媒体上传输的信号?在TCP/IP体系结构中,这些问题由物理层解决,常见的物理层标准如RJ-45标准。
26. (计算分析题)
拥塞控制是TCP协议的重要特性使用TCP协议的相关原理求解以下数据传输问题:
假定某个时刻TCP的拥塞窗口为18KB,并且发生了超时事件。如果接下来4个轮次的传输都是成功的,那么4轮次后该拥塞窗口将是多大?假定最大报文段长度是2KB。
正确答案:
当发生超时事件时,门限值将设为当前拥塞窗口的一半,即9KB,然后将拥塞窗口设为一个最大报文段长,即2KB;(3分)
接着开始执行慢开始算法,发送1个报文段,然后在第2、3、4轮次分别发送2个、4个和8个报文段,拥塞窗口应该分别为4KB、8KB、16KB;(4分)
但是由于门限值设为9KB,因此在4轮次后,拥塞窗口改为9KB,然后开始执行拥塞避免算法。(3分)
27. (计算分析题)
数据通信中,奈氏准则与香农定理对数据传输的极限速率给出了定义,请使用相关公式计算下列问题:
(1)设无噪声链路的信号传播速率为2×108m/s,信道带宽为16MHz,信号的调制方式为二元调制,当传送200B的分组时,传播时延等于发送时延。请求出链路长度。(5分)
(2)奈氏准则与香农定理的区别是什么?(5分)
正确答案:
(1)根据奈奎斯特准则,信号在无噪声信道上的传输速率为2Wlog2N,根据题意,信道带宽W为16MHz,信号可能存在的状态数N为2,则可以求得信号在信道上的传输速率为32Mb/s。
发送200B数据的发送时延 t = (200×8b)÷32Mb/s = 50μs;
即传播时延也是50μs,因此,链路的长度=2×108 m/s×50μs=10km。(5分)
(2)奈氏准则给出了在假定的无噪声理想信道中,为了避免码间串扰,码元传输速率的上限值;而香农定理则是定义了在有噪声的实际信道中信道的极限信息传输速率,它与信道的带宽和信道的信噪比成正比。(5分)
28. (计算分析题)
可靠传输是TCP协议的重要特性使用TCP协议的相关原理求解以下数据传输问题:
设信道的数据发送速率为4kb/s,发送一帧数据所需的时间是信道单向传播时延的3倍。通信采用停等协议,开始发送一帧数据至接收到确认帧所需时间为100ms。请求出数据帧的长度(帧的控制信息、确认帧长及帧处理时间忽略不计)。
29. (计算分析题)
(无答案)假设当浏览器发送一个HTTP GET报文时,通过浏览器捕获到下列ASCII字符串(这是HTTP GET报文的实际内容,回车和换行符已经将文本按照换行显示,符号本身没有显示,最左边一列数字是HTTP报文内容按行输出的行编号)。根据下图,回答下列问题。
(1)由浏览器请求的文档的URL是什么?(2分)
(2)该浏览器运行的是HTTP的何种版本?(2分)
(3)该浏览器请求的是一条非持续连接还是一条持续连接?(2分)
(4)发起该请求报文的浏览器的类型是什么?在一个HTTP请求报文中,为什么需要浏览器类型?(4分)

30. (计算分析题)
(无答案)一个信道的带宽是10KHz,数字信号的电平取值存在8种可能。
(1)请问理想状态下该信道的最大数据传输速率是多少?(5分)
(2)若考虑到信道噪声,信噪比为30dB,则该信道的最大数据传输速率是多少?(5分)
二. 综合应用题(共15题,34分)
31. (综合应用题)
某学院下辖三个系,学院局域网的组网方案如图,设备A的三个接口分别和三个系的网络设备B、C、D相连,另外三个接口分别与E-mail服务器、WWW服务器以及一个连接Internet的路由器R相连,如下图所示。

(1)若A、B、C和D都是100Mbit/s的Hub,假设所有链路速率都是100Mbit/s,并且图中6台主机中的任何一台都能跟任何一台服务器或主机通信。请计算这6台主机和服务器产生的总吞吐量的最大值。
(2)若A是100Mbit/s的Ethernet交换机,B、C和D都是100Mbit/s的Hub,假设所有链路速率都是100Mbit/s,并且图中6台主机中的任何一台都能跟任何一台服务器或主机通信。请计算这6台主机和服务器产生的总吞吐量的最大值。
(3)若A、B、C和D都是100Mbit/s的Ethernet交换机,假设所有链路速率都是100Mbit/s,并且图中6台主机中的任何一台都能跟任何一台服务器或主机通信。请计算这6台主机和服务器产生的总吞吐量的最大值。
正确答案:
(1)由假设可知整个系统就是一个冲突/碰撞域,所以系统最大吞吐量为:100 Mbit/s。
(2)由假设可知每个系就是一个冲突/碰撞域,系统最大吞吐量=∑每个系的最大吞吐量+∑服务器的吞吐量=3×100 Mbit/s+2×100Mbis=500 Mbit/s。
(3)由于交换机可以隔离接口的广播通信量,所以由假设可知系统最大吞吐量=∑每台主机的最大吞吐量+∑服务器的吞吐量=6×100 Mbit/s+2×100 Mbit/s=800 Mbit/s
32. (综合应用题)某中小型企业包含4个部门,每个部门不超过60台计算机。该企业申请使用网络地址202.102.16.0/24,为了更好管理公司的网络,对公司网络进行子网划分,每个部门使用一个子网(允许子网ID为全0、全1),避免部门之间的广播流量,各个部门网络通过1台三层交换机实现互联互通。请为每个部门分配一个子网,并写出其网络地址、广播地址和子网掩码。
正确答案:
由题意可知,需从主机号借2位做子网号,共计划分4个子网
因此,4个部门的网络地址、广播地址、子网掩码分别为:
202.102.16.0 202.102.16.63 255.255.255.192
202.102.16.64 202.102.16.127 255.255.255.192
202.102.16.128 202.102.16.191 255.255.255.192
202.102.16.192 202.102.16.255 255.255.255.192
33. (综合应用题)
如下图所示,主机PC1(用户)需要通过域名访问www.sina.com服务器上的网页,请根据网络访问过程回答以下问题。
用户使用何种协议获得被访问服务器的IP地址140.249.5.49?(3分)
DNS,用于域名的解析
用户使用何种协议获得10.0.0.2的MAC地址?(2分)
ARP协议
(3)用户可用的合法IP地址范围是什么?(4分)
(4)用户网关的IP地址是什么?(2分)
(5)用户是否需要被访问服务器的MAC地址?如果需要,如何访问;如果不需要,则如何访问。(4分)

正确答案:
(1)DNS;(2)ARP协议;(3)10.0.0.3-10.0.0.126;
(4)10.0.0.1;(5)不需要,用户访问时只需要通过ARP协议获取路由器F0/0接口的Mac地址。
34. (综合应用题)
某公司需要建设一个企业网络,如下图所示,要求:
(1)各部门通过设备1接入网络,实现全双工数据转发;各部门在不同的网段中,通过设备2交互数据;所有部门通过设备3访问Internet;
(2)由于距离较近(小于100米),主机通过线缆1接入网络。由于各部门与设备2在不同的建筑物中,距离较远,所以使用线缆2互连各设备;
(3)服务器群为企业提供典型的网络应用。
请回答以下问题:
(1)从集线器、交换机、路由器和防火墙四种设备中,为设备1-3选择相应的设备,并说明各设备的基本功能(6分);
(2)写出线缆1、2应使用的线缆种类(4分);
(3)请列举至少五种服务器群中配置的典型应用层协议,并分别说明其作用。(5分)

正确答案:
(1)设备1选择交换机。在数据链路层通过帧的目的MAC地址转发帧,实现全双工、高速的数据转发。为企业网用户(PC)提供接入途径。
设备2选择路由器。基本功能包括路径选择和数据转发,互连企业网中各子网。
设备3选择防火墙。基本功能是数据过滤,根据控制策略阻止或允许进入防火墙的数据,提供基本的网络安全保障。
(2)线缆1选择双绞线或直通线;
线缆2选择光纤或单模光纤或多模光纤;
(3)HTTP、FTP、TFTP、DNS、SMTP、SNMP、Telnet、IMAP、POP3及其他应用层协议。
HTTP:超文本传送协议,负责浏览器与Web服务器间的数据传送。
FTP:文件传送协议,使用TCP协议,提供交互式文件传输,允许用户指明文件类型和格式,并允许文件具有存取权限。
TFTP:简单文件传送协议,使用UDP协议进行简单文件传输,TFTP没有庞大的命令集,没有列目录的功能,也不能对用户进行身份鉴别。
DNS:域名系统,负责域名与IP地址转换。
SMTP:简单邮件传送协议
SNMP:简单网络管理协议;
Telnet:远程终端协议;
IMAP:网际报文存取协议邮件读取协议之一。
POP3:邮局协议,邮件读取协议之一。
35. (综合应用题)
如下图所示的一个小型互联网络,其中主机Server0和主机PC0分别是提供应用服务和访问应用服务的设备,路由器Router0是三层设备,交换机Switch0是二层设备,若PC0向Server0发送了一个应用数据报文,请按照TCP/IP分层模型分析与描述这个报文从PC0到Server0所经历的数据封装与拆封的过程。

正确答案:
PC0发出的请求Server0提供服务的报文,要依次经过Switch0和Router0到达Server0,在经过Router0时,报文会被重新封装(1)首先在PC0端,封装的过程如下:
①应用层:通过一个具体的应用层协议对请求报文进行封装(2分)
②传输层:通过TCP或UDP协议进行封装(2分)
③网络层:使用IP协议进行封装,源IP地址和目的IP地址分别是PC0和Server0的IP地址(2分)
④网络接口层:根据具体的局域网类型和标准将数据包封装为帧,帧的源MAC地址和目的MAC地址分别是PC0和Router0连接交换机的接口的MAC地址(2分)
(2)在Switch0上,对报文进行拆封,仅拆到网络接口层,然后根据目的MAC地址转发该帧(2分)
(3)在Router0上将对数据进行拆封和重新封装,由于路由器仅工作在网络接口层和网络层,因此重新封装后的报文,其源IP地址和目的IP地址保持不变,但源MAC地址和目的MAC地址变为Router0连接Server0的接口的MAC地址和Server0的MAC地址,然后该报文将到达Server0。(5分)
36. (综合应用题)
某网络拓扑如下图所示,其中路由器内网接口、DHCP服务器、WWW服务器与主机1均采用静态IP地址配置,相关地址信息见图中标注;主机2~主机N通过DHCP服务器动态获取IP地址等配置信息。

请回答以下问题:
DHCP服务器可为主机2~主机N动态分配IP地址的最大范围是什么?主机2使用DHCP协议获取IP地址的过程中,发送的封装DHCP Discover报文的IP分组的源IP地址和目的IP地址分别是什么?(5分)
DHCP服务器可为主机2~主机N动态分配IP地址的最大范围是100.110.15.5~100.110.15.254;主机2发送的封装DHCP Discover报文的IP分组的源IP地址和目的IP地址分别是0.0.0.0和255.255.255.255
若主机2的ARP表为空,则该主机访问Internet时,发出的第一个以太网帧的目的MAC地址是什么?封装主机2发往Internet的IP分组的以太网帧的目的MAC地址是什么?(5分)
主机2发出的第一个以太网帧的目的MAC地址是FF-FF-FF-FF-FF-FF;封装主机2 发往Internet的IP分组的以太网帧的目的MAC地址是00-r1-r1-r1-r1-r1
若主机1的子网掩码和默认网关分别配置为255.255.255.0和100.110.15.2,则该主机是否能访问WWW服务器?是否能访问Internet?请说明理由。(5分)
主机1能访问WWW服务器,但不能访问Internet。由于主机1的子网掩码配置正确,所以能访问同一个子网内的WWW服务器,但是默认网关配置错误,应该配置为路由器位于内网的接口地址100.110.15.1,所以无法访问Internet。(5分)
正确答案:
(1)DHCP服务器可为主机2~主机N动态分配IP地址的最大范围是100.110.15.5~100.110.15.254;主机2发送的封装DHCP Discover报文的IP分组的源IP地址和目的IP地址分别是0.0.0.0和255.255.255.255。(5分)
(2)主机2发出的第一个以太网帧的目的MAC地址是FF-FF-FF-FF-FF-FF;封装主机2发往Internet的IP分组的以太网帧的目的MAC地址是00-r1-r1-r1-r1-r1。(5分)
(3)主机1能访问WWW服务器,但不能访问Internet。由于主机1的子网掩码配置正确,所以能访问同一个子网内的WWW服务器,但是默认网关配置错误,应该配置为路由器位于内网的接口地址100.110.15.1,所以无法访问Internet。(5分)
37. (综合应用题)
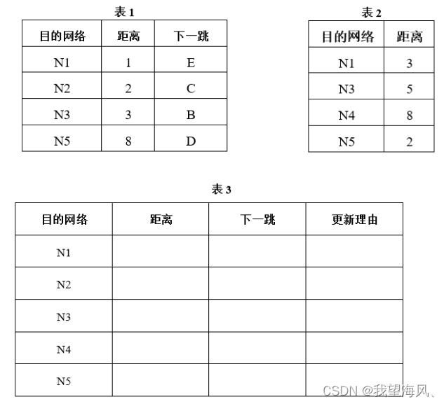
假定网络中路由器A的路由表如表1所示,现在A收到从B发来的路由信息如表2所示(路由器使用的路由信息协议是RIP),请将路由器A更新后的路由表填入表3,并简要说明更新理由。

正确答案:
|
目的网络 |
距离 |
下一跳 |
更新理由 |
|
N1 |
1 |
E |
不同的下一跳,距离更大,不改变 |
|
N2 |
2 |
C |
无新信息,不改变 |
|
N3 |
6 |
B |
相同的下一跳,更新 |
|
N4 |
9 |
B |
新的项目,添加进来 |
|
N5 |
3 |
B |
不同的下一跳,距离更短,更新 |
38. (综合应用题)
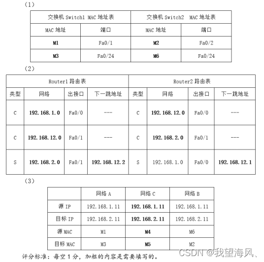
网络A和网络B通过Router1、Router2两台路由器实现互联,中间为网络C,网络管理员在该网络中启用静态路由实现互通。网络拓扑如下图所示,各设备所连接的网络接口、接口MAC地址(分别用代号M1,M2,M3……表示)及IP地址分配如表4所示。



39. (综合应用题)
路由器是目前网络中最常用的网络互联设备,根据应用需求选择和使用合适的路由协议对路由器进行配置,并合理规划网络中主机的TCP/IP网络参数是网络管理人员应具备的一项基本技能,下图为某单位网络的拓扑结构,请阅读和分析给定的信息,然后回答问题。
某单位所分的网络地址为145.13.0.0/16,划分为四个子网N1、N2、N3、N4,这4个子网与路由器R连接的接口分别为m0、m1、m2、m3。路由器R的第五个接口m4连接到因特网。

(1)填写路由器R的路由表项。
|
目的网络 |
目的网络的 子网掩码 |
下一跳 |
|
145.13.0.0 |
255.255.192.0 |
直接交付,接口m0 |
|
255.255.192.0 |
||
|
直接交付,接口m2 |
||
|
145.13.192.0 |
||
|
其他 |
2)路由器R收到一个分组,其目的地址为145.13.160.78,试解释该分组是如何被转发的。
正确答案:(1) 路由器R的路由表为:
|
目的网络地址 |
目的网络的子网掩码 |
下一跳 |
|
145.13.0.0 |
255.255.192.0 |
直接交付,接口m0 |
|
145.13.64.0 |
255.255.192.0 |
直接交付,接口m1 |
|
145.13.128.0 |
255.255.192.0 |
直接交付,接口m2 |
|
145.13.192.0 |
255.255.192.0 |
直接交付,接口m3 |
|
其他 |
M(掩码没有具体数值) |
直接交付,接口m4 |
(2)用目的地址145.13.160.78和路由器的子网掩码255.255.192.0做逻辑与运算,得到网络地址145.13.128.0;
然后用该网络地址和路由表中的目的网络地址逐个比较是否相同,然后找到相应转发接口,即收到的分组从路由器的接口m2转发。
40. (综合应用题)
一个自治系统有5个局域网,其连接方式如下图所示。LAN2至LAN5上的主机数分别为:93、165、3和20。该自治系统分配到的IP地址块为61.138.118/23。试给出每个局域网的地址块(包括前缀)。

正确答案:
对LAN3,主机数165,(27-2)<165+1<(28-2),所以主机位为8bit,网络前缀为24,分配地址块61.138.118.0/24。(第24位为0)
对LAN2,主机数93,(26-2)<93+1<(27-2),所以主机位为7bit,网络前缀为25,分配地址块30.138.119.0/25。(第24、25位为10)
对LAN5,主机数20,(24-2)<20+1<(25-2),所以主机位为5bit,网络前缀为27,分配地址块30.138.119.192/27。(第24、25、26、27位为1110)
对LAN1,主机数3,(22-2)<3<(23-2),所以主机位为3bit,网络前缀为29,分配地址块30.138.119.232/29。(第24、25、26、27、28、29位为111101)
对LAN4,主机数3,(22-2)<3+1<(23-2),所以主机位为3bit,网络前缀为29,分配地址块30.138.119.240/29。(第24、25、26、27、28、29位为111110)
41. (综合应用题)
如下图所示,有5个站点分别连接在3个局域网上,并且用网桥B1和B2连接起来,每一个网桥都有两个接口(1和2),初始时,两个网桥中的转发表是空的,以后有以下各个站点向其他站点发送了数据,请将有关信息填写在表格中。

|
发送 的帧 |
B1的转发表 |
B2的转发表 |
B1的处理(转发?丢弃?写入转发表?) |
B2的处理(转发?丢弃?写入转发表?) |
||
|
地址 |
接口 |
地址 |
接口 |
|||
|
A→E |
A |
1 |
A |
1 |
转发,写入转发表 |
转发,写入转发表 |
|
C→B |
C |
2 |
C |
1 |
转发,写入转发表 |
转发,写入转发表 |
|
D→C |
D |
2 |
D |
2 |
写入转发表丢弃不转发 |
转发,写入转发表 |
|
B→A |
B |
1 |
无 |
无 |
写入转发表丢弃不转发 |
接收不到该帧 |
|
E→C |
E |
2 |
E |
2 |
写入转发表丢弃不转发 |
转发,写入转发表 |
42. (综合应用题)
某网络中的路由器运行OSPF路由协议,下图是路由器R1构造出来的网络拓扑,请回答下列问题。

(1)假设路由表结构如下表所示,请给出图中R1的路由表,要求包括到达图中子网192.1.x.x的路由,且路由表中的路由项尽可能少。
|
目的网络 |
下一跳 |
接口 |
(2)当主机192.1.1.130向主机192.1.7.211发送一个TTL=64的IP分组时,R1通过哪个接口转发该IP分组?主机192.1.7.211收到的IP分组TTL是多少?
(3)若R1增加一条Metric为10的链路连接Internet,则R1的LSI需要增加哪些信息?
43. (综合应用题)
下图为某校园网的拓扑结构,请阅读和分析给定的路由信息和命令显示结果,然后回答问题。

给定信息如下:
(1)校园网申请到的网络地址块为202.115.0.0/24—202.115.3.0/24,根据网络规划需求,网络中心、图书馆、教学实验楼以及行政办公楼的各个部门需划分到不同网段,其中Web服务器的IP地址为202.115.0.10。
(2)RouterB上的路由表信息如框图所示。
RIP 192.168.0.0/24 [120/1] via 192.168.2.1, 00:00:13, Serial0/0
RIP 192.168.1.0/24 [120/1] via 192.168.2.1, 00:00:13, Serial0/0
C 192.168.2.0/24 is directly connected, Serial0/0
RIP 202.115.0.0/24 [120/1] via 192.168.2.1, 00:00:13, Serial0/0
RIP 202.115.1.0/24 [120/2] via 192.168.2.1, 00:00:13, Serial0/0
RIP 202.115.2.0/24 [120/2] via 192.168.2.1, 00:00:13, Serial0/0
202.115.3.0/26 is subnetted, 3 subnets
C 202.115.3.0 is directly connected, FastEthernet1/0
C 202.115.3.64 is directly connected, FastEthernet2/0
C 202.115.3.128 is directly connected, FastEthernet3/0
(3)在主机D上使用命令tracert DNSServer,显示结果如框图所示。
1 49 ms 35 ms 78 ms 202.115.3.129
2 64 ms 94 ms 80 ms 192.168.2.1
3 80 ms 140 ms 156 ms 202.115.0.2
Trace complete.
请在横线处填上合适的答案。(第8空1分,其余每空2分,共15分)
(1)在路由器B上查询路由信息的命令是RouterB#_______,该路由器上运行的路由协议为__________________。
(2)行政办公楼部门A所属网络地址是______________________。
(3)根据以上信息,完成主机D的Internet协议属性配置:
主机D的IP地址:______________________(任选一个合适的即可)
主机D的子网掩码:______________________
域名服务器IP地址:______________________
主机D的默认网关:______________________
(4)为了能够正常访问Internet,RouterB上配置默认路由的命令为:
RouterB#_______________________________________________
正确答案:
(1)show ip route、RIP或路由信息协议
(2)202.115.3.0/26
(3)IP地址:202.115.3.130-190中的任意一个、子网掩码:255.255.255.192、域名服务器IP地址:202.115.0.2、默认网关:202.115.3.129
(4)ip route 0.0.0.0 0.0.0.0 192.168.2.1
44. (综合应用题)
某园区网拓扑结构如图所示,请回答下列问题。

(1)该园区网使用192.168.16.0/27划分四个子网,每个子网主机数量均不超过25台,请写出各子网的网络地址及子网掩码。
(2)如果该园区网络使用上述地址,那么路由器应该具有什么功能?
(3)为了保证外网能够访问园区网络内的服务器,那么在路由器上应该对服务器的地址进行什么样的处理?
(4)采用什么设备能够对园区网络提供如下保护措施:数据包进入园区网络时将被进行过滤检测,并确定此包是否威胁园区网络安全;如果检测到一个恶意的数据包时,系统不但发出警报,还将采取相应措施(如丢弃含有攻击性的数据包或阻断连接、阻断攻击等)?
(5)上述设备应该部署在位置1、位置2还是位置3?
正确答案:
(1)由题意可知,该园区网需要划分四个子网,每个子网主机数量均不超过25台,因此划分后的每个子网中主机位数不能少于5位,而该园区网已分配到的地址块192.168.16.0/25中,网络号部分为25位,故从原剩余7位主机号中拿出2位划分4个子网,即划分子网后网络号均为27位,各子网的网络地址及子网掩码分别为:
192.168.16.0 255.255.255.224
192.168.16.32 255.255.255.224
192.168.16.64 255.255.255.224
192.168.16.96 255.255.255.224
(2)由于192.168.16.0/25是只能在园区网内部使用的专用地址,因此应在路由器上配置NAT功能,将专用地址转换成可以在Internet上使用的公用IP地址(2分)
(3)当外网访问园区网内部的服务器时,NAT路由器不知道该把请求送给内网的哪一台主机,因此要在路由器上对服务器的地址进行一对一地址转换处理(1分)
(4)防火墙(2分)(5)位置2(2分)
45. (综合应用题)
某网络的解决方案如下图所示,该网络原先使用的是国外品牌的交换机,随着网络规模的扩大,增添了部分国产品牌的交换机,交换机1至交换机5均是国产10M/100M自适应交换机,交换机6和交换机7是三层交换机。该网络在运营过程中曾出现了下列故障:

故障1:使用“网络故障一点通”测试新建密集小区用户和三层交换机6之间的最大吞吐量,发现这些用户带宽都不超过10Mb/s。使用“在线型网络万用表”串联在三层交换机6和交换机4之间,测试数秒钟后,发现它们之间的传输速率也是10Mb/s。
故障2:VIP小区用户不能上网,但能ping通路由器地址。
分析:由于VIP小区用户配置的是静态IP地址,而且处在同一网段,共用路由器上的一个地址作为网关地址。用户能ping通路由器,说明从用户到路由器间的路径是通的,因此需重点检查路由器。
首先,在路由器上,观察接口状态,未见异常。
然后,用_______________________观察路由表,未见异常。
最后,再用_______________________观察地址解析协议表,发现路由器的MAC地址与工作人员以前保存在该表中的MAC地址不同,而是VIP小区中某个用户的MAC地址。
(1)造成故障1的原因是什么?如何解决?
(2)将故障2中空白处填上合适的答案,故障2如何解决?
正确答案:
(1)交换机6的端口也是10M/100Mbps自适应的,但不同品牌的交换机之间在连接后没能自适应,这时需要将两个交换机之间的端口强制设置成非自协商、100Mbps的全双工模式。(7分)
(2)show ip route(2分)show arp(2分)
解决办法:一是手动将路由器ARP表中相应接口的MAC地址修改回真实MAC地址;二是进入到路由器的接口配置模式,将接口关闭后重新启动,路由器新的ARP表将会自动更新到该接口真实的MAC地址,用户接入Internet就会恢复正常。
DAMO开发者矩阵,由阿里巴巴达摩院和中国互联网协会联合发起,致力于探讨最前沿的技术趋势与应用成果,搭建高质量的交流与分享平台,推动技术创新与产业应用链接,围绕“人工智能与新型计算”构建开放共享的开发者生态。
更多推荐



所有评论(0)