【无标题】基于计算机视觉技术实现的实时森林火灾烟雾检测系统
基于深度学习的森林火焰和烟雾自动检测系统。首先,结合计算机视觉技术和深度学习算法,设计并实现了一种高效的检测模型,能够实时识别森林中的火焰和烟雾。通过构建大规模的图像数据集,并进行数据增强,提高模型的泛化能力。实验结果表明,该系统在不同光照和天气条件下均能保持较高的检测准确率,具有良好的鲁棒性。
目录
前言
📅大四是整个大学期间最忙碌的时光,一边要忙着备考或实习为毕业后面临的就业升学做准备,一边要为毕业设计耗费大量精力。近几年各个学校要求的毕设项目越来越难,有不少课题是研究生级别难度的,对本科同学来说是充满挑战。为帮助大家顺利通过和节省时间与精力投入到更重要的就业和考试中去,学长分享优质的选题经验和毕设项目与技术思路。
🚀对毕设有任何疑问都可以问学长哦!
选题指导:
大家好,这里是海浪学长毕设专题,本次分享的课题是
🎯基于计算机视觉技术实现的实时森林火灾烟雾检测系统
课题背景和意义
森林火灾是全球范围内的一大灾害,给生态环境、经济发展和人类安全带来了严重威胁。随着气候变化和人类活动的影响,森林火灾的发生频率和强度逐年增加,导致森林资源的急剧减少、生物多样性的丧失以及空气质量的恶化。传统的森林火灾监测方法主要依赖人工巡逻和固定监测点,存在反应速度慢、覆盖面积有限等缺点。随着深度学习和计算机视觉技术的迅速发展,可以实现对火灾的早期预警,帮助相关部门及时采取措施,从而减少火灾造成的损失。
实现技术思路
一、算法理论基础
1.1 卷积神经网络
深度学习研究者通过数学和计算机算法建立基于多隐层的人工神经网络数学模型,使用大量训练数据和复杂计算求解参数,靠近目标输出,属于理论与经验结合的数学建模方式。深度学习虽然采用人工神经网络思想进行建模,但对原始神经网络进行了升级改造,本质上不等同于传统神经网络。深度学习具有学习效果好、性能上限高等优点,在图像识别、语音识别、机器翻译等领域得到广泛应用。卷积神经网络通过卷积操作尽可能保留图片信息特征,通过池化层降维避免传统神经网络易出现的过拟合现象,最后通过全连接层输出所需结果。卷积神经网络能够同时进行特征提取和特征分类,权值共享设计降低了参数量,这种对空间信息敏感的结构在图像处理方面具有其他深度学习模型无法比拟的优势。卷积神经网络广泛应用于目标检测、人脸识别等领域。

卷积层是核心,用于提取输入图像特征信息,通过正方形卷积核遍历每个像素点获取特征,计算方式为卷积核内权重与对应区域像素值相乘后求和并加偏置,最终得到输出像素信息。池化层出现在卷积层后,用于降维,减少特征图冗余信息,精剪特征图,提高鲁棒性,同时压缩参数量和计算量,有效避免过拟合。

池化操作常见的方式有最大池化、平均池化和随机池化,工作方式类似于卷积层,通过filter遍历特征图区域,汇总并表征该区域数据。最大池化使用区域最大值,平均池化使用区域平均值,随机池化使用所有值与比例乘积的和。激活函数为卷积层输出加入非线性元素,使网络处理复杂任务。如果神经网络中没有激活函数,则每层都是线性运算,整体上输出为输入的线性变换,隐层失去意义。

全连接层一般位于卷积层和池化层后,经过卷积层和池化层提取特征信息后输出到全连接层进行加权求和。全连接层神经元采用全连接方式,与上下层所有神经元连接。全连接层中一般选用Relu函数,最后将输出传入Softmax层进行类别检测。卷积神经网络在一些层的输出后加入非线性激活函数,使用非线性结果作为下层网络输入,增强表达能力,解决线性模型无法处理的复杂任务。常用激活函数有Sigmoid、Tanh、Relu、Leaky Relu、Mish、Softmax。
1.2 目标检测算法
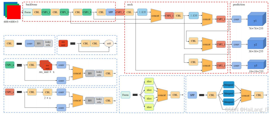
YOLOv5具有五种网络结构,包括YOLOv5n、YOLOv5s、YOLOv5m、YOLOv5l、YOLOv5x,这些结构针对不同应用场景具有不同性能表现,网络复杂度依次递增。森林火灾检测对实时性要求较高,较大网络结构会影响检测速度,因此选用网络结构较小的YOLOv5n作为基准网络进行研究。YOLOv5网络主要由输入端、Backbone、Neck和输出端四部分组成,每部分由不同基本单元构成,实现不同功能。输入端由三个功能模块对输入图像进行处理,包括Mosaic数据增强、自适应锚框计算和自适应图片缩放。

- Mosaic数据增强:YOLOv5延续YOLOv4的Mosaic增强方法,随机拼接、裁剪多张图片,再进行随机排布拼接成新输入图片。此方法参考Cutmix数据增强,将输入图片数量由2张增加为4张,扩充了数据集,并在缩放时产生小目标,使网络对小目标检测更加敏感。
- 自适应锚框计算:YOLO算法中有初始锚框设置,训练时通过比对初始锚框和真实锚框更新参数进行位置修正。在YOLOv5中,训练开始阶段通过K-Means聚类方法计算最佳锚框尺寸,提升网络性能。
- 自适应图片缩放:数据集收集时无法保证所有图片尺寸相同,但输入时需保证一致。神经网络输入端一般采用图像缩放填充方式统一尺寸。YOLO系列算法之前将长或宽直接缩放到相应比例后进行黑边填充,但若长宽比例悬殊,会导致黑边填充过多影响模型运行速度。YOLOv5采用新的图片缩放填充策略,减少黑边填充。自适应图片缩放首先计算原始图片和缩放目标尺寸的长宽比例,选用比例较小的作为缩放系数。由于YOLOv5算法中输入图片长、宽需为32的倍数,需将不足32倍数的边长用黑边补足。

Backbone部分是YOLOv5网络主干,通过独特结构对输入图像进行特征提取。Backbone部分首先经过Focus模块对图片进行切片操作,在不损失信息情况下扩充通道数。接着通过基础卷积单元和Csp1_x结构进行堆叠,对目标进行特征提取,最后接一个SPP模块,使用最大池化层对特征图分别池化后再进行Concat操作,获得特征信息的同时提升感受野,增强上下文联系。
- Focus模块:通过对三通道图像进行切片操作,将通道数扩展四倍。切片操作示意图可参考相关文献。随后通过32个基础卷积单元进行卷积操作,实现2倍下采样,将通道数扩张至32个。这种切片方法将高分辨率图像变为低分辨率图像,明显减少信息丢失,有效保留图片信息。

- Csp1_x结构:借鉴CSPNet结构,通过YOLOv5的基础卷积单元CBL和残差单元组成。模块中的残差结构应对深层次网络引起的梯度消失问题。Csp1_x模块通过跨层次特征层合并操作将经过残差单元输出的特征图与CSP结构最初输入融合,减少网络优化中的重复梯度信息,降低计算复杂度,同时保证网络预测精度。

- SPP模块:对主干网络输出分别使用5×5、9×9和13×13三个尺寸的池化单元进行最大池化,再与初始特征进行Concat操作。SPP操作增加特征信息的接受能力,将不同尺度特征融合,分离上下文特征。

Neck部分主要由FPN和PAN结构组成。FPN结构用于在不同尺寸特征图上对图像中不同大小目标进行多尺度检测,通过上采样操作得到新尺度特征图,将高层特征具有的语义特征向下传达,增强网络语义特征。由于其对位置信息不够敏感,YOLOv5在FPN基础上添加PAN结构,实现特征金字塔从底到上传达更多定位特征,增强特征提取能力和特征信息表现能力。YOLOv5在预测时会输出多个预测框预测同一物体,此时需对多余预测框处理,只保留概率最高的预测框。目标检测任务通常采用非极大值抑制方法过滤检测框,对遮挡物体或小目标距离过近时可能漏检。YOLOv5将DIoU与NMS融合,使用DIoU_NMS方法对模型输出进行小幅度优化,且不增加计算量。
二、 数据集
2.1 数据集
在森林火灾烟雾检测数据集的制作过程中,图像采集是第一步。我们选择了自主拍摄和互联网采集相结合的方式进行图像获取。自主拍摄方面,利用无人机和高清摄像设备在不同环境条件下进行实地拍摄,以捕捉真实的森林火灾烟雾场景。同时,为了丰富数据集的多样性,我们还从互联网收集了公开的森林火灾相关图像,确保涵盖不同光照、天气和地理条件下的烟雾特征。数据标注环节采用了专业的标注工具进行烟雾区域的精确标注。使用Labeling工具,标注人员对每张图像中的烟雾区域进行框选,确保标注的准确性和一致性。
2.2 数据扩充
将制作好的数据集进行了划分与扩展。数据集被分为训练集、验证集和测试集,通常按照70%、20%、10%的比例进行划分,以保证模型的训练和评估的有效性。同时,为了增加数据集的规模和多样性,我们采用数据增强技术,包括随机旋转、缩放、翻转和颜色调整等方法,进一步扩展数据集,从而提高模型在不同场景下的鲁棒性和泛化能力。
三、实验及结果分析
3.1 实验环境搭建
算法性能验证实验在Windows 10操作系统上进行,采用Pytorch深度学习框架进行模型的训练与推理。同时,为了支持GPU端的训练,已安装CUDA以提升计算效率和加速模型训练过程。这种配置确保了实验的高效性与准确性,为后续的性能评估提供了可靠的基础。

3.2 模型训练
模型训练的初始阶段,需要准备高质量的森林火灾烟雾检测数据集。这一阶段主要包括图像采集、数据标注和数据集划分。图像采集可以通过自主拍摄和互联网获取,确保涵盖各种环境条件下的烟雾特征。数据标注使用labeling工具对烟雾区域进行准确标注,并记录相关信息。数据集划分则按照一定比例将数据分为训练集、验证集和测试集,以便于后续的模型训练和评估。
import os
from sklearn.model_selection import train_test_split
# 假设已有图像路径和标签
image_paths = [...] # 图像路径列表
labels = [...] # 对应标签列表
# 划分数据集
train_images, test_images, train_labels, test_labels = train_test_split(image_paths, labels, test_size=0.2)
将基于卷积神经网络的YOLOv5算法引入到森林火灾检测的实际场景中。YOLOv5以其高效的实时检测能力和良好的性能表现而被广泛应用。模型的构建可以通过Pytorch框架实现,利用YOLOv5的预训练权重来加速训练过程。意力机制能够帮助模型聚焦于重要特征,从而提高检测精度;而BiFPN结构则通过特征融合增强了跨尺度特征的表达能力。将这两者结合到YOLOv5中,形成融合注意力机制和融合BiFPN的优化策略。
from models.attention import AttentionModule # 假设存在注意力模块
from models.bifpn import BiFPNModule # 假设存在BiFPN模块
# 将注意力模块和BiFPN模块加入YOLOv5模型
model.add_module('attention', AttentionModule())
model.add_module('bifpn', BiFPNModule())
完成模型构建后,进行模型训练。训练过程中,使用交叉熵损失函数和优化器(如Adam)来更新模型参数,并通过调整学习率和批量大小等超参数来优化训练效果。训练集的数据将用于模型的学习,而验证集则用于实时监测模型的性能。
import torch.optim as optim
# 设置超参数
learning_rate = 0.001
optimizer = optim.Adam(model.parameters(), lr=learning_rate)
# 模型训练循环
for epoch in range(num_epochs):
model.train()
for images, targets in train_loader:
optimizer.zero_grad()
outputs = model(images)
loss = compute_loss(outputs, targets)
loss.backward()
optimizer.step()
训练完成后,对模型性能进行评估。通过计算模型的精准率、召回率和平均精度,验证所提优化策略对模型性能的影响。这些指标能够帮助我们全面了解模型在森林火灾烟雾检测任务中的表现。
from metrics import compute_metrics
# 在测试集上评估模型
model.eval()
with torch.no_grad():
for images, targets in test_loader:
outputs = model(images)
precision, recall, mAP = compute_metrics(outputs, targets)
print(f'Precision: {precision}, Recall: {recall}, mAP: {mAP}')
海浪学长项目示例:





最后
我是海浪学长,创作不易,欢迎点赞、关注、收藏。
毕设帮助,疑难解答,欢迎打扰!
DAMO开发者矩阵,由阿里巴巴达摩院和中国互联网协会联合发起,致力于探讨最前沿的技术趋势与应用成果,搭建高质量的交流与分享平台,推动技术创新与产业应用链接,围绕“人工智能与新型计算”构建开放共享的开发者生态。
更多推荐


所有评论(0)