PHY芯片快速深度理解
换个话说 不连接也可以使得网络畅通,因为网络的数据传输时靠RGMII不是靠MDIO,MDIO的作用仅仅只是用来查看一些状态和功能,还有简单的控制,而这些简单的控制是完全可以有网卡芯片内置去写死,arm层只要和网卡的写的一直就可以通讯。是海翎光电的小编看了大量的参考文献和一步步的实践总结的经验,通过实践,把每一层都走一遍,把变压器去掉,把phy去掉,linux系统的网卡函数看了一遍,phy芯片的手册
摘要:
-
什么是phy
-
为什么要熟悉RJ45网口
-
网络七层协议
-
两个模块进行通信
-
什么是MDIO协议
-
MDIO的作用
-
MDIO没那么重要
-
MDIO读写时序
-
为什么说读取的phy最多32个
什么是phy
物理层芯片称为PHY、数据链路层芯片称为MAC。
可以看到PHY的数据是RJ45网络接口(网线口)穿过了的差分信号,而PHY作用就是将差分信号转为数字信号,这块内容不用深究,制造商都设计好了。那我们干什么呢?(主要是对phy芯片进行模式选择,比如工作速率,工作模式)
为什么要熟悉RJ45网口
上面说到针对phy芯片我们只要进行模式选择(下文海翎光电的小编会介绍使用mdio接口,通过寄存器控制)那模式选择后,如何查看是否有效呢?最简单直接的就是通过RJ45网口的指示灯查看。

RJ45 座子上一般有两个灯,一个黄色(橙色),一个绿色,绿色亮的话表示网络连接正常,黄色闪烁的话说明当前正在进行网络通信,黄灯闪动频率快表示网速好,这两个灯由 PHY 芯片控制。
如果不懂物理层和数据链路层可以和海翎光电的小编一起看一下网络七层协议。
网络七层协议

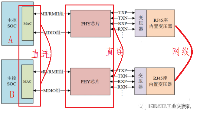
两个模块进行通信
下图是两个主控直接的通信,比如我们的电脑和路由器 ,但是如果没有中间的介质还能连接网络吗?答案是可以的
如果phy芯片没有,那么可以直接通过两个mac连接进行通信,之所以需要mac 、phy、变压器的目的是为了转换数据类型适配所以的网线,但是在一些电路上,没必要加这么多东西
比如搭载 Linux系统的arm芯片想要网络,可以直接通过mac和网卡芯片连接获取,这时候就需要通过RGMII接口或者MII接口 和 MDIO 连接网卡芯片。
(网卡芯片内置也是mac+phy,有的只有mac 层这个要看具体的手册)

什么是MDIO协议
mido协议即SMI协议,SMI协议也是一种通信协议类似与I2C协议但是通信方式不一样。SMI包含两根信号线,一个MDC时钟线,一个MDIO双向传输的数据线,
如图为SMI应用框图。STA设备通过MDIO接口与PHY通信。STA(StaTIon Management)为主控设备,比如MCU、MAC、ONU等。PHY为从设备。一个STA最多管理32个PHY。MDC信号由STA控制,MDIO信号根据通信方式的不同可以由STA或者PHY接管控制。如图通常MDIO会接一个电阻上拉至接口电源。

MDIO的作用
从上面的连接图可以看到MDIO是用来连接主设备和多个PHY设备,并且通过MDIO来传输数据。那么传输的是数据是哪些呢?主要是传输链接状态、传输速度与选择、断电、低功率休眠状态、TX/RX模式选择、自动协商控制、环回模式控制等。
MDIO没那么重要
MDIO在上面说到的两个模块通信,我提到了 arm芯片和网卡芯片直接需要,那么这个真的有必要吗?其实没必要连接!!!
换个话说 不连接也可以使得网络畅通,因为网络的数据传输时靠RGMII不是靠MDIO,MDIO的作用仅仅只是用来查看一些状态和功能,还有简单的控制,而这些简单的控制是完全可以有网卡芯片内置去写死,arm层只要和网卡的写的一直就可以通讯。
但是为什么很多时候需要通过mdio来进行读写控制,这个只是在网络通讯正常后的升级优化,用来方便查看状态,就像写了个前端网页来看后台数据。
如果mido没有读通,或者读取的数据是0xfffff,那么不一定是mdio的问题,很多时候是网卡本身没有启动!
MDIO读写时序

Preamble:32bits的前导码
Start:2bit的开始位。
OP Code:2bits的操作码,10表示读,01表示写。
PHYAD:5bits的PHY地址。
REGAD:5bits的寄存器地址,即要读或写的寄存器。
Turn Around:2bits的TA,在读命令中,MDIO在此时由MAC驱动改为PHY驱动,并等待一个时钟周期准备发送数据。在写命令中,不需要MDIO方向发生变化,则只是等待两个时钟周期准备写入数据。
Data:16bits数据,在读命令中,PHY芯片将读到的对应PHYAD的REGAD寄存器的数据写到Data中,在写命令中,MAC将要写入对应PHYAD的REGAD寄存器的值写入Data中。
Idle:空闲状态,此时MDIO无源驱动,处高阻状态,但一般用上拉电阻使其处在高电平,上拉电阻一般为1.5K。为什么说读取的phy最多32个
因为mdio中读取的phy只提供5bit的字节即最高11111 转成十进制就是31即0-31就是32个,但这是从读取的方式判断的,而mdio读取是依照phy芯片本身地址空间就5为。
为什么说reg地址最多32个
同样mdio中读取的reg只提供5bit的字节即最高11111 转成十进制就是31即0-31就是32个
PHY 芯片寄存器地址空间为 5 位,地址 0-31 共 32 个寄存器, IEEE 定义了 0-15 这 16 个寄存器的功能, 16~31 这 16 个寄存器由厂商自行实现。也就是说不管你用的哪个厂家的 PHY 芯片,其中 0~15 这 16 个寄存器是一模一样的。仅靠这 16 个寄存器是完全可以驱动起 PHY 芯片的,至少能保证基本的网络数据通信。
以上内容是海翎光电的小编看了大量的参考文献和一步步的实践总结的经验,通过实践,把每一层都走一遍,把变压器去掉,把phy去掉,linux系统的网卡函数看了一遍,phy芯片的手册有看了很多。写的浅显易懂因为想帮助到大家。
DAMO开发者矩阵,由阿里巴巴达摩院和中国互联网协会联合发起,致力于探讨最前沿的技术趋势与应用成果,搭建高质量的交流与分享平台,推动技术创新与产业应用链接,围绕“人工智能与新型计算”构建开放共享的开发者生态。
更多推荐


所有评论(0)