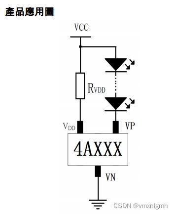
NU504-4A0XX芯片在LED灯上的典型应用电路图
低成本简易零外围定电流驱动器芯片NU504:-4A0XX低成本 ,定电流输出,品质稳定可靠





低成本简易零外围定电流驱动器芯片NU504:
10~ 60 mA 單通道固定電LED驅動IC NU504 兼容NU501应用
固定電流設計,不需要外加電阻設定電流
10∼60mA 多電流可選
支援PWM調光
使用電源電壓範圍(含負載)≤60V
驅動器容易並聯以增加電流
VP最低電壓0.6V
電流精度±5%
Sot23-3 無鉛環保封裝
產品說明
NU504 是一簡單小功率的恒電流元件,在各種
LED 照明產品的應用上非常容易使用。其具有絕佳的
負載與電源調變率和極小輸出電流誤差。NU504 能
使 LED 的電流穩定,在大面積的光源上,即使電源及
負載的變動範圍很大時,都能讓 LED 亮度保持均勻一
致,並增長 LED 使用壽命。
除了支援寬廣電源範圍外,NU504 配合數位
PWM 控制線路,可達到更精準的電流控制應用。
產品應用
一般 LED 照明
LED 燈條應用
LED 模組燈
建築裝飾照明
SOT23-3封装多种电流可选:
NU504-4A010 (定电流10MA输出)
NU504-4A015(定电流15MA输出)
NU504-4A020(定电流20MA输出)
NU504-4A025(定电流25MA输出)
NU504-4A030(定电流30MA输出)
NU504-4A035(定电流35MA输出)
NU504-4A040(定电流40MA输出)
NU504-4A045(定电流45MA输出)
NU504-4A050 (定电流50MA输出)
NU504-4A055 (定电流55MA输出)
NU504-4A060 (定电流60MA输出)
DAMO开发者矩阵,由阿里巴巴达摩院和中国互联网协会联合发起,致力于探讨最前沿的技术趋势与应用成果,搭建高质量的交流与分享平台,推动技术创新与产业应用链接,围绕“人工智能与新型计算”构建开放共享的开发者生态。
更多推荐


所有评论(0)